INFO: Dieses Forum nutzt Cookies...
Cookies sind für den Betrieb des Forums unverzichtbar. Mit der Nutzung des Forums erklärst Du dich damit einverstanden, dass wir Cookies verwenden.

Es wird in jedem Fall ein Cookie gesetzt um diesen Hinweis nicht mehr zu erhalten. Desweiteren setzen wir Google Adsense und Google Analytics ein.


Antwort schreiben 

Dieses Thema hat akzeptierte Lösungen:

XY Graph



Wenn dein Problem oder deine Frage geklärt worden ist, markiere den Beitrag als "Lösung",
indem du auf den "Lösung" Button rechts unter dem entsprechenden Beitrag klickst. Vielen Dank!

26.10.2015, 19:15
Beitrag #11

GerdW Online
______________
LVF-Team

Beiträge: 17.529
Registriert seit: May 2009

LV2019 (LV2021)
1995
DE_EN

10×××
Deutschland
RE: XY Graph
Hallo HCO,

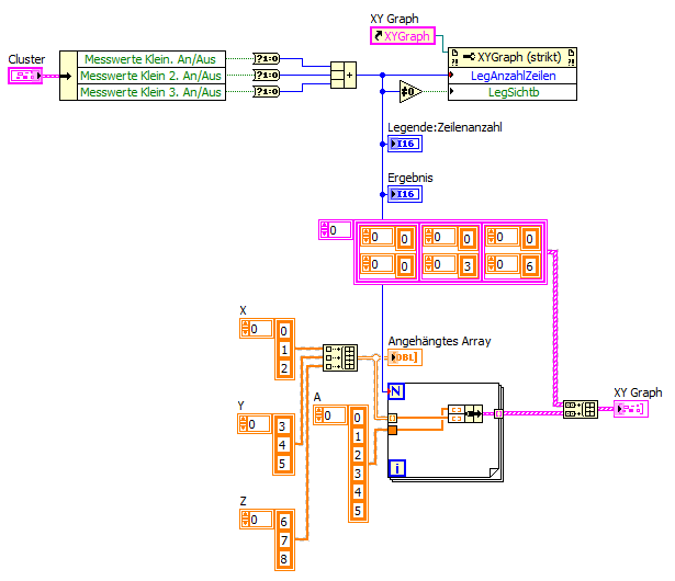
Zitat:Die Signale, die ausgewählt sind, werden miteinander addiert damit ich die genaue Legendenanzahl habe.
Warum so kompliziert? Siehe Bild…

Zitat:Dann wird die For Schleife so oft ausgeführt wieviele Signale ausgewählt sind und aus dem vorhandenen Array dann der richtige Index ausgewählt und dann durch das Schieberegister in meinen Graphen geschoben.
Warum so kompliziert? Siehe Bild: Mit Autoindizierung…

Zitat:Deswegen geht ja die Autoindizierung nicht, da ich die For-Schleife ja nur in der Anzahl der ausgewählten Signale durchlaufe.
Wieso nicht? Siehe Bild…

   
Warum verwendest du eine lokale Variable (mit übler RaceCondition), wenn das Terminal direkt daneben verfügbar ist?
Warum all diese komplizierten Dinge, wenn es deutlich einfacher und übersichtlicer geht?
Warum muss man eine Property erst setzen (LegZeilenAnzahl), um sie direkt danach wieder zu lesen? Warum nicht einfach den Indicator direkt verdrahten?
Hmm

Alle Beiträge dieses Benutzers finden
Diese Nachricht in einer Antwort zitieren to top
Anzeige
27.10.2015, 11:54
Beitrag #12

Lucki Offline
Tech.Exp.2.Klasse
LVF-Team

Beiträge: 7.699
Registriert seit: Mar 2006

LV 2016-18 prof.
1995
DE

01108
Deutschland
RE: XY Graph
Das kleine Strickmuster oben links im Bild muss nicht sein:
   
Außerdem könnte man fragen: Warum überhaupt XY-Graph, wenn die dt der X-Achse konstant sind?
Alle Beiträge dieses Benutzers finden
Diese Nachricht in einer Antwort zitieren to top
27.10.2015, 11:55 (Dieser Beitrag wurde zuletzt bearbeitet: 27.10.2015 11:58 von Hydrogencarbonat.)
Beitrag #13

Hydrogencarbonat Offline
LVF-User
**


Beiträge: 187
Registriert seit: Apr 2014

2013,2014
2014
DE

XXXXX
Deutschland
RE: XY Graph
Hi Gerd,

vielen Dank schonmal.

Ja du hast natürlich recht.
Jedoch habe ich ein Problem erkannt.
Wenn man nun im Cluster zum Beispiel Plot X und Z auswählt, so zeigt er in der Plotlegende x und y an.
Z =X
Y,Z =XY

Wie kann man das Problem am Besten umgehen?

Gruß HCO
ich korrigiere : "mit dem Problem "
Alle Beiträge dieses Benutzers finden
Diese Nachricht in einer Antwort zitieren to top
28.10.2015, 14:00
Beitrag #14

Hydrogencarbonat Offline
LVF-User
**


Beiträge: 187
Registriert seit: Apr 2014

2013,2014
2014
DE

XXXXX
Deutschland
RE: XY Graph
Hi,
also ich habe jetzt was probiert.

Denn man müsste ja nur die ausgewählten Plots an den Graph weitergeben und dann die Legende auf die Anzahl der aktiven Plots (Plots die
momentan ausgewählt sind) begrenzen.

Nur irgendwo steckt da noch der Wurm drin. (siehe VI)
Finde den Fehler nur nicht.
Eigentlich müsste er jetzt nur die ausgewählten Plots in der legende anzeigen.

Gruß HCO


Angehängte Datei(en)
12.0 .vi  Test Graph 4.vi (Größe: 36,53 KB / Downloads: 252)
Alle Beiträge dieses Benutzers finden
Diese Nachricht in einer Antwort zitieren to top
28.10.2015, 14:19
Beitrag #15

Hydrogencarbonat Offline
LVF-User
**


Beiträge: 187
Registriert seit: Apr 2014

2013,2014
2014
DE

XXXXX
Deutschland
RE: XY Graph
Hi,
habe die Antwort von Lucki ganz übersehen.

Weil nur in dieser Testreihe die Werte der X Achse konstant sind.
Das Programm soll noch für auf andere Messung benutzt werden.

Gruß HCO
Alle Beiträge dieses Benutzers finden
Diese Nachricht in einer Antwort zitieren to top
28.10.2015, 18:34
Beitrag #16

GerdW Online
______________
LVF-Team

Beiträge: 17.529
Registriert seit: May 2009

LV2019 (LV2021)
1995
DE_EN

10×××
Deutschland
RE: XY Graph
Hallo HCO,

Zitat:Eigentlich müsste er jetzt nur die ausgewählten Plots in der legende anzeigen.
Dein VI passt die Legende an die Anzahl der Plots an - genau das hast du doch programmiert!?

Falls dich stört, dass sich die angezeigten Plotnamen nicht ändern, dann solltest du auch programmieren, dass die angezeigten Plotnamen angepasst werden…

Alle Beiträge dieses Benutzers finden
Diese Nachricht in einer Antwort zitieren to top
Anzeige
29.10.2015, 11:36
Beitrag #17

Hydrogencarbonat Offline
LVF-User
**


Beiträge: 187
Registriert seit: Apr 2014

2013,2014
2014
DE

XXXXX
Deutschland
RE: XY Graph
Hi,

ja, ich meinte das auch mit den Plotnamen.
Wie kann ich das am Besten realisieren?
Ich komme einfach nicht drauf.

Gruß HCO
Alle Beiträge dieses Benutzers finden
Diese Nachricht in einer Antwort zitieren to top
29.10.2015, 18:12
Beitrag #18

GerdW Online
______________
LVF-Team

Beiträge: 17.529
Registriert seit: May 2009

LV2019 (LV2021)
1995
DE_EN

10×××
Deutschland
RE: XY Graph
Hallo HCO,

Zitat:ja, ich meinte das auch mit den Plotnamen. Wie kann ich das am Besten realisieren? Ich komme einfach nicht drauf.
Mal überlegen: du willst eine Eigenschaft eines Plots ändern? Ich würde dafür einen Eigenschaftsknoten verwenden…

Alle Beiträge dieses Benutzers finden
Diese Nachricht in einer Antwort zitieren to top
30.10.2015, 16:08
Beitrag #19

Hydrogencarbonat Offline
LVF-User
**


Beiträge: 187
Registriert seit: Apr 2014

2013,2014
2014
DE

XXXXX
Deutschland
RE: XY Graph
Hi,

ich habe es versucht umzusetzen.
Nur irgendwie werden die Plotnamen nicht in die Legende reingeschrieben, obwohl es so programmiert ist.
Wenn ich nun einen Plot auswähle dann wird auch durch die Case Struktur der richtige Name herausgegeben.

Wo ist der Fehler?

PS:Bild und VI sind angehängt

Gruß HCO


Angehängte Datei(en) Thumbnail(s)
   

12.0 .vi  Test Graph 4.vi (Größe: 37,26 KB / Downloads: 259)
Alle Beiträge dieses Benutzers finden
Diese Nachricht in einer Antwort zitieren to top
30.10.2015, 17:14
Beitrag #20

GerdW Online
______________
LVF-Team

Beiträge: 17.529
Registriert seit: May 2009

LV2019 (LV2021)
1995
DE_EN

10×××
Deutschland
RE: XY Graph
Hallo HCO,

versuche doch mal durch einfaches Debugging herauszubekommen, für welchen Plot du in deinem VI den Namen zu setzen versuchst.
Wenn du das gemacht hast, vergleichst du das Ergebnis mit der Aufgabenstellung, mehreren Plots unterschiedlichen Namen zuzuweisen…

Alle Beiträge dieses Benutzers finden
Diese Nachricht in einer Antwort zitieren to top
Antwort schreiben 


Gehe zu: