11.12.2009, 14:54
(Dieser Beitrag wurde zuletzt bearbeitet: 11.12.2009 14:54 von Lucki.)
|
|
|
|
|
|
11.12.2009, 21:42
|
jg
CLA & CLED
Beiträge: 15.864
Registriert seit: Jun 2005
20xx / 8.x
1999
EN
Franken...
Deutschland
|
String auslesen
Also wenn ich so einen String sehe:
' schrieb:Die ich jetzt mal hier darstelle :-)
6219 C019 F91A 231A C41B 721B 661A DD1A AA1A 561A 4E1A 231A 201A 3319 AC19 9C18 FE19 4525 0E49 0037 0025 006C
da tippe ich darauf, dass die String-Anzeige auf HEX-Anzeige steht. Und dann sind das keine echten Leerzeichen, sondern ein String in HEX-Anzeige wird halt so dargestellt, immer 2 HEX-Zahlen (00-FF), dann ein Leerzeichen. Ist so...
@selma:
Kopiere die String-Anzeige zumindest mal in ein neues VI und lad es dann hier hoch (aber nicht vergessen, Make Current Values Default vorher zu klicken).
Gruß, Jens
Wer die erhabene Weisheit der Mathematik tadelt, nährt sich von Verwirrung. (Leonardo da Vinci)
!! BITTE !! stellt mir keine Fragen über PM, dafür ist das Forum da - andere haben vielleicht auch Interesse an der Antwort!
Einführende Links zu LabVIEW, s. GerdWs Signatur.
|
|
|
|
|
14.12.2009, 09:55
|
selma
LVF-Gelegenheitsschreiber
 
Beiträge: 210
Registriert seit: Aug 2009
2009
2009
de
21xxx
Deutschland
|
String auslesen
Guten Morgen,
' schrieb:Es wäre cool, wenn du das VI für mich auf LabVIEW 8.5 runterspeichern könntest, dann kann ich mir das ganze ein bisschen genauer ansehen
Na Klar
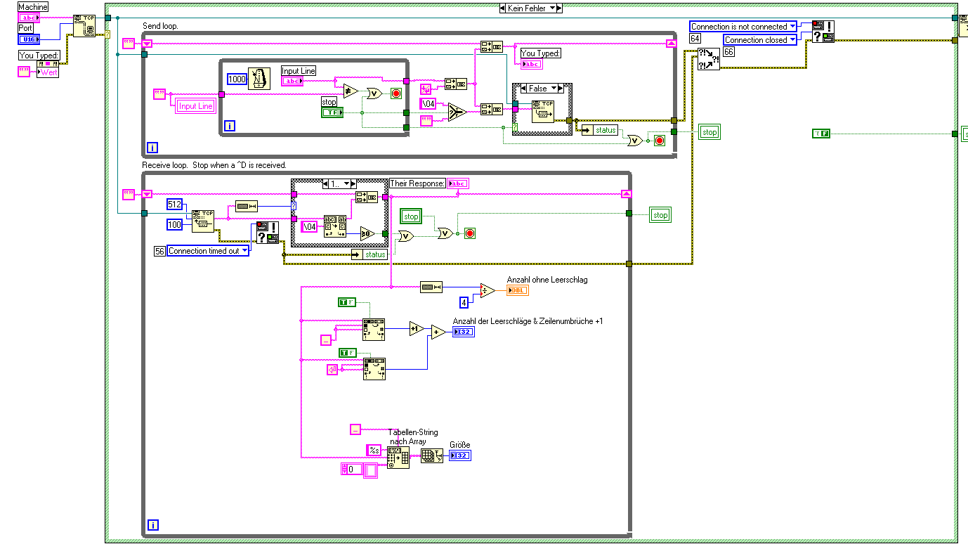
Anzahl_Zeichen.vi (Größe: 7,56 KB / Downloads: 235)
' schrieb:Also wenn ich so einen String sehe:
da tippe ich darauf, dass die String-Anzeige auf HEX-Anzeige steht. Und dann sind das keine echten Leerzeichen, sondern ein String in HEX-Anzeige wird halt so dargestellt, immer 2 HEX-Zahlen (00-FF), dann ein Leerzeichen. Ist so...
@selma:
Kopiere die String-Anzeige zumindest mal in ein neues VI und lad es dann hier hoch (aber nicht vergessen, Make Current Values Default vorher zu klicken).
Gruß, Jens
Die daten sind in Hex, löst man den das anders, muß wohl den so kommt nix gescheites raus.
Habe noch zwei Screenshot gemacht und habe alle drei Vorschläge in mein VI eingebunden.
Wie auch gewünscht ein neues VI.
Anzahl_Zeichen.vi (Größe: 9,6 KB / Downloads: 247)
Gruß Selma
|
|
|
|
14.12.2009, 10:12
(Dieser Beitrag wurde zuletzt bearbeitet: 14.12.2009 10:12 von jg.)
|
jg
CLA & CLED
Beiträge: 15.864
Registriert seit: Jun 2005
20xx / 8.x
1999
EN
Franken...
Deutschland
|
String auslesen
' schrieb:Die daten sind in Hex, löst man den das anders, muß wohl den so kommt nix gescheites raus.
Scherzkeks, dir ist schon klar (oder doch nicht), dass die "Leerzeichen" in der String-Anzeige:
also z.B. das "Leerzeichen" zwischen x16 und xFF, welches ich einmal markiert habe, in Realität im String nicht vorhanden sind. Das ist nur eine Formatierung des Strings zur besseren Lesbarkeit. Es werden immer 2 ASCII-Zeichen als Hex-Code dargestellt, dann wird ein Leerzeichen dargestellt (es ist an dieser Stelle nicht im String vorhanden!).
Gruß, Jens
Wer die erhabene Weisheit der Mathematik tadelt, nährt sich von Verwirrung. (Leonardo da Vinci)
!! BITTE !! stellt mir keine Fragen über PM, dafür ist das Forum da - andere haben vielleicht auch Interesse an der Antwort!
Einführende Links zu LabVIEW, s. GerdWs Signatur.
|
|
|
|
14.12.2009, 10:16
(Dieser Beitrag wurde zuletzt bearbeitet: 14.12.2009 10:37 von selma.)
|
selma
LVF-Gelegenheitsschreiber
 
Beiträge: 210
Registriert seit: Aug 2009
2009
2009
de
21xxx
Deutschland
|
String auslesen
' schrieb:Scherzkeks, dir ist schon klar (oder doch nicht), dass die "Leerzeichen" in der String-Anzeige:
[attachment=51450:Image01.png]
also z.B. das "Leerzeichen" zwischen x16 und xFF, welches ich einmal markiert habe, in Realität im String nicht vorhanden sind. Das ist nur eine Formatierung des Strings zur besseren Lesbarkeit. Es werden immer 2 ASCII-Zeichen als Hex-Code dargestellt, dann wird ein Leerzeichen dargestellt (es ist an dieser Stelle nicht im String vorhanden!).
Gruß, Jens
Nö, das war mir nicht klar.
Das heißt ................???
Nach mühseligen nachzählen müßten es so ca. 264 Datensätze sein.
|
|
|
|
| |