INFO: Dieses Forum nutzt Cookies...
Cookies sind für den Betrieb des Forums unverzichtbar. Mit der Nutzung des Forums erklärst Du dich damit einverstanden, dass wir Cookies verwenden.

Es wird in jedem Fall ein Cookie gesetzt um diesen Hinweis nicht mehr zu erhalten. Desweiteren setzen wir Google Adsense und Google Analytics ein.


Antwort schreiben 

Probleme mit XY-Darstellung



Wenn dein Problem oder deine Frage geklärt worden ist, markiere den Beitrag als "Lösung",
indem du auf den "Lösung" Button rechts unter dem entsprechenden Beitrag klickst. Vielen Dank!

13.11.2009, 10:49
Beitrag #11

unicorn Offline
LVF-Freak
****


Beiträge: 680
Registriert seit: Jul 2009

8.6.1, 2010 - 2012
1994
EN

10xxx
Deutschland
Probleme mit XY-Darstellung
' schrieb:Da dieses unser erstes LABView projekt ist, haben wir noch etwas Verständnisprobleme.
Ich weiß nicht, was du mit " "Transpose Array" vor die Konversion in dynamische Daten " genau meinst.
Transponieren: Zeilen und Spalten tauschen.

Dazu gibt es auf der Array-Palette ein eigenes VI.


' schrieb:Wie kann ich das Problem beheben?
Unser Ziel war es, je ein Array für Spannung und Strom zu erzeugen, war dieser Gedankengang falsch?(Blutiger Anfänger)

Der Gedankengang ist vollkommen richtig. Mir ging es um die Dimension. Für Strom und Spannung reicht je ein eindimensionales Array aus. Es sei denn man möchte mehrere Messungen speichern, wie SeBa ausgeführt hat.
Alle Beiträge dieses Benutzers finden
Diese Nachricht in einer Antwort zitieren to top
Anzeige
13.11.2009, 11:44
Beitrag #12

LaMa Offline
LVF-Neueinsteiger


Beiträge: 9
Registriert seit: Oct 2009

8.2.1
-
de

59757
Deutschland
Probleme mit XY-Darstellung

Sonstige .vi  Diode_1.4.7.vi (Größe: 174,67 KB / Downloads: 251)
benutzte LABView Version 8.2.1

Wir haben versucht allen Anweisungen zu folgen.
Der XY-Graph gibt jetzt endlich etwas aus, allerdings steht jetzt in den Arrays nur noch jeweils ein Wert.

Wo könnte jetzt noch unser Gedankenfehler liegen?

MfG
Sebastian
Alle Beiträge dieses Benutzers finden
Diese Nachricht in einer Antwort zitieren to top
13.11.2009, 12:48
Beitrag #13

SeBa Offline
LVF-Guru
*****


Beiträge: 2.025
Registriert seit: Oct 2008

09SP1 & 10 FDS
2008
DE

65xxx
Deutschland
Probleme mit XY-Darstellung
...
       
       

Gruß SeBa

Dieser Beitrag soll weder nützlich, informativ noch lesbar sein.

Er erhebt lediglich den Anspruch dort wo er ungenau ist, wenigstens eindeutig ungenau zu sein.
In Fällen größerer Abweichungen ist es immer der Leser, der sich geirrt hat.

Rette einen Baum!
Diesen Beitrag nur ausdrucken, wenn unbedingt nötig!
Alle Beiträge dieses Benutzers finden
Diese Nachricht in einer Antwort zitieren to top
13.11.2009, 12:50
Beitrag #14

unicorn Offline
LVF-Freak
****


Beiträge: 680
Registriert seit: Jul 2009

8.6.1, 2010 - 2012
1994
EN

10xxx
Deutschland
Probleme mit XY-Darstellung
So vielleicht?


Angehängte Datei(en) Thumbnail(s)
   
Alle Beiträge dieses Benutzers finden
Diese Nachricht in einer Antwort zitieren to top
13.11.2009, 12:56
Beitrag #15

SeBa Offline
LVF-Guru
*****


Beiträge: 2.025
Registriert seit: Oct 2008

09SP1 & 10 FDS
2008
DE

65xxx
Deutschland
Probleme mit XY-Darstellung
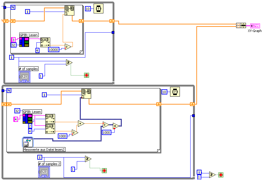
Wobei ich mich schon die ganze Zeit frage, warum die inneren While-Schleifen bis i=1 laufen (also zwei Mal) und du in der Forschleife beim zweiten Durchlauf der Whileschleife die Werte aus dem ersten Durchgang ersetzt... Da ändert sich doch garnix... das ist überflüssig.

Das was unicorn im Beitrag #14 zeigt wäre auch mein Vorgehen, leider weiß ich halt nicht was ihr immer mit den Teilarrays macht, evtl. braucht ihr den ersten Wert ja nicht. k.A.

Gruß SeBa

Dieser Beitrag soll weder nützlich, informativ noch lesbar sein.

Er erhebt lediglich den Anspruch dort wo er ungenau ist, wenigstens eindeutig ungenau zu sein.
In Fällen größerer Abweichungen ist es immer der Leser, der sich geirrt hat.

Rette einen Baum!
Diesen Beitrag nur ausdrucken, wenn unbedingt nötig!
Alle Beiträge dieses Benutzers finden
Diese Nachricht in einer Antwort zitieren to top
13.11.2009, 13:34
Beitrag #16

unicorn Offline
LVF-Freak
****


Beiträge: 680
Registriert seit: Jul 2009

8.6.1, 2010 - 2012
1994
EN

10xxx
Deutschland
Probleme mit XY-Darstellung
Ein weiteres technisches Problem mit dem Programm ist, das Strom und Spannung nicht notwendigerweise zur gleichen Zeit abgetast werden. Beide Schleifen könnten unterschiedlich schnell laufen, weil zum Beispiel das Lesen eines der Spannungsmesser länger dauert als das des anderen. Also selbst wenn jetzt die Darstellung klappt kann es immer noch passieren, das die Kennlinie komisch aussieht.

Um zur gleichen Zeit zu messen müssten die Spannungsmessgeräte hardware technisch getriggert werden.

Die beiden Messgeräte werden annähernd gleichzeitig gelesen, wenn beide Messgeräte in einer Schleife kurz nacheinander gelesen werden. Dabei wäre das Wait mit einer Sequenz von den Leseoperationen zu trennen.

Das Wait wäre meines Erachtens in der Zählschleife besser aufgehoben. Schließlich muss man ja über eine ganze Periode des Funktionsgenerators messen, sprich 10 Sekunden (100 E-3 Hz). Für 100 Messwerte wäre ein Wait von 100 ms abzüglich der Dauer des Auslesen der Spannungsmesser angebracht. Noch besser ist natürlich eine Timed loop (zeitgesteuerte Schleife), da ich die Rampe aquidistant abtasten würde. In der Timed loop kann (muss) das Wait entfallen.
Alle Beiträge dieses Benutzers finden
Diese Nachricht in einer Antwort zitieren to top
Anzeige
13.11.2009, 21:51 (Dieser Beitrag wurde zuletzt bearbeitet: 13.11.2009 21:59 von LaMa.)
Beitrag #17

LaMa Offline
LVF-Neueinsteiger


Beiträge: 9
Registriert seit: Oct 2009

8.2.1
-
de

59757
Deutschland
Probleme mit XY-Darstellung
' schrieb:So vielleicht?
Ich hätte die Werte ganz gerne im Array stehen um sie hinterher als EXCEL-Tabelle oder so speichern zu können.


' schrieb:Wobei ich mich schon die ganze Zeit frage, warum die inneren While-Schleifen bis i=1 laufen (also zwei Mal) und du in der Forschleife beim zweiten Durchlauf der Whileschleife die Werte aus dem ersten Durchgang ersetzt... Da ändert sich doch garnix... das ist überflüssig.
Gruß SeBa
Unser Ziel ist es zwei Arrays zu haben mit je ich sag einfach mal 64Werten eins für die Spannung, eins für den Strom.
Ich muss zugeben, dass wir bisher alles durch "fuckeln" gelöst haben.

' schrieb:Das was unicorn im Beitrag #14 zeigt wäre auch mein Vorgehen, leider weiß ich halt nicht was ihr immer mit den Teilarrays macht, evtl. braucht ihr den ersten Wert ja nicht. k.A.

Die Sache mit den Teilarrays haben wir uns überlegt, um die beiden Arrays hinterher speichern zu können.
Uns würde vollkommen ein Durchlauf reichen also 64 Werte unter einander, die wir dann speichern können und im xy-graph oder xy-plot ausgeben können.

' schrieb:Ein weiteres technisches Problem mit dem Programm ist, das Strom und Spannung nicht notwendigerweise zur gleichen Zeit abgetast werden. Beide Schleifen könnten unterschiedlich schnell laufen, weil zum Beispiel das Lesen eines der Spannungsmesser länger dauert als das des anderen. Also selbst wenn jetzt die Darstellung klappt kann es immer noch passieren, das die Kennlinie komisch aussieht.

Genau das wäre unser nächstes Problem, es ist mir auch schon aufgefallen, dass die Messwerte erheblich zeitversetzt sind nur ich bin bisher noch auf keine Lösung gekommen.

' schrieb:Um zur gleichen Zeit zu messen müssten die Spannungsmessgeräte hardware technisch getriggert werden.

Wie kann man soetwas realisieren oder ist die Softwaretechnische Lösung genauso gut? oder sind beide Verfahren anzuwenden?



MfG
Sebastian
Alle Beiträge dieses Benutzers finden
Diese Nachricht in einer Antwort zitieren to top
13.11.2009, 23:55
Beitrag #18

unicorn Offline
LVF-Freak
****


Beiträge: 680
Registriert seit: Jul 2009

8.6.1, 2010 - 2012
1994
EN

10xxx
Deutschland
Probleme mit XY-Darstellung
Für den hardwaretechnischen Trigger benötigt man einen Triggereingang. Ich kenne die Spannungsmessgeräte nicht näher, so dass ich nicht sagen kann, ob das mit denen geht. Das Handbuch sollte darüber jedoch Auskunft geben können. Dort ist dann sicherlich auch eine Skizze wie man das aufbaut.

Ich habe noch mal das VI mit reduzierter Schleifenanzahl zusammengestellt. Ich kann jedoch nicht sagen, ob es richtig funktioniert, da ich nicht weiß, was die 'Spannungsmessgeräte an Strings zurückliefern und ob ich sie jetzt richtig umwandle. Auch das Teilen durch die Dateiwerte habe ich unter den Tisch fallen lassen, da ich den Sinn nicht erkenne.

Das VI habe ich in LV 8.2 gespeichert.

Eine weitere Möglichkeit zur synchronen Messung von Strom und Spannung wäre statt einer Rampe eines Funktionsgenerators eine konstante Spannung zu erzeugen. Vielleicht kann man das auch mit dem Funktionsgenerator machen (Manual lesen!). Dann ließt man Strom und Spannung und gibt den nächsten Spannungswert aus. Alles in einer Schleife. Hier ist auf die Einschwingzeiten zu achten. Wie groß die sind weiß ich nicht aber vielleicht das Manual oder der Geräteeigentümer.


Angehängte Datei(en) Thumbnail(s)
   

Sonstige .vi  Diode_1.4.8.vi (Größe: 112,97 KB / Downloads: 227)
Alle Beiträge dieses Benutzers finden
Diese Nachricht in einer Antwort zitieren to top
15.11.2009, 16:30 (Dieser Beitrag wurde zuletzt bearbeitet: 15.11.2009 16:34 von LaMa.)
Beitrag #19

LaMa Offline
LVF-Neueinsteiger


Beiträge: 9
Registriert seit: Oct 2009

8.2.1
-
de

59757
Deutschland
Probleme mit XY-Darstellung
' schrieb:Auch das Teilen durch die Dateiwerte habe ich unter den Tisch fallen lassen, da ich den Sinn nicht erkenne.
Dazu haben wir uns entschieden, weil wir mit den Messgeräten nicht direkt den Strom messen können.
Also messen wir den Spannungsabfall über einen bekannten Widerstand, den wir in der Sequenz vorher messen.

Wie schaffe ich es jetzt, jeweils ein Array mit 100 Werten zu erzeugen?

MfG
Sebastian
Alle Beiträge dieses Benutzers finden
Diese Nachricht in einer Antwort zitieren to top
26.11.2009, 20:13
Beitrag #20

LaMa Offline
LVF-Neueinsteiger


Beiträge: 9
Registriert seit: Oct 2009

8.2.1
-
de

59757
Deutschland
Probleme mit XY-Darstellung
Hat noch jemand eine Idee?

Gruß
Sebastian
Alle Beiträge dieses Benutzers finden
Diese Nachricht in einer Antwort zitieren to top
30
Antwort schreiben 


Möglicherweise verwandte Themen...
Themen Verfasser Antworten Views Letzter Beitrag
  Signalabtastung mit 2kHz - Probleme bei der Darstellung!? derTetris 10 11.311 29.05.2007 07:05
Letzter Beitrag: derTetris

Gehe zu: