INFO: Dieses Forum nutzt Cookies...
Cookies sind für den Betrieb des Forums unverzichtbar. Mit der Nutzung des Forums erklärst Du dich damit einverstanden, dass wir Cookies verwenden.

Es wird in jedem Fall ein Cookie gesetzt um diesen Hinweis nicht mehr zu erhalten. Desweiteren setzen wir Google Adsense und Google Analytics ein.


Antwort schreiben 

Schiffe versenken - LED Eingabematrix



Wenn dein Problem oder deine Frage geklärt worden ist, markiere den Beitrag als "Lösung",
indem du auf den "Lösung" Button rechts unter dem entsprechenden Beitrag klickst. Vielen Dank!

01.02.2011, 11:01
Beitrag #11

McGonahy Offline
LVF-Gelegenheitsschreiber
**


Beiträge: 75
Registriert seit: Dec 2010

8.5
-
en

930xx
Deutschland
Schiffe versenken - LED Eingabematrix
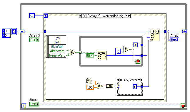
' schrieb:Hallo McG,
Mit einem Vergleichsoperator?

So, wie ich es mit Worten weiter oben beschrieben hatte:
[attachment=61223:check.png]

Anscheinend weiss ich noch nicht dass man links den alten und neuen Wert zu Verfügung hat :-( Jetz weiss ichs :-)

gesendet mit meinem Komputher
Alle Beiträge dieses Benutzers finden
Diese Nachricht in einer Antwort zitieren to top
Anzeige
01.02.2011, 11:16
Beitrag #12

GerdW Offline
______________
LVF-Team

Beiträge: 17.538
Registriert seit: May 2009

LV2019 (LV2021)
1995
DE_EN

10×××
Deutschland
Schiffe versenken - LED Eingabematrix
Hallo McG,

wenn ich einen neuen Eventcase "ValueChange" anlege, erscheinen diese Eventausgänge automatisch. Bei dir nicht?

Alle Beiträge dieses Benutzers finden
Diese Nachricht in einer Antwort zitieren to top
01.02.2011, 11:17
Beitrag #13

SeBa Offline
LVF-Guru
*****


Beiträge: 2.025
Registriert seit: Oct 2008

09SP1 & 10 FDS
2008
DE

65xxx
Deutschland
Schiffe versenken - LED Eingabematrix
Wieso willst du überhaupt wissen, welche LED gedrückt wurde (ich mein jetzt explizit bei dieser einen Aktion). Du musst nicht das alte mit dem neuen Array vergleichen, um dann zu wissen welche LED gedrückt wurde, damit du dann schauen kannst, ob es ein Treffer ist.

Es sollte doch reichen das "User-Click" Array mit dem "Hier-sind-die-Schiffe-drin" Array zu vergleichen. 8x8 LEDs, pff... die kannst du ruhig immer alle vergleichen und die Zustände in jedem Durchgang setzten.

Alternativ gabs hier auch schon mal den Ansatz per "Maus gedrückt" Event und den Koordinaten auf das Arrayelement rückzurechnen.


Ansonsten coole Idee:Dlass mal sehen, wenns was zu sehen gibt.


Gruß SeBa

Dieser Beitrag soll weder nützlich, informativ noch lesbar sein.

Er erhebt lediglich den Anspruch dort wo er ungenau ist, wenigstens eindeutig ungenau zu sein.
In Fällen größerer Abweichungen ist es immer der Leser, der sich geirrt hat.

Rette einen Baum!
Diesen Beitrag nur ausdrucken, wenn unbedingt nötig!
Alle Beiträge dieses Benutzers finden
Diese Nachricht in einer Antwort zitieren to top
01.02.2011, 11:20 (Dieser Beitrag wurde zuletzt bearbeitet: 01.02.2011 11:23 von McGonahy.)
Beitrag #14

McGonahy Offline
LVF-Gelegenheitsschreiber
**


Beiträge: 75
Registriert seit: Dec 2010

8.5
-
en

930xx
Deutschland
Schiffe versenken - LED Eingabematrix
Das ValueChange-Event führt er jedoch nur einmal aus, dann bleibt er da drin hängen und jede weitere Eingabe wird ignoriert?

gesendet mit meinem Komputher
Alle Beiträge dieses Benutzers finden
Diese Nachricht in einer Antwort zitieren to top
01.02.2011, 12:17
Beitrag #15

McGonahy Offline
LVF-Gelegenheitsschreiber
**


Beiträge: 75
Registriert seit: Dec 2010

8.5
-
en

930xx
Deutschland
Schiffe versenken - LED Eingabematrix
Wie kann ich in einem 2D Array mit LEDs auf die einzelen LEDs und deren Farben zugreifen?

gesendet mit meinem Komputher
Alle Beiträge dieses Benutzers finden
Diese Nachricht in einer Antwort zitieren to top
01.02.2011, 12:51 (Dieser Beitrag wurde zuletzt bearbeitet: 01.02.2011 12:52 von GerdW.)
Beitrag #16

GerdW Offline
______________
LVF-Team

Beiträge: 17.538
Registriert seit: May 2009

LV2019 (LV2021)
1995
DE_EN

10×××
Deutschland
Schiffe versenken - LED Eingabematrix
Hallo McG,

Zitat:dann bleibt er da drin hängen und jede weitere Eingabe wird ignoriert?
Solange ein Event abgearbeitet wird, ist das UI (per Default) gesperrt! Da gibt es bei der Event-Konfiguration ein kleines Häkchen weiter unten...

Zitat:Wie kann ich in einem 2D Array mit LEDs auf die einzelen LEDs und deren Farben zugreifen?
In einem Array haben alle Elemente die gleichen Eigenschaften und unterscheiden sich nur in ihrem Wert - d.h. alle LEDs haben die gleichen Farben, können aber einen anderen Schaltzustand anzeigen! Ist halt so und gilt für alle Arrays in LabVIEW...

Statt LEDs kannst du auch Farbboxen verwenden. Oder durchsichtige Schalter über Farbboxen. Oder durchsichtige Schalter über einem Intensitychart. Oder...

Alle Beiträge dieses Benutzers finden
Diese Nachricht in einer Antwort zitieren to top
Anzeige
01.02.2011, 12:56
Beitrag #17

McGonahy Offline
LVF-Gelegenheitsschreiber
**


Beiträge: 75
Registriert seit: Dec 2010

8.5
-
en

930xx
Deutschland
Schiffe versenken - LED Eingabematrix
Ist ein guter Tip mit den transparenten Schaltern/Farbboxen etc.

Mal sehen was ich da hinzaubern kann.

gesendet mit meinem Komputher
Alle Beiträge dieses Benutzers finden
Diese Nachricht in einer Antwort zitieren to top
01.02.2011, 14:10
Beitrag #18

SeBa Offline
LVF-Guru
*****


Beiträge: 2.025
Registriert seit: Oct 2008

09SP1 & 10 FDS
2008
DE

65xxx
Deutschland
Schiffe versenken - LED Eingabematrix
' schrieb:Mal sehen was ich da hinzaubern kann.

Paint.
PictureRing Array und boolsches Array (system, transparent) .. übereinander.

   

   

Treffer werden per Zufall generiert.

Lv85_img
Sonstige .vi  Schiffe_Versenken.vi (Größe: 22,32 KB / Downloads: 303)


Gruß SeBa

EDIT:
Würd noch den Hintergrund des PictureRing Arrays in irgendeinem Blau färben:Dsieht besser aus.

Dieser Beitrag soll weder nützlich, informativ noch lesbar sein.

Er erhebt lediglich den Anspruch dort wo er ungenau ist, wenigstens eindeutig ungenau zu sein.
In Fällen größerer Abweichungen ist es immer der Leser, der sich geirrt hat.

Rette einen Baum!
Diesen Beitrag nur ausdrucken, wenn unbedingt nötig!
Alle Beiträge dieses Benutzers finden
Diese Nachricht in einer Antwort zitieren to top
01.02.2011, 17:10
Beitrag #19

McGonahy Offline
LVF-Gelegenheitsschreiber
**


Beiträge: 75
Registriert seit: Dec 2010

8.5
-
en

930xx
Deutschland
Schiffe versenken - LED Eingabematrix
Wegen der Oberfläche mach ich mir dann noch am Schluss so meine Gedanken. Bin grad an der dem Algorithmus des Gegners (Computer) dran wenn er auf meine Schiffe schießt. Dazu hab ich wieder mal eine generelle Frage:

* Wenn ich mit Variablen/Flas im Subvi arbeite, ergo vom Main-Vi ins Sub-Vi springe, dort ändere ich z.b. ein Array mit boolschen Werten ab, dann würd ich die gern so im SubVi abspeichern, ohne jetzt über globale Variablen und Werteübergaben zum Mainvi. Wie funktioniert das?

Meine Gui sieht momentan noch so aus :-)

   

gesendet mit meinem Komputher
Alle Beiträge dieses Benutzers finden
Diese Nachricht in einer Antwort zitieren to top
01.02.2011, 17:14
Beitrag #20

GerdW Offline
______________
LVF-Team

Beiträge: 17.538
Registriert seit: May 2009

LV2019 (LV2021)
1995
DE_EN

10×××
Deutschland
Schiffe versenken - LED Eingabematrix
Hallo McG,

Zitat:würd ich die gern so im SubVi abspeichern, ohne jetzt über globale Variablen und Werteübergaben zum Mainvi
Dann nimm doch Schieberegister/FeedbacknodesSmile

Alle Beiträge dieses Benutzers finden
Diese Nachricht in einer Antwort zitieren to top
Antwort schreiben 


Gehe zu: