|
17.04.2007, 18:54
|
|
|
|
|
17.04.2007, 19:10
|
Y-P
☻ᴥᴥᴥ☻ᴥᴥᴥ☻
Beiträge: 12.612
Registriert seit: Feb 2006
Developer Suite Core -> LabVIEW 2015 Prof.
2006
EN
71083
Deutschland
|
Jeder Messwert soll mit Uhrzeit gespeichert werden
Halli-Hallo,
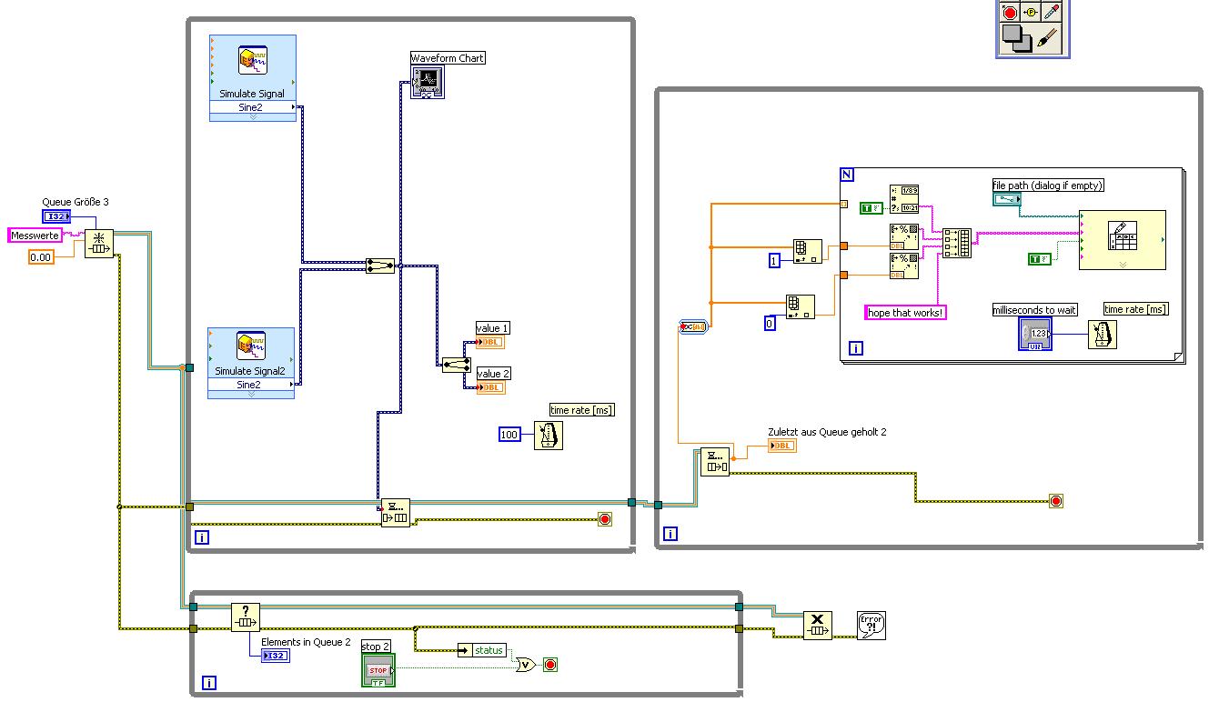
schau' Dir doch mal mein Beispiel an. Da siehst Du, wie das mit den Queues funktioniert. Vielleicht hilft's weiter.
Gruß Markus
--------------------------------------------------------------------------
Bitte stellt mir keine Fragen über PM, dafür ist das Forum da - andere haben vielleicht auch Interesse an der Antwort !!
--------------------------------------------------------------------------
|
|
|
|
|
18.04.2007, 18:23
|
bubi
LVF-Grünschnabel

Beiträge: 24
Registriert seit: Apr 2007
8.2
2007
kA
United States
|
Jeder Messwert soll mit Uhrzeit gespeichert werden
Hey,
super! :top:
@derTetris: die Lösung funktioniert!
Hab noch eine Verständnisfrage: Wusste gar nicht das man direkt aus Graphen Variablen bzw. property nodes erstellen kann und diese dann alle Werte weiter geben in eine andere Schleife.
Hab es mit ner lokalen Variablen versucht, scheint auch zu gehen. Du hast allerdings ne property node genommen, hat das Vorteile? Evt. kannst du mir ja erklären warum.
@Achim: werde deinen Vorschlag gleich auch mal probieren. Finde die Lösung mit den queues allerdings recht unübersichtlich. Zum lernen aber sicherlich gut.... oder hat das gegenüber der Lösung von derTetris noch andere Vorteile wenn man mit queues arbeitet?
Nochmals tausend Dank-ihr seid echt super Leute!
Robin
seize the day-or tomorrow you maybe dead
|
|
|
|
|
19.04.2007, 06:44
|
|
|
|
|
19.04.2007, 07:23
|
|
|
|
| |