INFO: Dieses Forum nutzt Cookies...
Cookies sind für den Betrieb des Forums unverzichtbar. Mit der Nutzung des Forums erklärst Du dich damit einverstanden, dass wir Cookies verwenden.

Es wird in jedem Fall ein Cookie gesetzt um diesen Hinweis nicht mehr zu erhalten. Desweiteren setzen wir Google Adsense und Google Analytics ein.


Antwort schreiben 

Dieses Thema hat akzeptierte Lösungen:

UPD-Multicast-Empfänger



Wenn dein Problem oder deine Frage geklärt worden ist, markiere den Beitrag als "Lösung",
indem du auf den "Lösung" Button rechts unter dem entsprechenden Beitrag klickst. Vielen Dank!

24.09.2014, 14:53
Beitrag #41

GerdW Offline
______________
LVF-Team

Beiträge: 17.534
Registriert seit: May 2009

LV2019 (LV2021)
1995
DE_EN

10×××
Deutschland
RE: UPD-Multicast-Empfänger
Hallo lola,

*.mnu sind üblicherweise Menü-Beschreibungen für die LabVIEW-Funktionspaletten. Das sind jedenfalls keine Beispiel-VIs…

Alle Beiträge dieses Benutzers finden
Diese Nachricht in einer Antwort zitieren to top
Anzeige
24.09.2014, 15:33
Beitrag #42

lola2014 Offline
LVF-Gelegenheitsschreiber
**


Beiträge: 114
Registriert seit: May 2014

2013
2014
DE



RE: UPD-Multicast-Empfänger
danke GerdW,
welche Beispiele gibt es in Labview über Modbus TCP?. Nach einer Schnelle Suche habe ich dieses(Projekt: Simple TCP gefunden. Kann ich das verwenden?
Gruss Lola
Alle Beiträge dieses Benutzers finden
Diese Nachricht in einer Antwort zitieren to top
24.09.2014, 15:54 (Dieser Beitrag wurde zuletzt bearbeitet: 24.09.2014 15:55 von jg.)
Beitrag #43

jg Offline
CLA & CLED
LVF-Team

Beiträge: 15.864
Registriert seit: Jun 2005

20xx / 8.x
1999
EN

Franken...
Deutschland
RE: UPD-Multicast-Empfänger
Such mal im LVF nach Modbus, sollte eine ganze Reihe von Threads geben.

Ich verwende für Modbus TCP immer noch gerne diese API: http://www.ni.com/example/29756/en/
Eine weitere kostenlose API gibt es hier: https://decibel.ni.com/content/docs/DOC-30140

Auf ni.com gibt es eine Reihe von White Papers zu Modbus, z.B. hier: http://www.ni.com/white-paper/52204/en/

EDIT: Du kannst natürlich auch gerne mit dem Simple TCP Bsp anfangen und das Protokoll nachprogrammieren. Viel Spaß, dann vielleicht doch UDP Receiver...

Gruß, Jens

Wer die erhabene Weisheit der Mathematik tadelt, nährt sich von Verwirrung. (Leonardo da Vinci)

!! BITTE !! stellt mir keine Fragen über PM, dafür ist das Forum da - andere haben vielleicht auch Interesse an der Antwort!

Einführende Links zu LabVIEW, s. GerdWs Signatur.
Alle Beiträge dieses Benutzers finden
Diese Nachricht in einer Antwort zitieren to top
25.09.2014, 10:05
Beitrag #44

lola2014 Offline
LVF-Gelegenheitsschreiber
**


Beiträge: 114
Registriert seit: May 2014

2013
2014
DE



RE: UPD-Multicast-Empfänger
Moin
hier ist ein Fazit zu diesem Thema:
mit der Methode UPD funktioniert die Datenübertragung vom Gapcontrol to LabVIEW einwandfrei. Man muss nur drauf achten, wenn man zum Beispiel mehrere Sensoren hat, dass jeder Sensor eigenen Port hat. Aber diese Methode hat mir nicht geholfen, da ich nicht alle Sensoren auf einmal ansprechen kann. Ich muss immer an das Programm gabcontrol zurück, und jeder einzelner Sensor verbinden und eigner Port definieren.
Nach einem Telefonat mit Micro Epsilon, haben die mir einen Modbus Simulator geschickt, der alle Messdaten von den Sensoren speichert. Und den kann ich nur mit den Modbus TCP ansprechen. Dazu haben die auch ein Beispiel geschickt. Aber das Beispiel funktioniert immer noch nicht bei mir.
Ich werde weiter versuchen bis ich das Beispiel zum laufen bringen……
SG
Lola


Angehängte Datei(en) Thumbnail(s)
           
Alle Beiträge dieses Benutzers finden
Diese Nachricht in einer Antwort zitieren to top
25.09.2014, 14:22
Beitrag #45

lola2014 Offline
LVF-Gelegenheitsschreiber
**


Beiträge: 114
Registriert seit: May 2014

2013
2014
DE



RE: UPD-Multicast-Empfänger
Hallo lieber Jens und GerdW,
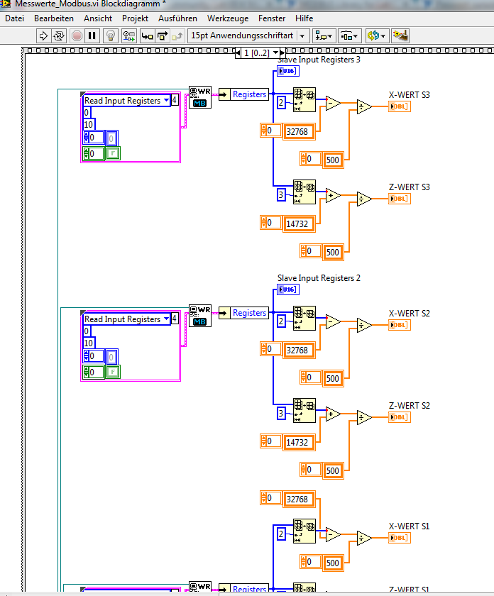
mir war es zu Kompliziert das Beispiel vom µEpsilon zu bearbeiten, deswegen habe ich das Programm geschrieben(sieh Anhang). Der funktioniert und ich bin damit zufrieden. Wenn Ihr paar Bemerkungen habt, nehme ich die gern an.
Gruß Lola


Angehängte Datei(en) Thumbnail(s)
   

13.0 .vi  Messwerte_Modbus.vi (Größe: 27,43 KB / Downloads: 266)
Alle Beiträge dieses Benutzers finden
Diese Nachricht in einer Antwort zitieren to top
25.09.2014, 14:45
Beitrag #46

GerdW Offline
______________
LVF-Team

Beiträge: 17.534
Registriert seit: May 2009

LV2019 (LV2021)
1995
DE_EN

10×××
Deutschland
RE: UPD-Multicast-Empfänger
Hallo Lola,

probier doch mal IndexArray statt ArraySubset aus, wenn du einzelne Elemente eines Arrays auswerten willst…

Alle Beiträge dieses Benutzers finden
Diese Nachricht in einer Antwort zitieren to top
Anzeige
25.09.2014, 15:27
Beitrag #47

lola2014 Offline
LVF-Gelegenheitsschreiber
**


Beiträge: 114
Registriert seit: May 2014

2013
2014
DE



RE: UPD-Multicast-Empfänger
(25.09.2014 14:45 )GerdW schrieb:  Hallo Lola,

probier doch mal IndexArray statt ArraySubset aus, wenn du einzelne Elemente eines Arrays auswerten willst…

hallo GerdW,
habe ich, danke
SG Lola
Alle Beiträge dieses Benutzers finden
Diese Nachricht in einer Antwort zitieren to top
Antwort schreiben 


Möglicherweise verwandte Themen...
Themen Verfasser Antworten Views Letzter Beitrag
  Von LV aus "Senden an --> E-Mail Empfänger" Marcusius 5 7.397 29.08.2011 06:22
Letzter Beitrag: Ome
  LAN-Verbindung zwischen PC und IR-Empfänger stsp 9 12.573 23.04.2009 22:29
Letzter Beitrag: stsp

Gehe zu: