Wenn dein Problem oder deine Frage geklärt worden ist, markiere den Beitrag als "Lösung",
indem du auf den "Lösung" Button rechts unter dem entsprechenden Beitrag klickst. Vielen Dank!
|
12.06.2012, 10:32
|
GerdW
______________
Beiträge: 17.538
Registriert seit: May 2009
LV2019 (LV2021)
1995
DE_EN
10×××
Deutschland
|
RE: Graph aus VISA
Hallo,
dann habe ich wohl die Ende-Bedingung der Whileschleife falsch angegeben. Sorry, kann aber vorkommen, wenn man's selber nicht testen kann...
Wie du das abändern kannst, wirst du wohl selbst herausfinden?!
|
|
|
|
|
12.06.2012, 10:54
|
Diabolik666
LVF-Gelegenheitsschreiber
 
Beiträge: 166
Registriert seit: May 2012
8.2
-
DE
|
RE: Graph aus VISA
Ich habe die Ende Bedingung der while Schleife auf true umgestellt jedoch werden die Messwerte immernoch nicht angezeigt. Nun weiß ich auch nicht mehr woran es noch liegen könnte.
|
|
|
|
|
12.06.2012, 12:33
|
Diabolik666
LVF-Gelegenheitsschreiber
 
Beiträge: 166
Registriert seit: May 2012
8.2
-
DE
|
RE: Graph aus VISA
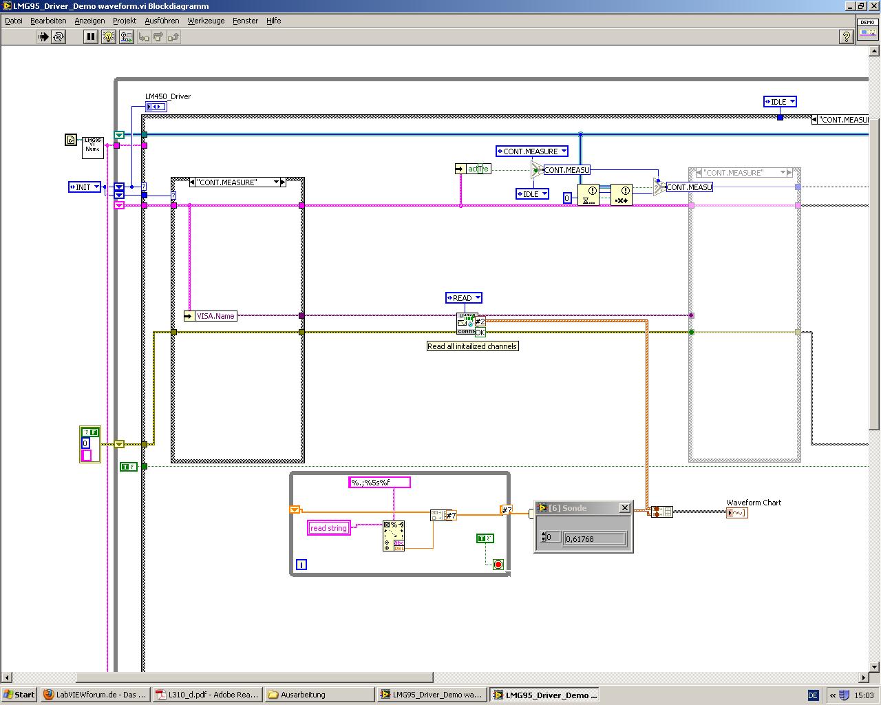
Also ich bin nochmal im Highlightmodus rein und habe geschaut nachdem ich die while schleife auf true gemacht habe und nun sehe ich wie er für die Spannung UAC (also AC anteil von spannung U auf Kanal 1) die Messwerte kontinuierlich bekommt und auch weitergibt an waveform. Nur leider erscheint nun wenn ich den Graph öffne nichts mehr außer ein leerer Graph.
Beenden lässt sich das Programm jetzt wie gewohnt auch wieder.
Ich denke vielleicht liegt es daran, dass das Programm so aufgebaut ist dass man die Spannung wählen muss sonst zeichnet er diese auch nicht auf und die Spannungen vom anderm Messgerät sind ja nicht in 'data select' drinne (wo die vom anderem aber drinn sind).
Für jede Hilfe bin ich dankbar.
|
|
|
|
|
12.06.2012, 13:56
|
Diabolik666
LVF-Gelegenheitsschreiber
 
Beiträge: 166
Registriert seit: May 2012
8.2
-
DE
|
RE: Graph aus VISA
okay neue Vermutung von mir :
Im Highlightmodus kann ich ja sehen was ankommt und da kommt zb. an UAC+1...E-2 und zwar nur Werte von UAC.
Nun kann es doch möglich sein, dass ich nochmal wandeln muss also dass waveform nur den Wert versteht also +1...E-2 ohne das UAC davor ? Vielleicht liegt es also an Format String ?
|
|
|
|
|
12.06.2012, 14:25
|
GerdW
______________
Beiträge: 17.538
Registriert seit: May 2009
LV2019 (LV2021)
1995
DE_EN
10×××
Deutschland
|
RE: Graph aus VISA
Hallo Diabolik,
Zitat:Waveform bekommt von beiden Messgeräten die Messwerte nur einmal nur als Zahlenwert(siehe Screenshot waveform 2) und einmal mit Zahlenwert und dt und t0 (siehe Screenshot waveform1) Weiß jemand ob das was ausmacht oder ob daran das Problem liegen könnte?
Ja klar macht das was aus. Du solltest schon ein korrektes t0 und dt setzen...
|
|
|
|
|
12.06.2012, 14:48
|
Diabolik666
LVF-Gelegenheitsschreiber
 
Beiträge: 166
Registriert seit: May 2012
8.2
-
DE
|
RE: Graph aus VISA
ja die Frage ist nun wie setze ich ein korrektes dt und t0 ? Sehe ich das richtig dass ich es bei Signalverlauf erstellen setzen muss ?
|
|
|
|
|
12.06.2012, 14:52
|
GerdW
______________
Beiträge: 17.538
Registriert seit: May 2009
LV2019 (LV2021)
1995
DE_EN
10×××
Deutschland
|
RE: Graph aus VISA
Hallo diabolik,
ja, das siehst du richtig.
t0 sollte die Startzeit der Messung sein, dt das Sampleintervall...
|
|
|
|
|
12.06.2012, 15:33
|
Diabolik666
LVF-Gelegenheitsschreiber
 
Beiträge: 166
Registriert seit: May 2012
8.2
-
DE
|
RE: Graph aus VISA
habe nun für t0 als konstante 0 gemacht und dt habe ich einfach konstante erstellen und des so übernommen.
Problem besteht aber weiterhin ...
|
|
|
|
|
13.06.2012, 08:09
|
Diabolik666
LVF-Gelegenheitsschreiber
 
Beiträge: 166
Registriert seit: May 2012
8.2
-
DE
|
RE: Graph aus VISA
Hallo GerdW,
hast du nun keine Idee mehr woran es noch liegen könnte?
|
|
|
|
| |