INFO: Dieses Forum nutzt Cookies...
Cookies sind für den Betrieb des Forums unverzichtbar. Mit der Nutzung des Forums erklärst Du dich damit einverstanden, dass wir Cookies verwenden.

Es wird in jedem Fall ein Cookie gesetzt um diesen Hinweis nicht mehr zu erhalten. Desweiteren setzen wir Google Adsense und Google Analytics ein.


Antwort schreiben 

2 dimensionales Double-Array -> Listbox



Wenn dein Problem oder deine Frage geklärt worden ist, markiere den Beitrag als "Lösung",
indem du auf den "Lösung" Button rechts unter dem entsprechenden Beitrag klickst. Vielen Dank!

11.06.2009, 16:57
Beitrag #1

theodrin Offline
LVF-Gelegenheitsschreiber
**


Beiträge: 70
Registriert seit: May 2006

7.1, 8.2
2006
kA


Oesterreich
2 dimensionales Double-Array -> Listbox
Hallo!

Ich versuch gerade irgendwie Daten von einem 2 Dimensionalen Double Array in eine Listbox zu transportieren weil das doch praktischer zu ansehen ist als wie in Arraydarstellung.
Was mach ich genau: Ich bekomm Daten (4 Werte) vom Oszilloskop. Und jetzt will ich eine langzeitmessung machen. Dazu hol ich mir eben immer zu einer bestimmten Zeit die Werte und schreib sie ins Array dazu. Die Array-Darstellung hab ich gewählt, weil man dann ganz einfach die Werte in ein File schreiben kann und z.B. irgendwo anders weiterverarbeiten kann.
Aber wenn ich mir die Werte in der VI anschauen will dann wär da ja eine listbox viel schöner als eine Arraydarstellung. Also das kann ja nicht so schwierig sein, dachte ich, aber irgendwie geht das nicht.
Wär toll, wenn ihr mir da sagen könnts wie man das macht. Müsste ja eigentlich nicht so schwierig sein.
Häng das Testfile dazu, damits klarer wird was gemeint ist. Sollte ziemlich selbsterklärend sein die VI.
Programmiert hab ich mit Version 8.2, keine speziellen VIs also sollte überall ab 8.2 laufen.

Und wenns wen interessiert und wer das auch zufällig weiß: Wenn ich 1sekunde warte (mit wait) dann wartet das System ja "nicht wirkich" eine sekunde oder? Das kommt ja alles auf die Auslastung vom Rechner an, oder? Und außerdem muss ich da ja auch noch die Laufzeit miteinbeziehen die ja auch nicht mehr vernachlässigbar ist, wenn ich mir 4 Werte vom Oszilloskop hole. Also wird meine ms-Variante, die ihr in dieser VI seht müll sein. Die hab ich nur damit man nicht so lang warten muss. So und jetzt: Kann ich irgendwie die Laufzeit von den Messungen des Oszis bestimmen mit LabVIEW, bzw. die Laufzeit von einem Schleifendurchlauf? Damit ich wenigstens die mit rein nehme, die anderen von Rechnerauslastung werden schon nicht so groß sein, denk ich.


Angehängte Datei(en)
Sonstige .vi  Listbox_Test.vi (Größe: 37,32 KB / Downloads: 312)
Alle Beiträge dieses Benutzers finden
Diese Nachricht in einer Antwort zitieren to top
Anzeige
11.06.2009, 18:06
Beitrag #2

jg Offline
CLA & CLED
LVF-Team

Beiträge: 15.864
Registriert seit: Jun 2005

20xx / 8.x
1999
EN

Franken...
Deutschland
2 dimensionales Double-Array -> Listbox
Du musst in die PropertyNode "ItemNames" was reinschreiben:
   

--

Du verwendest ja die Funktion "Wait until Next ms Multiple". Bitte mal die Hilfe hierzu genau durchlesen:
   

Ansonsten ist die Wait-Funktion "relativ" genau, solange der Computer nicht mit anderen Dingen zu beschäftigt ist.

Gruß, Jens

Wer die erhabene Weisheit der Mathematik tadelt, nährt sich von Verwirrung. (Leonardo da Vinci)

!! BITTE !! stellt mir keine Fragen über PM, dafür ist das Forum da - andere haben vielleicht auch Interesse an der Antwort!

Einführende Links zu LabVIEW, s. GerdWs Signatur.
Alle Beiträge dieses Benutzers finden
Diese Nachricht in einer Antwort zitieren to top
11.06.2009, 19:38
Beitrag #3

theodrin Offline
LVF-Gelegenheitsschreiber
**


Beiträge: 70
Registriert seit: May 2006

7.1, 8.2
2006
kA


Oesterreich
2 dimensionales Double-Array -> Listbox
Ok, hab jetzt einfach jede Zahl einzeln in einen String umgewandelt, in ein Array..., das selbe wie beim anderen Array ... + Property Node ItemNames. Haut auch so hin wie ich mir das vorgestellt hab.
Aber noch mal kurz zu der Metronom-Funktion: Ich kapier das nicht ganz. Bewirkt die dass nach Erreichen des nächsten Multiple die Schleife von vorne wieder losläuft, also quasi auf muss? Was passiert dann allgemein, wenn die Aktionen in der Schleife länger dauern?
Alle Beiträge dieses Benutzers finden
Diese Nachricht in einer Antwort zitieren to top
11.06.2009, 20:55
Beitrag #4

ImExPorty Offline
LVF-Freak
****


Beiträge: 572
Registriert seit: Jan 2008

8.6
2001
kA

65934
Deutschland
2 dimensionales Double-Array -> Listbox
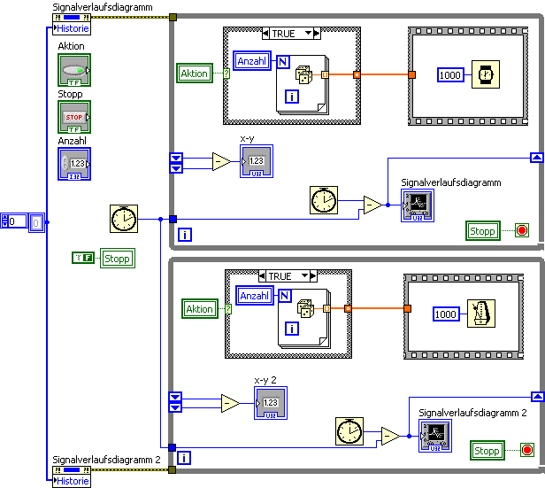
etwas zum (Er-)Spielen:
   
   

Lv85_img
Sonstige .vi  WartenVarianten.vi (Größe: 28,42 KB / Downloads: 289)

1 Postingempfehlungen, 2 Motivation
Fragen und Anpassungswünsche per PM werden, gegen Rechnungsstellung gerne beantwortet und realisiert ....wenn's dann doch kostenlos sein soll... bitte hier im LVF unter Berücksichtigung der voranstehenden Links posten.
Webseite des Benutzers besuchen Alle Beiträge dieses Benutzers finden
Diese Nachricht in einer Antwort zitieren to top
30
Antwort schreiben 


Möglicherweise verwandte Themen...
Themen Verfasser Antworten Views Letzter Beitrag
  synchroner Zugriff auf double variable Bitshifter 21 14.629 29.11.2013 20:49
Letzter Beitrag: Bitshifter
  n/10 - Dimensionales Array, xy Graphen und Hystheresen. akoKE 13 12.224 30.01.2013 11:42
Letzter Beitrag: GerdW
  Double Messwert kontinuierlich in Waveform umwandeln Snowball 5 7.620 26.04.2012 08:26
Letzter Beitrag: GerdW
  Waveform aus numerischem Double erstellen Mazzzze 5 9.455 14.07.2011 13:56
Letzter Beitrag: jg

Gehe zu: