INFO: Dieses Forum nutzt Cookies...
Cookies sind für den Betrieb des Forums unverzichtbar. Mit der Nutzung des Forums erklärst Du dich damit einverstanden, dass wir Cookies verwenden.

Es wird in jedem Fall ein Cookie gesetzt um diesen Hinweis nicht mehr zu erhalten. Desweiteren setzen wir Google Adsense und Google Analytics ein.


Antwort schreiben 

25 Pin D-SUB Stecker für C-Serien Modul mit interner Elektronik???



Wenn dein Problem oder deine Frage geklärt worden ist, markiere den Beitrag als "Lösung",
indem du auf den "Lösung" Button rechts unter dem entsprechenden Beitrag klickst. Vielen Dank!

03.04.2012, 08:20
Beitrag #1

Holg Offline
LVF-Grünschnabel
*


Beiträge: 39
Registriert seit: Feb 2012

2011
2012
DE



25 Pin D-SUB Stecker für C-Serien Modul mit interner Elektronik???
Hallo,
ich habe mal eine Frage zu den 25 Pin D-Sub Anschlüssen der C-Serien-Module.

Ich hab eine 5V TTL Baugruppe (NI 9401) bestellt!
Hierfür gibt es passende Kabel von NI für ca. 100€.
Beinhalten diese noch eine Elektronik oder kann ich hierfür auch einen gewöhnlichen D-SUB Stecker von Conrad nehmen?
Das gleiche für den D-SUB Pinout (NI 9924).

Hat jemand schon Erfahrungen gemacht?
Alle Beiträge dieses Benutzers finden
Diese Nachricht in einer Antwort zitieren to top
Anzeige
03.04.2012, 08:27
Beitrag #2

GerdW Offline
______________
LVF-Team

Beiträge: 17.534
Registriert seit: May 2009

LV2019 (LV2021)
1995
DE_EN

10×××
Deutschland
RE: 25 Pin D-SUB Stecker für C-Serien Modul mit interner Elektronik???
Hallo Holg,

das sind Standard-SubD-Stecker/Buchsen, die NI bei den cRIO-Modulen verwendet. Die Conrad-Teile passen da genauso rein!

Ist halt immer eine Abschätzung, was teurer ist: ein fertiges Kabel kaufen und auf Länge schneiden oder selbst ein Weilchen damit beschäftigt sein (Arbeitsstunden!), um z.B. 37 Drähte abzuisolieren und an einen 1€-Stecker zu löten...

Alle Beiträge dieses Benutzers finden
Diese Nachricht in einer Antwort zitieren to top
03.04.2012, 08:49
Beitrag #3

Achim Offline
*****
*****


Beiträge: 4.226
Registriert seit: Nov 2005

20xx
2000
EN

978xx
Deutschland
RE: 25 Pin D-SUB Stecker für C-Serien Modul mit interner Elektronik???
(03.04.2012 08:20 )Holg schrieb:  Hierfür gibt es passende Kabel von NI für ca. 100€...
...Das gleiche für den D-SUB Pinout (NI 9924)

Ich hab ein paar Mal den "Stecker mit Schraubklemmen" verwendet...das geht zügig, weil man eben seine eigenen Leitungen einfach anschrauben kann, ohne lange rumzuöten. Alternativ könnte man natürlich selber ein Kabel löten oder ein fertiges nehmen, allerdings muss man ja irgendwo auch mal seine realen Signale einschleifen, z.B. über einen zusätzlichen Konnektorblock...den man dann auch wieder irgendwo befestigen muss und der ja auch Geld kostet. In einer Anlage irgendwas direkt anzulöten halte ich für nicht praxisgerecht, weil man immer mal damit rechnen muss, ein Kabel auszutauschen oder auch ein zusätzliches Signal dazu zu nehmen! Und dann fängt die Bastelei wieder an...

A.

"Is there some mightier sage, of whom we have yet to learn?"

"Opportunity is missed by most people because it is dressed in overalls and looks like work." (Thomas Edison)
Alle Beiträge dieses Benutzers finden
Diese Nachricht in einer Antwort zitieren to top
03.04.2012, 11:58
Beitrag #4

Holg Offline
LVF-Grünschnabel
*


Beiträge: 39
Registriert seit: Feb 2012

2011
2012
DE



RE: 25 Pin D-SUB Stecker für C-Serien Modul mit interner Elektronik???
Danke für Eure Antworten. Ich werd trotzdem nicht den Stecker von NI verwenden. Einfach aus kosten Gründen. Die Rio befindet sich auch in einem Versuchstand in welchem eh immer rumgebastelt werden kann.
Ich war mir nur nicht so sicher ob in diesen Steckern nicht noch was anderes drin ist. Vielleicht erkläre ich euch kurz mal meine Zweifel:

Ich will mit der NI 9401(5V TTL Pegel) Baugruppe einen Energiezähler auslesen. Dieser gibt pro 1kWh 1000 Pulse, mit einer Länge von 50µs, aus. Datenblatt und Schaltung hab ich mal angehängt. Nun wollte ich an Stelle von R1 die Rio(NI 9401) einhängen. Dies geht aber nicht, da hierdurch der Strom zu hoch werden würde. Also habe ich für R1 einen 20kOhm Widerstand genommen und die NI 9401 parallel angehängt. Nun hab ich folgendes Problem: wenn ich die NI 9401 auf "None" konfiguriere, also einfach die Boolean Werte ausgeben, kommen die Takte zwar an der Rion an, jedoch kann Labview diese anscheinen nicht auswerten. Wenn ich die NI9401 jedoch als Counter konfiguriere und einen Filter mit 4096µs einstelle, dann bekomme ich einen Wert, welcher auch hochzählt. Irgenwie schein es mir so als ob die Impulse nicht richtig ausgewertet werden können? Das ganze hab ich dann mal mit dem Oszi nachgemessen. Hiebei war zu sehen, dass neben der Taktung des Energiezähler, auch die NI9401 Takte ausgibt.Diese dienen wahrscheinlich der Abtastung. Daher meine Zweifel.

Sorry, war nen bißchen kompliziert zu erklären.


MFG
Holg


Angehängte Datei(en) Thumbnail(s)
   

0.0 .pdf  IB7E23.pdf (Größe: 708,56 KB / Downloads: 486)
Alle Beiträge dieses Benutzers finden
Diese Nachricht in einer Antwort zitieren to top
03.04.2012, 13:24 (Dieser Beitrag wurde zuletzt bearbeitet: 03.04.2012 13:28 von Achim.)
Beitrag #5

Achim Offline
*****
*****


Beiträge: 4.226
Registriert seit: Nov 2005

20xx
2000
EN

978xx
Deutschland
RE: 25 Pin D-SUB Stecker für C-Serien Modul mit interner Elektronik???
(03.04.2012 11:58 )Holg schrieb:  Ich werd trotzdem nicht den Stecker von NI verwenden. Einfach aus kosten Gründen. Die Rio befindet sich auch in einem Versuchstand in welchem eh immer rumgebastelt werden kann.
IMHO viel zu kurzfristig gedacht! Wenn da doch ständig rumgebastelt wird, ist es doch noch viel einfacher, nicht immer löten zu müssen, sondern die Messleitungen/Signale nur per Schraubklemme anschließen zu können. Alles andere belastet doch das Stundenkonto umso mehr...

(03.04.2012 11:58 )Holg schrieb:  Nun wollte ich an Stelle von R1 die Rio(NI 9401) einhängen. Dies geht aber nicht, da hierdurch der Strom zu hoch werden würde
Welcher Strom denn? Was kann deine Ausgabegerät denn liefern, bzw. was zieht das Modul auf einem Digital Input?

(03.04.2012 11:58 )Holg schrieb:  wenn ich die NI 9401 auf "None" konfiguriere, also einfach die Boolean Werte ausgeben,
Kapier ich nicht...welche "Boolean Werte" denn?

(03.04.2012 11:58 )Holg schrieb:  Hiebei war zu sehen, dass neben der Taktung des Energiezähler, auch die NI9401 Takte ausgibt.Diese dienen wahrscheinlich der Abtastung.
Wo hast du diese zusätzlichen Takte gemessen? Auf dem DI-Pin am Modul? Kannst du da mal ein Bild posten?



Generell kann man sagen: Diese DIO-Module sind prädestiniert, Pulse per Counter zu zählen. Das ist eine der grundlegendsten "Messungen" die man damit machen kann und auch sehr einfach und mit zahlreichen Beispielen in LV beschrieben. Gut...wie man das mit (compact)RIO macht, weiß ich nicht...aber auch dafür gibts sicher Beispiele auf ni.com

"Is there some mightier sage, of whom we have yet to learn?"

"Opportunity is missed by most people because it is dressed in overalls and looks like work." (Thomas Edison)
Alle Beiträge dieses Benutzers finden
Diese Nachricht in einer Antwort zitieren to top
04.04.2012, 09:15
Beitrag #6

Holg Offline
LVF-Grünschnabel
*


Beiträge: 39
Registriert seit: Feb 2012

2011
2012
DE



RE: 25 Pin D-SUB Stecker für C-Serien Modul mit interner Elektronik???
OK, war vielleicht ein bißchen kompliziert geschrieben.
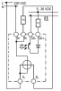
Die Schaltung habe ich wie im Bild unten gelöst! Der Widerstand R1 soll den Strom durch die Baugruppe begrenzen, da diese max. 20mA ab kann.
Zur Konfiguration: die Baugruppe in den Eigenschaften auf None! (also nicht als Counter,PWM usw.)
Demzufolge bekomme ich die Impulse in meinem Programnm so angezeigt wie sie tatsächlich kommen. Über einen Softwarecounter lass ich diese dann zählen und bekomme so meine Anzeige in kWh.(Vorteil bei dem Softwarecounter ist, dass dieser sich jederzeit zurücksetzen lässt)
Hatte zu beginn den Fehler gemacht und wollte die Pulse über R1 abnehmen. Hier hab ich auch die "Stör-Impulse" gemessen. War eine einfaches Masseproblem.
Danke für eure Tipps!!


Angehängte Datei(en) Thumbnail(s)
   
Alle Beiträge dieses Benutzers finden
Diese Nachricht in einer Antwort zitieren to top
04.04.2012, 10:26
Beitrag #7

Achim Offline
*****
*****


Beiträge: 4.226
Registriert seit: Nov 2005

20xx
2000
EN

978xx
Deutschland
RE: 25 Pin D-SUB Stecker für C-Serien Modul mit interner Elektronik???
(04.04.2012 09:15 )Holg schrieb:  Demzufolge bekomme ich die Impulse in meinem Programnm so angezeigt wie sie tatsächlich kommen. Über einen Softwarecounter lass ich diese dann zählen und bekomme so meine Anzeige in kWh.(Vorteil bei dem Softwarecounter ist, dass dieser sich jederzeit zurücksetzen lässt)

Hm...und wie werden die dann erfasst? Irgend ne Abtastung musst du ja machen...

Den SW-Counter kannst du zwar jederzeit zurücksetzen...aber da dürfen die Pulse halt nicht so schnell kommen!

Ah...du verwendest die Module in nem cRIO-Chassis, gelle? Daher auch die Konfiguration...d.h. du hast den SW-Counter in den FPGA gebritzelt...also doch wieder nen HW-Counter gebaut!

A.

"Is there some mightier sage, of whom we have yet to learn?"

"Opportunity is missed by most people because it is dressed in overalls and looks like work." (Thomas Edison)
Alle Beiträge dieses Benutzers finden
Diese Nachricht in einer Antwort zitieren to top
04.04.2012, 10:32
Beitrag #8

F.Bi Offline
LVF-Gelegenheitsschreiber
**


Beiträge: 152
Registriert seit: Oct 2007

LabView 2016
2007
EN

55218
Deutschland
RE: 25 Pin D-SUB Stecker für C-Serien Modul mit interner Elektronik???
Zum "Basteln" bieten sich Klemmblöcke an, die müssen nicht von NI sein, Phoenix Contakt bietet da auch einiges an, z.B. mal nach FLKM suchen. Die sind zwar auch nicht gerade billig, aber sehr praktisch. Die DIO gibt es auch Module mit LED. Die Klemmblöcke kannst du mit günstigen "Conrad"kabel anschließen.

Gruß
Frank
Alle Beiträge dieses Benutzers finden
Diese Nachricht in einer Antwort zitieren to top
Antwort schreiben 


Möglicherweise verwandte Themen...
Themen Verfasser Antworten Views Letzter Beitrag
  USB-Modul 6008/9 an Analogbuchse (D-sub, 9-polig) anschließen red_phoenix 17 20.593 19.05.2011 08:57
Letzter Beitrag: red_phoenix
  cRIO Modul NI 9234 und IEPE erbi 1 6.951 19.08.2008 19:19
Letzter Beitrag: FrankF
  Bluetooth Modul empfehlen... Dennis.Moser 1 5.334 14.02.2008 12:49
Letzter Beitrag: Trevigo

Gehe zu: