INFO: Dieses Forum nutzt Cookies...
Cookies sind für den Betrieb des Forums unverzichtbar. Mit der Nutzung des Forums erklärst Du dich damit einverstanden, dass wir Cookies verwenden.

Es wird in jedem Fall ein Cookie gesetzt um diesen Hinweis nicht mehr zu erhalten. Desweiteren setzen wir Google Adsense und Google Analytics ein.


Antwort schreiben 

3D Array



Wenn dein Problem oder deine Frage geklärt worden ist, markiere den Beitrag als "Lösung",
indem du auf den "Lösung" Button rechts unter dem entsprechenden Beitrag klickst. Vielen Dank!

07.08.2009, 07:30
Beitrag #11

SeBa Offline
LVF-Guru
*****


Beiträge: 2.025
Registriert seit: Oct 2008

09SP1 & 10 FDS
2008
DE

65xxx
Deutschland
3D Array
' schrieb:Vielleicht hätte da nochmal jemand ein klitzekleines Beispiel?Blush
Aber gerne doch:

   

Lv86_img
Sonstige .vi  Buchseiten_fuellen.vi (Größe: 9,81 KB / Downloads: 315)



Gruß und einen schönen Start in den Tag (vorm WochenendeBig Grin)

SeBa

Dieser Beitrag soll weder nützlich, informativ noch lesbar sein.

Er erhebt lediglich den Anspruch dort wo er ungenau ist, wenigstens eindeutig ungenau zu sein.
In Fällen größerer Abweichungen ist es immer der Leser, der sich geirrt hat.

Rette einen Baum!
Diesen Beitrag nur ausdrucken, wenn unbedingt nötig!
Alle Beiträge dieses Benutzers finden
Diese Nachricht in einer Antwort zitieren to top
Anzeige
07.08.2009, 07:31
Beitrag #12

Y-P Offline
☻ᴥᴥᴥ☻ᴥᴥᴥ☻
LVF-Team

Beiträge: 12.612
Registriert seit: Feb 2006

Developer Suite Core -> LabVIEW 2015 Prof.
2006
EN

71083
Deutschland
3D Array
Hab's manuell nochmal verschönert. Ist jetzt übersichtlicher. Big Grin


Sonstige .vi  3D_Array_sauberer.vi (Größe: 10,29 KB / Downloads: 301)

Lv86_img

Gruß Markus

--------------------------------------------------------------------------
Bitte stellt mir keine Fragen über PM, dafür ist das Forum da - andere haben vielleicht auch Interesse an der Antwort !!
--------------------------------------------------------------------------
Alle Beiträge dieses Benutzers finden
Diese Nachricht in einer Antwort zitieren to top
07.08.2009, 13:10
Beitrag #13

havetodo Offline
LVF-Gelegenheitsschreiber
**


Beiträge: 124
Registriert seit: Jul 2009

8.6 student
-
de

59348
Deutschland
3D Array
Super, Dankeschön!

Wie mache ich es denn, dass das "Buch" mit Seite "1" in der Indexanzeige beginnt?
Und das eine Zeile als Tabellenbeschriftung auch auf allen Seiten vorkommt?

Gruß
Anja
Alle Beiträge dieses Benutzers finden
Diese Nachricht in einer Antwort zitieren to top
07.08.2009, 14:23
Beitrag #14

havetodo Offline
LVF-Gelegenheitsschreiber
**


Beiträge: 124
Registriert seit: Jul 2009

8.6 student
-
de

59348
Deutschland
3D Array
und noch ne Frage zum 3D Array

Ich nehm mal Bezug auf meine Excel-Frage http://www.LabVIEWforum.de/index.php?showt...mp;#entry77451:
Wenn ich jetzt das 3D Array "Seitenweise" an Excel übergeben will und für jede "Seite" ein neue Tabelle erstellen will, welches aus der Vorlage (Tabelle 2) zu erstellen ist und den Druckbereich dann ebenfalls abhängig von der Anzahl der Seiten machen will........... bin ich total überfordertBlush


Sonstige .vi  excel_einlesen5.vi (Größe: 33,1 KB / Downloads: 298)


Lv86_img

Gruß
Anja
Alle Beiträge dieses Benutzers finden
Diese Nachricht in einer Antwort zitieren to top
07.08.2009, 15:15
Beitrag #15

SeBa Offline
LVF-Guru
*****


Beiträge: 2.025
Registriert seit: Oct 2008

09SP1 & 10 FDS
2008
DE

65xxx
Deutschland
3D Array
Leider (zum Glück) hab ich daheim kein LV... und ich bin schon so gut wie daheimWink...

Aber spätestens am Montag schau ich mal was sich da machen lässt (falls bis dahin noch der Bedarf besteht).

Gruß SeBa

Dieser Beitrag soll weder nützlich, informativ noch lesbar sein.

Er erhebt lediglich den Anspruch dort wo er ungenau ist, wenigstens eindeutig ungenau zu sein.
In Fällen größerer Abweichungen ist es immer der Leser, der sich geirrt hat.

Rette einen Baum!
Diesen Beitrag nur ausdrucken, wenn unbedingt nötig!
Alle Beiträge dieses Benutzers finden
Diese Nachricht in einer Antwort zitieren to top
07.08.2009, 20:53
Beitrag #16

schrotti Offline
LVF-Freak
****


Beiträge: 842
Registriert seit: Feb 2008

2009 - 2011
2006
kA

70180
Deutschland
3D Array
' schrieb:Was über drei Dimensionen hinaus geht, ist für meinen Kopf zuviel. Hehe
Da muss ich zuviel umdenken. Wink

Dann ist der Kabeljau also nichts für dich Big Grin

   

Gruß Julius
Empfehlungen: expressionflow, LavaG , mooregoodideas, OpenG, JKI Blog
Tipp
Alle Beiträge dieses Benutzers finden
Diese Nachricht in einer Antwort zitieren to top
Anzeige
08.08.2009, 08:01
Beitrag #17

havetodo Offline
LVF-Gelegenheitsschreiber
**


Beiträge: 124
Registriert seit: Jul 2009

8.6 student
-
de

59348
Deutschland
3D Array
' schrieb:Hierbei handelt es sich um mehr als drei Dimensionen. Aber schon Dein erstes Posting war so komisch, als ob es ummöglich sei, sich drei Dimensionen vorzustellen. Vielleicht ist das bei Dir der Fall, weil Du selbt nur zweidimensional bist. Wäre mal interessant Dich kennenzulernen...

Big Grin
Na, solange ich als weibliches Wesen schonmal mehr als eindimensional denke, bin ich recht beruhigt und traue mir auch zu mit der dritten Dimension eines Arrays auf einem zweidimensionalen Bildschirm etwas sinnvolles (oder auch sinnfreies) anstellen zu können. Tongue

Gruß
Anja
Alle Beiträge dieses Benutzers finden
Diese Nachricht in einer Antwort zitieren to top
10.08.2009, 09:00
Beitrag #18

SeBa Offline
LVF-Guru
*****


Beiträge: 2.025
Registriert seit: Oct 2008

09SP1 & 10 FDS
2008
DE

65xxx
Deutschland
3D Array
Moin,

hat bestimmt zwei Kaffee gedauert, bis ich durch deinen Kabelsalat durchgeblickt hatte.
Du scheinst dich in deinem Dschungel auch nicht so zurechtzufinden, hatte ich doch den Verkabelungsfehler irgendwann gefunden.

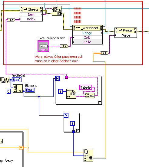
Ok, klartext:

Bild 1: deine Version
Bild 2: meine Version

Erstensmal ist dir ein Gedankenfehler bezüglich Datenfluss unterlaufen. Wenn du mehrere Seiten ins Excel schreiben willst, musst du das mit einer Schleife machen. In deiner Version wird das zu schreibende Array zwar indiziert und nur eine Seite weitergegeben, aber die Methoden zum schreiben werden (u.A. wegen dem Errorcluster bzw. keineSchleife!!) nur einmal ausgeführt. Die nachfolgenden Indizierungen laufen dann ins Windows-Nirvana.

Zweitensmal hast du die Referenz für "Tabelle1" genommen und dort angeschlossen wo später ja Tabelle1/Tabelle2 ect. stehen soll (die roten !!!!!! im Bild)

Drittensmal beim generieren der Tabellenblattnummer... Schleifenzähler fangen mit Null an, "Tabelle0" gibts aber nicht. -> Schleifenzähler +1 = Tabellenblattnummer.
       
Also das läuft ja schon mal.

Aber:
Schau noch mal nach das in deinem Template mehr Tabellen vorhanden sind, als du Messungen durchführen willst.
(Referenz auf nicht vorhandenes Tabellenblatt "Tabelle4" gibt einen Fehler)


Gut. Für eine ich nenns mal Kopfzeile auf jedem Tabellenblatt gibts mehrere Möglichkeiten.
Erstensmal wenn die Kopfzeile immer gleich ist, dann mach sie in dein Template mit rein.
Zweitensmal wenn die Kopfzeile immer unterschiedlich ist, dann erstell sie in LV und schreib sie wie den Rest aufs richtige Blatt.

Wie du die Indizierung mit 1 statt 0 starten lassen kannst, weiß ich nicht. Braucht aber eigentlich keiner.Wink


Gruß SeBa


Edit: VI vergessen...

Lv86_img
Sonstige .vi  excel_einlesen5_1.vi (Größe: 33,79 KB / Downloads: 277)

Dieser Beitrag soll weder nützlich, informativ noch lesbar sein.

Er erhebt lediglich den Anspruch dort wo er ungenau ist, wenigstens eindeutig ungenau zu sein.
In Fällen größerer Abweichungen ist es immer der Leser, der sich geirrt hat.

Rette einen Baum!
Diesen Beitrag nur ausdrucken, wenn unbedingt nötig!
Alle Beiträge dieses Benutzers finden
Diese Nachricht in einer Antwort zitieren to top
10.08.2009, 11:01
Beitrag #19

havetodo Offline
LVF-Gelegenheitsschreiber
**


Beiträge: 124
Registriert seit: Jul 2009

8.6 student
-
de

59348
Deutschland
3D Array
Du hast zwei Tassen Kaffee bei mir gutWink

Ich taste mich noch ran ..... und habe versucht, deine Vorschläge umgesetzt (zumindest hoffe ich dasBlush)
Allerdings bekomme ich noch immer eine Fehlermeldung und weiß nicht warum.

Lv86_img

Sonstige .vi  excel_einlesen6.vi (Größe: 34,47 KB / Downloads: 284)

Gruß
Anja
Alle Beiträge dieses Benutzers finden
Diese Nachricht in einer Antwort zitieren to top
10.08.2009, 11:26
Beitrag #20

SeBa Offline
LVF-Guru
*****


Beiträge: 2.025
Registriert seit: Oct 2008

09SP1 & 10 FDS
2008
DE

65xxx
Deutschland
3D Array
Zwei Dinge die mir auffallen:
   
Erstensmal: Du indizierst das "Buch" -> suchst also eine Seite raus. Das gibst du dann an eine Forschleife, die (wegen Autoindizierung) für die Iterationen jetzt die Zeilen der Seite anstatt der Seiten des Buches benutzt.

Zweitensmal: Lässt du die überflüssige Indizierung des Buchs weg und gibst es einfach an die Forschleife, indiziert diese selbst und benutzt für jede Iteration eine Seite des Buchs. Also weiß die Forschleife wieviele Iterationen nötig sind und du kanns dir das Ermitteln der (Buch-)Seitenanzahl sparen.

--> Buch = 3D-Array, Seite = Z-Ebene, Zeile = Y-Richtung, Buchstabe in Zeile = X-Richtung


Gruß SeBa

PS: Welche Fehlermeldung bekommst du denn?

Dieser Beitrag soll weder nützlich, informativ noch lesbar sein.

Er erhebt lediglich den Anspruch dort wo er ungenau ist, wenigstens eindeutig ungenau zu sein.
In Fällen größerer Abweichungen ist es immer der Leser, der sich geirrt hat.

Rette einen Baum!
Diesen Beitrag nur ausdrucken, wenn unbedingt nötig!
Alle Beiträge dieses Benutzers finden
Diese Nachricht in einer Antwort zitieren to top
Antwort schreiben 


Gehe zu: