INFO: Dieses Forum nutzt Cookies...
Cookies sind für den Betrieb des Forums unverzichtbar. Mit der Nutzung des Forums erklärst Du dich damit einverstanden, dass wir Cookies verwenden.

Es wird in jedem Fall ein Cookie gesetzt um diesen Hinweis nicht mehr zu erhalten. Desweiteren setzen wir Google Adsense und Google Analytics ein.


Antwort schreiben 

3D-Graph punktweise



Wenn dein Problem oder deine Frage geklärt worden ist, markiere den Beitrag als "Lösung",
indem du auf den "Lösung" Button rechts unter dem entsprechenden Beitrag klickst. Vielen Dank!

29.11.2007, 18:13 (Dieser Beitrag wurde zuletzt bearbeitet: 29.11.2007 18:14 von labcross.)
Beitrag #1

labcross Offline
LVF-Grünschnabel
*


Beiträge: 33
Registriert seit: Sep 2007

6.1
2007
kA


Deutschland
3D-Graph punktweise
Hallo,
ich möchte aus 3 Arrays (X,Y,Z) indexweise die Koordinaten eines Punktes im Raum auslesen, und diesen Punkt mittels 3D-Graph darstellen. Das bringe ich zwar als 3D-Kurvendiagramm zustande.
Aber ich möchte keine Kurve, sondern eine Darstellung die den Punkt in der Bewegung zeigt, und da haperts mit meinen LV Kenntnissen.

Kennt da jemand ein Beispiel?
Alle Beiträge dieses Benutzers finden
Diese Nachricht in einer Antwort zitieren to top
Anzeige
29.11.2007, 18:15
Beitrag #2

eg Offline
LVF-SeniorMod


Beiträge: 3.868
Registriert seit: Nov 2005

2016
2003
kA

66111
Deutschland
3D-Graph punktweise
Spiele mal mit Einstellungen des 3D Graphes rum.

Webseite des Benutzers besuchen Alle Beiträge dieses Benutzers finden
Diese Nachricht in einer Antwort zitieren to top
29.11.2007, 18:26
Beitrag #3

labcross Offline
LVF-Grünschnabel
*


Beiträge: 33
Registriert seit: Sep 2007

6.1
2007
kA


Deutschland
3D-Graph punktweise
' schrieb:Spiele mal mit Einstellungen des 3D Graphes rum.
ich weiss nicht, ob ich mich verständlich ausgedrückt habe?!

Ich möchte auch keine Kurve, die nur einzelne Punkte anzeigt, sondern wirklich nur 1 Punkt der langsam im Raum wandert.
Glaube nicht, dass ich da nur mit den Einstellungen was machen kann?
Alle Beiträge dieses Benutzers finden
Diese Nachricht in einer Antwort zitieren to top
29.11.2007, 18:29
Beitrag #4

eg Offline
LVF-SeniorMod


Beiträge: 3.868
Registriert seit: Nov 2005

2016
2003
kA

66111
Deutschland
3D-Graph punktweise
Also das meine ich:


Angehängte Datei(en) Thumbnail(s)
   

Webseite des Benutzers besuchen Alle Beiträge dieses Benutzers finden
Diese Nachricht in einer Antwort zitieren to top
29.11.2007, 18:42
Beitrag #5

labcross Offline
LVF-Grünschnabel
*


Beiträge: 33
Registriert seit: Sep 2007

6.1
2007
kA


Deutschland
3D-Graph punktweise
danke für den Tipp, aber das habe ich schon probiert.
Okay jetzt habe ich Punkte statt einer durchgehenden Kurve.

Mein Problem ist aber, dass alle Punkte die aus meinem Array kommen sofort dargestellt werden, ich will aber eine Bewegung haben.
Also sehen, wie der einzelne Punkt im Raum wandert....
Alle Beiträge dieses Benutzers finden
Diese Nachricht in einer Antwort zitieren to top
29.11.2007, 18:58
Beitrag #6

eg Offline
LVF-SeniorMod


Beiträge: 3.868
Registriert seit: Nov 2005

2016
2003
kA

66111
Deutschland
3D-Graph punktweise
' schrieb:aus meinem Array kommen


Ein Array bedeutet mehrere Punkte, dann must du halt aus dem Array nur einen einzigen Punkt auswählen und auf dem Graphen anzeigen.

Webseite des Benutzers besuchen Alle Beiträge dieses Benutzers finden
Diese Nachricht in einer Antwort zitieren to top
Anzeige
21.12.2007, 08:03
Beitrag #7

labcross Offline
LVF-Grünschnabel
*


Beiträge: 33
Registriert seit: Sep 2007

6.1
2007
kA


Deutschland
3D-Graph punktweise
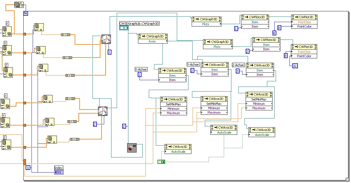
Jetzt läuft die punktweise Darstellung der Bewegung im Raum, aber das Bild flackert.

Ich stelle hier 2 Plots im 3D-Graph, und zwar werden jeweils zwei Punkte gezeichnet.

Ich habe mit diversen Einstellungen im 3D-Graph probiert, aber das klappt nicht...
   
Wie kann ich den Fehler beheben?
Alle Beiträge dieses Benutzers finden
Diese Nachricht in einer Antwort zitieren to top
30
Antwort schreiben 


Gehe zu: