INFO: Dieses Forum nutzt Cookies...
Cookies sind für den Betrieb des Forums unverzichtbar. Mit der Nutzung des Forums erklärst Du dich damit einverstanden, dass wir Cookies verwenden.

Es wird in jedem Fall ein Cookie gesetzt um diesen Hinweis nicht mehr zu erhalten. Desweiteren setzen wir Google Adsense und Google Analytics ein.


Antwort schreiben 

3D-Plot aus XY-Werten



Wenn dein Problem oder deine Frage geklärt worden ist, markiere den Beitrag als "Lösung",
indem du auf den "Lösung" Button rechts unter dem entsprechenden Beitrag klickst. Vielen Dank!

11.06.2010, 14:57
Beitrag #1

schroepel Offline
LVF-Gelegenheitsschreiber
**


Beiträge: 68
Registriert seit: Mar 2008

8.5
2008
de

09113
Deutschland
3D-Plot aus XY-Werten
Hallo,

ich habe Anzahl aus XY-Werten die teilweise Doppelt sind.
Die dastellung in einem normalen XY-Graph ist ja kein Problem,
aber ich möchte gern einen 3D-Graph von diesen Werten haben.
Die z-Koordinate soll dabei die Anzahl des jeweilgen Wertes sein.

Irgendwie fehlt mir aber die zündende Idee aus den Werten die z-Matrix zu erstellen.
Zur näheren Erklärung:
Bei den Punkten handelt es sich um Laserpulse mit denen ein Material bearbeitet wird
und ich möchte gern die resultierende Oberflächentopographie darstellen.

Kann mir von euch jemand helfen?

Hier mal ein Beispiel für die Werte:

Sonstige .vi  Graph.vi (Größe: 132,83 KB / Downloads: 328)
Lv85_img

Danke für eure Hilfe.

Gruß Marco.
Alle Beiträge dieses Benutzers finden
Diese Nachricht in einer Antwort zitieren to top
Anzeige
11.06.2010, 16:02
Beitrag #2

BeFu Offline
LVF-Gelegenheitsschreiber
**


Beiträge: 84
Registriert seit: Jun 2006

2011
2006
DE_EN

96450
Deutschland
3D-Plot aus XY-Werten
Hallo Marco,

wenn ich mich richtig erinnere gibt's in LabVIEW 8.5 auch im Control-Panel unter Graph --> 3D Graph auch das "3D Surface".
Ganz schlau bin ich aus Deinem Hinweis nicht geworden, dass sich teilweise Werte im 2D-Array wiederholen.
In den beigefügten Screen-Shots des von mir ergänzten Blockdiagramms und Frontpanels siehst Du dass ich das 2D-Array für die Z-Werte erzeugt habe, durch zusammenfügen der beiden 1D-Array mit den x- und y-Werten. Die Werte diese 2D-Arrays führst Du dann übern den automatisch generierten "3D ...: plot helper.vi" zu.

Zu der von Dir gewünschten Darstellung der Häufigkeit von z.B. X-Werten musst Du mit deren Anzahl ein 2D-Array (Z-Werte) erzeugen und dem "3D ...: plot helper.vi" .

Ich hoffe, Du kommst damit weiter. Maile mir bitte das endgültige Resultat Deines VI. Ich möchte sehen, was Du mit Deinem Hinweis genau darstellen möchtest.

Schöne Grüße,

BeFu
P.S.: Ich nutze LabVIEW 2009, kann leider nicht mehr auf 8.5 downgraden.


Angehängte Datei(en) Thumbnail(s)
       

Das Ziel ist der Weg
Webseite des Benutzers besuchen Alle Beiträge dieses Benutzers finden
Diese Nachricht in einer Antwort zitieren to top
11.06.2010, 21:22 (Dieser Beitrag wurde zuletzt bearbeitet: 11.06.2010 21:23 von jg.)
Beitrag #3

jg Offline
CLA & CLED
LVF-Team

Beiträge: 15.864
Registriert seit: Jun 2005

20xx / 8.x
1999
EN

Franken...
Deutschland
3D-Plot aus XY-Werten
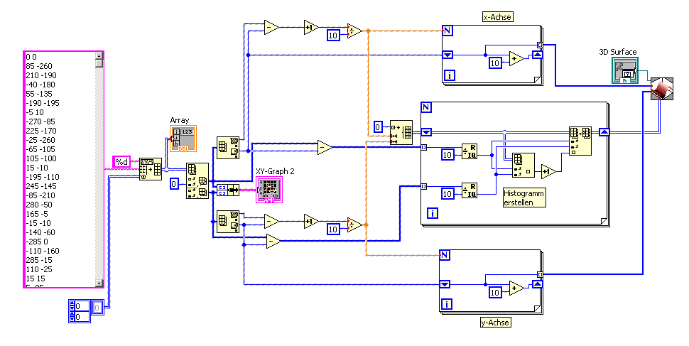
Deine 2D-Matrix kannst so direkt nicht als 3D-Graph darstellen. Denn was du darstellen willst, sind die Ereignisse pro XY-Werte-Paar. Also ein 2D-Histogramm. Das musst du natürlich erst einmal erstellen. Danach ist der Rest einfach.

Ein schnell zusammengezimmertes Bsp:
       

Lv85_img
Sonstige .vi  Graph.vi (Größe: 71,7 KB / Downloads: 312)


Ist nicht in allen Details durchdacht, aber vom Prinzip her sollte es dich auf den richtigen Weg bringen.

Gruß, Jens

Wer die erhabene Weisheit der Mathematik tadelt, nährt sich von Verwirrung. (Leonardo da Vinci)

!! BITTE !! stellt mir keine Fragen über PM, dafür ist das Forum da - andere haben vielleicht auch Interesse an der Antwort!

Einführende Links zu LabVIEW, s. GerdWs Signatur.
Alle Beiträge dieses Benutzers finden
Diese Nachricht in einer Antwort zitieren to top
15.06.2010, 08:04
Beitrag #4

schroepel Offline
LVF-Gelegenheitsschreiber
**


Beiträge: 68
Registriert seit: Mar 2008

8.5
2008
de

09113
Deutschland
3D-Plot aus XY-Werten
Danke erstmal für die schnellen Antworten.

BeFu: leider hab ich kein LV 2009, daher kann ich mit deiner Lösung leider nicht arbeiten

Jens G: danke für deine Hilfe, ich werd mir das mal in Ruhe anschauen
Alle Beiträge dieses Benutzers finden
Diese Nachricht in einer Antwort zitieren to top
30
Antwort schreiben 


Möglicherweise verwandte Themen...
Themen Verfasser Antworten Views Letzter Beitrag
  aus x-Werten und y-Werten neue Funktion bilden Hugin 3 5.504 28.05.2008 07:23
Letzter Beitrag: jg

Gehe zu: