INFO: Dieses Forum nutzt Cookies...
Cookies sind für den Betrieb des Forums unverzichtbar. Mit der Nutzung des Forums erklärst Du dich damit einverstanden, dass wir Cookies verwenden.

Es wird in jedem Fall ein Cookie gesetzt um diesen Hinweis nicht mehr zu erhalten. Desweiteren setzen wir Google Adsense und Google Analytics ein.


Antwort schreiben 

AI and AO



Wenn dein Problem oder deine Frage geklärt worden ist, markiere den Beitrag als "Lösung",
indem du auf den "Lösung" Button rechts unter dem entsprechenden Beitrag klickst. Vielen Dank!

28.07.2013, 12:28
Beitrag #1

Sworks Offline
LVF-Grünschnabel
*


Beiträge: 20
Registriert seit: Jun 2012

8.6
2011
DE



AI and AO
Hi Leute,

ich versuche mich gerade verzweifelt an folgendem:

Ich lese einen AI kontinuierlich ein und möchte den Wert auch kontinuierlich auf einen AO schreiben (später will ich das Signal vorher manipulieren, aber ich hänge schon hier). Das ganze soll etwa mit 1000 Hz Abtastrate laufen und möglichst synchron sein (Ein- und Ausgabe)

Siehe Anlage, so sieht es jetzt aus, bekomme aber den Error -200279
Possible reason(s):
Attempted to read samples that are no longer available. The requested sample was previously available, but has since been overwritten.

Ich denke mal, dass das 'schreiben' nicht kontinurlich läuft, habe aber keine Ahnung wie ich das lösen soll.

Anbei ein Bild des VI's

Danke, Gruß GEorg


Angehängte Datei(en) Thumbnail(s)
   
Alle Beiträge dieses Benutzers finden
Diese Nachricht in einer Antwort zitieren to top
Anzeige
28.07.2013, 19:28
Beitrag #2

GerdW Online
______________
LVF-Team

Beiträge: 17.529
Registriert seit: May 2009

LV2019 (LV2021)
1995
DE_EN

10×××
Deutschland
RE: AI and AO
Hallo Georg,

der Fehler sagt: du hast Samples nicht rechtzeitig gelesen. Irgendwas war zu langsam...

Zitat:Ich denke mal, dass das 'schreiben' nicht kontinurlich läuft, habe aber keine Ahnung wie ich das lösen soll.
Du solltest dem AO-Task auch ein Sampletiming verpassen, wenn du mehrere Werte ausgeben willst...

Du solltest auch über ein Producer-Consumer-Schema nachdenken, das entkoppelt dir den AI- vom AO-Task!

Alle Beiträge dieses Benutzers finden
Diese Nachricht in einer Antwort zitieren to top
28.07.2013, 19:59
Beitrag #3

jg Offline
CLA & CLED
LVF-Team

Beiträge: 15.864
Registriert seit: Jun 2005

20xx / 8.x
1999
EN

Franken...
Deutschland
RE: AI and AO
Welche DAQ-Hardware kommt zum Einsatz?

Gruß, Jens

Wer die erhabene Weisheit der Mathematik tadelt, nährt sich von Verwirrung. (Leonardo da Vinci)

!! BITTE !! stellt mir keine Fragen über PM, dafür ist das Forum da - andere haben vielleicht auch Interesse an der Antwort!

Einführende Links zu LabVIEW, s. GerdWs Signatur.
Alle Beiträge dieses Benutzers finden
Diese Nachricht in einer Antwort zitieren to top
28.07.2013, 20:21
Beitrag #4

Sworks Offline
LVF-Grünschnabel
*


Beiträge: 20
Registriert seit: Jun 2012

8.6
2011
DE



RE: AI and AO
Hallo,

danke für die Info.

@Gerd: Wer ich mal probieren. Was ist ein 'Producer-Consumer-Schema' ?

@Jens: Mydaq

Gruß Georg
Alle Beiträge dieses Benutzers finden
Diese Nachricht in einer Antwort zitieren to top
28.07.2013, 20:43
Beitrag #5

Sworks Offline
LVF-Grünschnabel
*


Beiträge: 20
Registriert seit: Jun 2012

8.6
2011
DE



RE: AI and AO
Hi,

ich nochmal. Das mit dem Sample-Timing habe ich hinzugefügt, siehe Anlage.

Jetzt läuft es ohne Fehler, aber scheinbar wird der AO nicht beschrieben. Das klappte vorher zumindest bis zum Fehler (nach ca. 3 sek).

Habt Ihr noch eine Idee ?

Übrigens: Ich habe in der vorherigen Version ohne Sample-Timing den Wert 'No of written Samples' anzeigen lassen, Das entspricht exact dem Wert des eingestellten 'Samples to Read' für den AI. Scheinbar sorgt die Schleife nicht für ein Weiterschreiben auf dem AO...

Gruß Georg


Angehängte Datei(en) Thumbnail(s)
   
Alle Beiträge dieses Benutzers finden
Diese Nachricht in einer Antwort zitieren to top
29.07.2013, 05:37
Beitrag #6

Morpheus Offline
LVF-Gelegenheitsschreiber
**


Beiträge: 205
Registriert seit: Jul 2009

2019 SP1, 2020 SP1
2005
EN

8000
Schweiz
RE: AI and AO
Hallo Georg

Habe mir den Code nicht im Detail angesehen aber...
Warum startest Du den AO Task 2x?

Gruss
Chris


Angehängte Datei(en) Thumbnail(s)
   
Alle Beiträge dieses Benutzers finden
Diese Nachricht in einer Antwort zitieren to top
Anzeige
29.07.2013, 07:56 (Dieser Beitrag wurde zuletzt bearbeitet: 29.07.2013 07:57 von GerdW.)
Beitrag #7

GerdW Online
______________
LVF-Team

Beiträge: 17.529
Registriert seit: May 2009

LV2019 (LV2021)
1995
DE_EN

10×××
Deutschland
RE: AI and AO
Hallo Georg,

Zitat:Was ist ein 'Producer-Consumer-Schema' ?
Guck mal hier nach, gleich der erste Eintrag...

Und wenn du das gelesen hast, trennst du AI- und AO-Tasks in verschiedene Schleifen auf!

Alle Beiträge dieses Benutzers finden
Diese Nachricht in einer Antwort zitieren to top
29.07.2013, 11:19
Beitrag #8

Sworks Offline
LVF-Grünschnabel
*


Beiträge: 20
Registriert seit: Jun 2012

8.6
2011
DE



RE: AI and AO
Hallo Leute,

@Morpheus: aus Unwissenheit ;-) - bringt aber keine Änderung

@Gerd: Danke für den Tipp: Habe ich getestet, das VI läuft, leider wird der AO nicht beschrieben...

Ich habe noch ein bisschen rumprobiert: wenn ich mein Original-VI laufen lasse, kommt die Analogausgabe ziemlich verzögert zum Analogeingang (bis zum Fehler). Wenn ich die Smple-rate und 'Samples to read' runtersetze (1000 Hz und 50 Samples), läuft es etwas länger (15s), aber die Ausgabe ist um Sekunden verzögert. Auch der Graph ist deutlich verzögert. Setze ich den Autostart des 'DAQmx write' auf false, läuft alles durch und die Anzeige wird in Echzeit aktualisiert. Es scheint, als ob das schreiben alles deutlich verlangsamt, habe ich vielleicht mit der Schleife einen Fehler gemacht ?
Ich habe mal den Teil des Analog OUt aus der Schleife verschoben, dann werden allerdings keine Analogwerte geschrieben.

Der Rechner ist potent, das sollte nicht das Nadelöhr sein...

Ich glaube, es ist nur eine Kleinigkeit, ich finde diese nur nicht...

Eigentlich sollte man doch auch irgendwo ein Beispiel finden, da diese Aufgabe doch recht häufig vorkommen sollte: Analogwert lesen, manipulieren und wieder ausgeben...

Gruß Georg
Alle Beiträge dieses Benutzers finden
Diese Nachricht in einer Antwort zitieren to top
29.07.2013, 12:05 (Dieser Beitrag wurde zuletzt bearbeitet: 29.07.2013 12:06 von Sworks.)
Beitrag #9

Sworks Offline
LVF-Grünschnabel
*


Beiträge: 20
Registriert seit: Jun 2012

8.6
2011
DE



RE: AI and AO
Hallo Gerd,

(29.07.2013 07:56 )GerdW schrieb:  
Zitat:Was ist ein 'Producer-Consumer-Schema' ?
Guck mal hier nach, gleich der erste Eintrag...
Und wenn du das gelesen hast, trennst du AI- und AO-Tasks in verschiedene Schleifen auf!

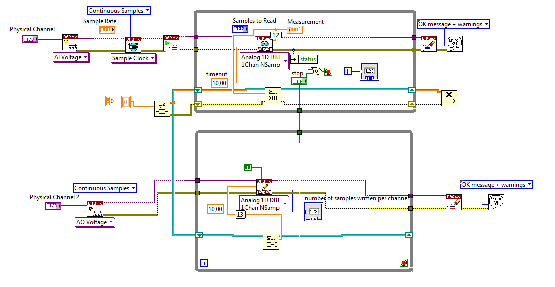
so habe ich das jetzt gemacht. Messtelle 12 (Enqueue) zeigt den Analogeingang, Messstelle 13 (Dequeue) zeigt 'not executed' ???

Huh

gruß Georg


Angehängte Datei(en) Thumbnail(s)
   
Alle Beiträge dieses Benutzers finden
Diese Nachricht in einer Antwort zitieren to top
29.07.2013, 12:10
Beitrag #10

GerdW Online
______________
LVF-Team

Beiträge: 17.529
Registriert seit: May 2009

LV2019 (LV2021)
1995
DE_EN

10×××
Deutschland
RE: AI and AO
Hallo Georg,

ich sage nur "THINK DATAFLOW"!

Schleifen laufen nur parallel, wenn es keine Abhängigkeit (direkt per Draht) zwischen ihnen gibt. Und was machst du mit dem STOP-Draht?

Alle Beiträge dieses Benutzers finden
Diese Nachricht in einer Antwort zitieren to top
Antwort schreiben 


Gehe zu: