INFO: Dieses Forum nutzt Cookies...
Cookies sind für den Betrieb des Forums unverzichtbar. Mit der Nutzung des Forums erklärst Du dich damit einverstanden, dass wir Cookies verwenden.

Es wird in jedem Fall ein Cookie gesetzt um diesen Hinweis nicht mehr zu erhalten. Desweiteren setzen wir Google Adsense und Google Analytics ein.


Antwort schreiben 

Analogeingang-Anfängerproblem



Wenn dein Problem oder deine Frage geklärt worden ist, markiere den Beitrag als "Lösung",
indem du auf den "Lösung" Button rechts unter dem entsprechenden Beitrag klickst. Vielen Dank!

21.04.2011, 18:05 (Dieser Beitrag wurde zuletzt bearbeitet: 21.04.2011 18:44 von jg.)
Beitrag #1

mowww Offline
LVF-Neueinsteiger


Beiträge: 2
Registriert seit: Apr 2011

2009
2011
DE



Analogeingang-Anfängerproblem
Hallo liebe User,
ich besitze das NI 6218 USB BNC ( http://sine.ni.com/nips/cds/view/p/lang/de/nid/207098 ) und versuche im Moment mittels Labview 3 Analoge Signale einzulesen. 2 dieser Signale sind Wechselspannungen mit einem gewissen Offset (selbe Spannungsquelle-selbe Masse). Das andre Signal kommt von einem Abstandssensor ( DC Quelle).
Nun hab ich ein Programm für das einlesen der Werte die aus dem Sensor kommen, und eins für die beiden andren Signale.
Ich würde gerne alle 3 Signale in einem Programm gleichzeitig auslesen können. Ist dies mit meiner Hardware überhaupt
möglich (Signale die unterschiedlich bespeist werden gleichzeitig zu messen) oder bräuchte ich für den Sensor z.b. eine weitere Messkarte? Wie im Betreff erwähnt, bin ich ein Anfänger, habe aber auch schon einige Sachen probiert aber das auslesen aller Signale gleichzeitig klappt irgendwie nicht.
Um einen Tipp, Hinweis oder Bestätigung dass ich keine Chance habe mit dieser Hardware, wäre ich sehr dankbar.
Liebe Grüße Olaf
Alle Beiträge dieses Benutzers finden
Diese Nachricht in einer Antwort zitieren to top
Anzeige
21.04.2011, 18:46
Beitrag #2

jg Offline
CLA & CLED
LVF-Team

Beiträge: 15.864
Registriert seit: Jun 2005

20xx / 8.x
1999
EN

Franken...
Deutschland
RE: Analogeingang-Anfängerproblem
Ja, natürlich ist es möglich, 3 AIs zu erfassen.
Natürlich muss das in einem Task geschehen, du musst nur deine Programme entsprechend anpassen und zusammenführen.

Gruß, Jens

Wer die erhabene Weisheit der Mathematik tadelt, nährt sich von Verwirrung. (Leonardo da Vinci)

!! BITTE !! stellt mir keine Fragen über PM, dafür ist das Forum da - andere haben vielleicht auch Interesse an der Antwort!

Einführende Links zu LabVIEW, s. GerdWs Signatur.
Alle Beiträge dieses Benutzers finden
Diese Nachricht in einer Antwort zitieren to top
21.04.2011, 20:21 (Dieser Beitrag wurde zuletzt bearbeitet: 21.04.2011 22:31 von alinetti.)
Beitrag #3

alinetti Offline
LVF-Neueinsteiger


Beiträge: 2
Registriert seit: Mar 2011

2009
2010
DE



RE: Analogeingang-Anfängerproblem
Danke Jens, das ist gut zu wissen aber,wenn ich Ai1-Ai3 (also die 3 Kanäle ) in einem Task starte gibt der mir leider nichts mehr aus Sad

Woran kann das liegen?

Als Info, wenn ich die 2 Programme gleichzeitig starte steht in der Ausgabe statt einem Wert (z.b. Effektivwert der Wechselsignale)
"NaN".

Edit: Sry war bin am Rechner meines Kommilitonen gewesen, habe nicht gesehen dass ich gar nicht eingeloggt bin sondern er.Blush
Alle Beiträge dieses Benutzers finden
Diese Nachricht in einer Antwort zitieren to top
22.04.2011, 09:17
Beitrag #4

jg Offline
CLA & CLED
LVF-Team

Beiträge: 15.864
Registriert seit: Jun 2005

20xx / 8.x
1999
EN

Franken...
Deutschland
RE: Analogeingang-Anfängerproblem
(21.04.2011 20:21 )alinetti schrieb:  Woran kann das liegen?
Bin ich Hellseher? Glas1 Nein. Glas2

Keine Ahnung, wie du die Signale angeschlossen hast und wie jetzt dein Programm (bzw. deine Express-VIs) aussehen.

Also: mehr Infos über deine Verdrahtung und VIs hochladen.

Gruß, Jens

Wer die erhabene Weisheit der Mathematik tadelt, nährt sich von Verwirrung. (Leonardo da Vinci)

!! BITTE !! stellt mir keine Fragen über PM, dafür ist das Forum da - andere haben vielleicht auch Interesse an der Antwort!

Einführende Links zu LabVIEW, s. GerdWs Signatur.
Alle Beiträge dieses Benutzers finden
Diese Nachricht in einer Antwort zitieren to top
26.04.2011, 09:46
Beitrag #5

mowww Offline
LVF-Neueinsteiger


Beiträge: 2
Registriert seit: Apr 2011

2009
2011
DE



RE: Analogeingang-Anfängerproblem
Danke Jens
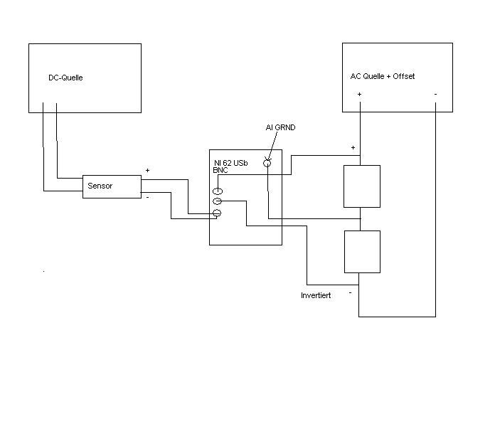
Ich hab mal die VI in der ich die 3 Signale zusammen auslesen will und das Schaltbild hochgeladen.
Also, getrennt lassen dich die beiden (von 2 versch. Quellen) Signale in getrennten VIs mit diesen Einstellungen im DAQ Assistenten
starten, aber in einem VI klappt es nicht, Simultan auch nicht.

Vielen Dank im Voraus Olaf


Angehängte Datei(en) Thumbnail(s)
   

2009 .vi  test.vi (Größe: 165,02 KB / Downloads: 270)
Alle Beiträge dieses Benutzers finden
Diese Nachricht in einer Antwort zitieren to top
30
Antwort schreiben 


Möglicherweise verwandte Themen...
Themen Verfasser Antworten Views Letzter Beitrag
  Anfängerproblem: Digitales Signal ausgeben/einlesen blablubb1234 10 20.855 02.12.2010 17:26
Letzter Beitrag: blablubb1234
  Counter und Analogeingang synchronisieren jens_j 0 3.805 19.06.2009 12:24
Letzter Beitrag: jens_j
  Analogeingang Spannungssicher michael 2 4.911 19.01.2007 08:24
Letzter Beitrag: michael

Gehe zu: