
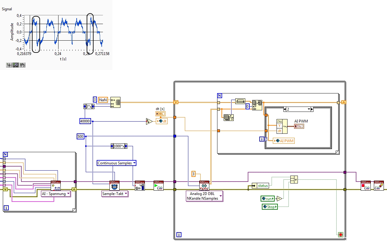
Es ist zum Auswachsen.... seit einem Tag beschäftigt mich dieses Problem und hier die Lösung:
Das letzte Element im ausgelesenen Array ist das neuste -> also muss das Array natürlich beginnend mit dem ersten Element in den Ringpuffer eingefügt werden, nicht umgekehrt!
Aber immerhin habe ich jetzt tiefer gehende Kenntnisse was DAQmx und Ringpuffer angeht und erneut die Erkenntnis gewonnen, dass das Niederschreiben der Probleme eine Struktur in die Problematik bringt und zur Lösungsfindung beiträgt....