|
05.01.2011, 09:29
Beitrag #1
|
andrschmidt
LVF-Neueinsteiger
Beiträge: 6
Registriert seit: Jan 2011
2010
2010
de
86720
Deutschland
|
Anfängerfrage: Digitaler Signalverlaufsgraph
Schönen guten Tag,
bitte habt Mitleid mit mir, dass ich diese Frage stelle, aber ich weiß alleine nicht weiter.
Ich möchte lediglich ein Digitalsignal in diesem Graphen darstellen. Als Beispiel könnte man ja einen Kippschalter daran anschließen. Der Graph zeigt dann eben den Zustand des Schalters an.
Aber an den digitalen Signalverlaufsgraphen darf ich nur ein Cluster anschließen. Leider habe ich überhaupt keine Ahnung, wie ich das nun bewerkstelligen kann.
Wäre sehr dankbar, wenn mir jemand aus dem Forum hier weiterhelfen kann.
Schonmal besten Dank im Voraus!
|
|
|
|
|
05.01.2011, 10:11
Beitrag #2
|
GerdW
______________
Beiträge: 17.536
Registriert seit: May 2009
LV2019 (LV2021)
1995
DE_EN
10×××
Deutschland
|
Anfängerfrage: Digitaler Signalverlaufsgraph
Hallo Andr,
der DigSignalGraph erwartet ein Array[U8] mit den Werte für jeweils 8 Bits. Du musst also deinen Schalterzustand in ein Array von U8-Werte eintragen - z.B. per "Boolean to 0/1" oder durch Setzen eines bestimmten Bits im U8-Wert...
|
|
|
|
05.01.2011, 10:56
(Dieser Beitrag wurde zuletzt bearbeitet: 05.01.2011 11:00 von andrschmidt.)
Beitrag #3
|
andrschmidt
LVF-Neueinsteiger
Beiträge: 6
Registriert seit: Jan 2011
2010
2010
de
86720
Deutschland
|
Anfängerfrage: Digitaler Signalverlaufsgraph
Erstmal vielen Dank für die schnelle Antwort, aber leider weiß ich jetzt noch nicht genau wie es geht.
Ich habe also den Schalter und den Graphen auf dem Panel. Und wie genau wandel ich den Wert jetzt um? (Wo finde ich "Boolean to 0/1" ?)
|
|
|
|
05.01.2011, 11:01
(Dieser Beitrag wurde zuletzt bearbeitet: 05.01.2011 11:04 von GerdW.)
Beitrag #4
|
GerdW
______________
Beiträge: 17.536
Registriert seit: May 2009
LV2019 (LV2021)
1995
DE_EN
10×××
Deutschland
|
Anfängerfrage: Digitaler Signalverlaufsgraph
Hallo andr,
so in etwa:
Das BuildArray verdeutlicht nur, dass du dort ein Array mit Werten bereitstellen musst!
"Boolean to 0/1" findest du:
- in der Numerischen Palette bei den ganzen anderen Umwandelfunktionen
- mittels QuickDrop (Ctrl-Space) nach Eingaben von "Bool"
- mittels der LabVIEW-Hilfe und ihrer Suchfunktion
|
|
|
|
|
05.01.2011, 13:57
Beitrag #5
|
andrschmidt
LVF-Neueinsteiger
Beiträge: 6
Registriert seit: Jan 2011
2010
2010
de
86720
Deutschland
|
Anfängerfrage: Digitaler Signalverlaufsgraph
Hallo Gerd,
bin jetzt bis zum Umwandeln "Nach vorzeichenlosen Byte-Integer" gekommen. Also (U8)
Ich weiß noch nicht, wie ich an die beiden letztes Symbole komme, die noch vor dem Graphen stehen.
Außerdem verstehe ich den Gesamtzusammenhang noch nicht. Warum muss ich da Werte bereitstellen? Ich möchte ja lediglich eine 1 oder eine 0 auswerten, vom Schalter.
Empfinde ich als Anfänger das nur kompliziert, oder ist es auch so? Vielleicht kannst mir ja nochmal genau erklären, wie ich an die beiden vorletzten Symbole komme und was es genau mit den Werten auf sich hat, die ich bereitstellen muss.
Schonmal besten Dank für deine Geduld :-)
|
|
|
|
05.01.2011, 14:18
(Dieser Beitrag wurde zuletzt bearbeitet: 05.01.2011 14:19 von GerdW.)
Beitrag #6
|
GerdW
______________
Beiträge: 17.536
Registriert seit: May 2009
LV2019 (LV2021)
1995
DE_EN
10×××
Deutschland
|
Anfängerfrage: Digitaler Signalverlaufsgraph
Hallo Andr,
- BuildArray + BundleByName
- der leere Rahmen ist die Konstante, die du bei Rechtsklick aufs Graph-Terminal->Erstelle Konstante erhälst...
Zitat:Warum muss ich da Werte bereitstellen? Ich möchte ja lediglich eine 1 oder eine 0 auswerten,
Du möchtest Daten auswerten - schön. Dein Schalter gibt dir aber keine 1 oder 0, sondern ein TRUE oder FALSE! Das ist ein gewaltiger Unterschied!
Und wie kommen die Daten im richtigen Format zur Auswertung? Richtig, per Typumwandlung und Einfügen in die gewünschte Datenstruktur...
|
|
|
|
|
06.01.2011, 09:43
Beitrag #7
|
andrschmidt
LVF-Neueinsteiger
Beiträge: 6
Registriert seit: Jan 2011
2010
2010
de
86720
Deutschland
|
Anfängerfrage: Digitaler Signalverlaufsgraph
Guten morgen,
so sieht das jetzt bei mir aus:
mit LabVIEW 2010
Kannst du mir nochmal weiterhelfen?
|
|
|
|
06.01.2011, 10:38
(Dieser Beitrag wurde zuletzt bearbeitet: 06.01.2011 10:39 von Y-P.)
Beitrag #8
|
Y-P
☻ᴥᴥᴥ☻ᴥᴥᴥ☻
Beiträge: 12.612
Registriert seit: Feb 2006
Developer Suite Core -> LabVIEW 2015 Prof.
2006
EN
71083
Deutschland
|
Anfängerfrage: Digitaler Signalverlaufsgraph
Hier eine Alternative:
Schalter_an_digitalem_Graph.vi (Größe: 11,55 KB / Downloads: 520)
Das hab' ich Dir schnell zusammengeklickt und für LabVIEW 8.6 gespeichert. Wenn Du, wie im letzten Beitrag erwähnt, schon LabVIEW 2010 hast, dann bitte  . Sonst hätte ich nicht zurückspeichern müssen.
EDIT:
Gruß Markus
--------------------------------------------------------------------------
Bitte stellt mir keine Fragen über PM, dafür ist das Forum da - andere haben vielleicht auch Interesse an der Antwort !!
--------------------------------------------------------------------------
|
|
|
|
|
06.01.2011, 11:16
Beitrag #9
|
andrschmidt
LVF-Neueinsteiger
Beiträge: 6
Registriert seit: Jan 2011
2010
2010
de
86720
Deutschland
|
Anfängerfrage: Digitaler Signalverlaufsgraph
Hallo Markus,
besten Dank, habs einfach in meiner Version 2010 geöffnet und es funktionierte direkt.
Jetzt habe ich nur das Problem, dass ich überhaupt nicht weiß, warum es so funktioniert. Der Hintergrund ist, dass ich für eine Facharbeit einen Graphen einbauen muss. Dazu muss ich dann auch wenigstens ungefähr beschreiben, wie diese Auswertung funktioniert.
Vielleicht hast du ja Lust mir dazu noch eine kleine Beschreibung zu liefern, wäre dir sehr dankbar dafür.
|
|
|
|
|
06.01.2011, 17:07
|
Y-P
☻ᴥᴥᴥ☻ᴥᴥᴥ☻
Beiträge: 12.612
Registriert seit: Feb 2006
Developer Suite Core -> LabVIEW 2015 Prof.
2006
EN
71083
Deutschland
|
Anfängerfrage: Digitaler Signalverlaufsgraph
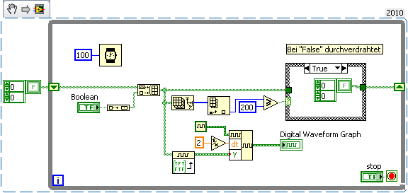
Ich habe einfach aus dem Boolschen Wert ein 1D-Array erzeugt, das ich bei jedem Schleifendurchgang an ein 2D-Array anhänge.
Dieses 2D-Array wird per "DWDT Boolean Array to digital.vi" umgewandelt. Mit den dort erhaltenen digitalen Daten wird eine Waveform erstellt ("Build Waveform"). Den Wert habe ich auf 0,5 festgelegt (Kehrwert von 2). Im Graph habe ich die Zeitachse auf 100 eingestellt. Jetzt siehst Du auch, wieso ich das Array bei 200 Elementen wieder leere. 200 x 0,5 gibt die 100 der Zeitachse. Wenn der Wert erreicht wird, soll der Graph geleert werden, weil Du sonst nichts mehr siehst.
Gruß Markus
--------------------------------------------------------------------------
Bitte stellt mir keine Fragen über PM, dafür ist das Forum da - andere haben vielleicht auch Interesse an der Antwort !!
--------------------------------------------------------------------------
|
|
|
|
| |