INFO: Dieses Forum nutzt Cookies...
Cookies sind für den Betrieb des Forums unverzichtbar. Mit der Nutzung des Forums erklärst Du dich damit einverstanden, dass wir Cookies verwenden.

Es wird in jedem Fall ein Cookie gesetzt um diesen Hinweis nicht mehr zu erhalten. Desweiteren setzen wir Google Adsense und Google Analytics ein.


Antwort schreiben 

Ansteuerung verschiedene Hardware



Wenn dein Problem oder deine Frage geklärt worden ist, markiere den Beitrag als "Lösung",
indem du auf den "Lösung" Button rechts unter dem entsprechenden Beitrag klickst. Vielen Dank!

14.01.2009, 12:58
Beitrag #1

Ray D. Light Offline
LVF-Grünschnabel
*


Beiträge: 48
Registriert seit: Oct 2008

8.5 - 8.6 - 2009
2008
de

10247
Deutschland
Ansteuerung verschiedene Hardware
Hallo LVF,
ich wünsche euch erstmal ein frohes gesundes neues Jahr Lol

In meinem Projekt habe ich 3 verschiedene Hardware zu steuern, das Problem ist jetzt wenn ich alle VI's einzeln laufen lasse dann läuft es in echtzeit alles ab, nur wenn ich 2 davon Parallel (das ist wie Haupt und Subkomponente) laufen lasse wird die ganze Umgebung sehr langsam und die Stoptaste funktioniert nur nach mehrmaligen Drücken. Die Frage ist jetzt ob es damit zutun hat dass ich verschiedene Hardware anspreche oder liegt das an dem VI's oder wo anders? Die Hardware was ich anspreche sind: Kraftsensor, DeviceNet und Pcan. Dabei habe ich darauf beachtet dass ich nur in der Haupt VI die While-Schleife drin habe. Wenn noch Fragen dazu gibt, lade ich die VI's nachher hoch.

Vielen Dank
Alle Beiträge dieses Benutzers finden
Diese Nachricht in einer Antwort zitieren to top
Anzeige
14.01.2009, 13:11
Beitrag #2

Y-P Offline
☻ᴥᴥᴥ☻ᴥᴥᴥ☻
LVF-Team

Beiträge: 12.612
Registriert seit: Feb 2006

Developer Suite Core -> LabVIEW 2015 Prof.
2006
EN

71083
Deutschland
Ansteuerung verschiedene Hardware
Lad' doch mal Dein VI hoch....

Gruß Markus

--------------------------------------------------------------------------
Bitte stellt mir keine Fragen über PM, dafür ist das Forum da - andere haben vielleicht auch Interesse an der Antwort !!
--------------------------------------------------------------------------
Alle Beiträge dieses Benutzers finden
Diese Nachricht in einer Antwort zitieren to top
15.01.2009, 13:09
Beitrag #3

Ray D. Light Offline
LVF-Grünschnabel
*


Beiträge: 48
Registriert seit: Oct 2008

8.5 - 8.6 - 2009
2008
de

10247
Deutschland
Ansteuerung verschiedene Hardware
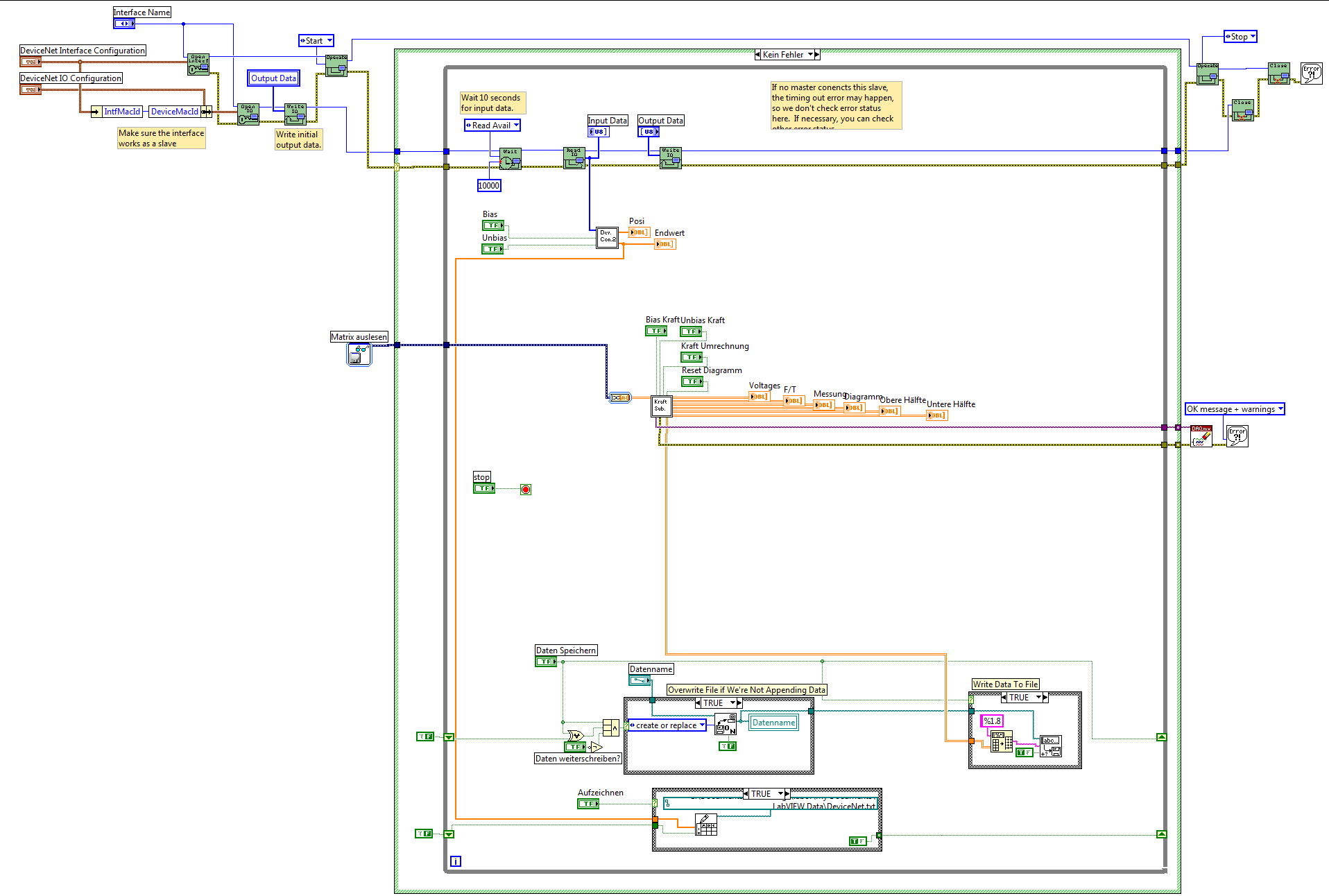
Hier zeige ich den Entwurf für das Haupt VI, besteht als Ausgabe für DeviceNet Schnittstelle, da drin soll die Sub VI von Kraftmessdose und Pcan angebunden werden. Ich habe es erstmal nur mit Kraftmessdose verbunden und schon besteht das Problem. Die Sub VI lade nicht hoch da es unwichtig ist, es besteht nur aus ein paar Case Strukturen, außerdem läuft es auch nicht wenn die Hardware nicht vorhanden ist. Das Problem ist noch nicht beantwortet ob es bei verschiedene Hardwarezugriffe zu Konflikten kommen kann oder habt Ihr ein Beispiel wo ein Haupt VI mit verschiedene Sub VI angebunden ist, wobei die Sub VI von verschiedene Hardware angesprochen wird?

Gruß Ray


LV Vers. 8.5


Angehängte Datei(en) Thumbnail(s)
   

Sonstige .vi  Haupt_VI.vi (Größe: 140,42 KB / Downloads: 287)
Alle Beiträge dieses Benutzers finden
Diese Nachricht in einer Antwort zitieren to top
Antwort schreiben 


Möglicherweise verwandte Themen...
Themen Verfasser Antworten Views Letzter Beitrag
  Welche Hardware (PCI-Karte?) für die Ansteuerung von Piezoaktoren MrKrabs 18 19.380 13.11.2008 12:02
Letzter Beitrag: jg

Gehe zu: