INFO: Dieses Forum nutzt Cookies...
Cookies sind für den Betrieb des Forums unverzichtbar. Mit der Nutzung des Forums erklärst Du dich damit einverstanden, dass wir Cookies verwenden.

Es wird in jedem Fall ein Cookie gesetzt um diesen Hinweis nicht mehr zu erhalten. Desweiteren setzen wir Google Adsense und Google Analytics ein.


Antwort schreiben 

Array-Initialisierung



Wenn dein Problem oder deine Frage geklärt worden ist, markiere den Beitrag als "Lösung",
indem du auf den "Lösung" Button rechts unter dem entsprechenden Beitrag klickst. Vielen Dank!

06.03.2013, 13:02
Beitrag #1

creo_123 Offline
LVF-Gelegenheitsschreiber
**


Beiträge: 103
Registriert seit: Jan 2013

17.0
2013
DE


Deutschland
Array-Initialisierung
Hallo,

ich komme an einer Stelle leider nicht weiter..

Ich möchte automatisiert mehrere Messungen hintereinander durchführen und dann zum einen
alle Daten in einem Array speichern (jeweils zwei Spalten pro Messung (x- und y-Wert) mit unbekannter Anzahl
an Messpunkten (Zeilen)) und zum anderen den Mittelwert aus den Messungen jeder Messstelle berechnen.
Mein Problem dabei ist, dass ich in die Schieberegister ja ein Startarray eingeben muss..
Das müsste für den die Mittelwertberechnung ein Array in der entsprechenden Größe mit Nullen sein.
Diese Größe kenne ich aber leider vorher nicht, was gerade mein Problem ist..
In dem Array mit allen Messwerten könnte ich dann die beiden Nullspalten des Startarrays einfach ignorieren.

Habe mein Vi, so wie es bis jetzt aussieht, mal angehängt..

Wäre für etwas Hilfe wirklich sehr dankbar..


Angehängte Datei(en)
12.0 .vi  Array.vi (Größe: 13,52 KB / Downloads: 391)
Alle Beiträge dieses Benutzers finden
Diese Nachricht in einer Antwort zitieren to top
Anzeige
06.03.2013, 14:03
Beitrag #2

Wall-E Offline
LVF-Grünschnabel
*


Beiträge: 28
Registriert seit: Jan 2013

2012
2010
EN



RE: Array-Initialisierung
Du kannst auch einfach das erste erhaltene Array ins Schieberegister schreiben. Wenn ich das Problem richtig verstanden habe, geht das so...


Angehängte Datei(en)
12.0 .vi  Array.vi (Größe: 14,29 KB / Downloads: 587)
Alle Beiträge dieses Benutzers finden
Diese Nachricht in einer Antwort zitieren to top
07.03.2013, 10:04
Beitrag #3

creo_123 Offline
LVF-Gelegenheitsschreiber
**


Beiträge: 103
Registriert seit: Jan 2013

17.0
2013
DE


Deutschland
RE: Array-Initialisierung
Hey, danke!!!

ist genau das was ich braucheSmile

welche Möglichkeiten gibt es denn eigentlich, um ein Array zu leeren.. also dass er mir, wenn ich
erneut eine Messung starte, zuerst die alten Werte aus dem Array löscht..

Momentan ist es so, dass die alten Werte stehen bleiben.. also wenn ich zuerst eine Messung mit
fünf Durchläufen und anschließend eine mit einem Durchlauf ausführe, dann überschreibt er die ersten
beiden Spalten mit der neuen Messung, die andern 8 Spalten enthalten aber noch die Werte von
der vorherigen Messung, die ich gerne raushätte..
Alle Beiträge dieses Benutzers finden
Diese Nachricht in einer Antwort zitieren to top
07.03.2013, 10:07 (Dieser Beitrag wurde zuletzt bearbeitet: 07.03.2013 10:08 von GerdW.)
Beitrag #4

GerdW Offline
______________
LVF-Team

Beiträge: 17.536
Registriert seit: May 2009

LV2019 (LV2021)
1995
DE_EN

10×××
Deutschland
RE: Array-Initialisierung
Hallo creo,

das Schieberegister mit einem leeren Array initialisieren!?
Oder selbst ein leeres Array ins Schieberegister schreiben!?

Alle Beiträge dieses Benutzers finden
Diese Nachricht in einer Antwort zitieren to top
07.03.2013, 10:38
Beitrag #5

Wall-E Offline
LVF-Grünschnabel
*


Beiträge: 28
Registriert seit: Jan 2013

2012
2010
EN



RE: Array-Initialisierung
Wenn Du die Schleife beendest und neu startest, wird der Schleifenzähler zurück gesetzt, damit der "0-Case" der Schleife ausgeführt und das Schieberegister mit dem ersten gemessenen Array überschrieben.

Willst Du die Schleife nicht beenden und neu starten, kannst Du den "0-Case" auch irgendwie anders auslösen (siehe Bildchen).

Läuft alles übrigens auf "Oder selbst ein leeres Array ins Schieberegister schreiben!?" (GerdW) hinaus. ;-)

P.S. Ich Prokrastiniere übrigens gerade... daher der unbändige Drang so simples Zeug zu erklären. Nur nicht dran gewöhnen. ;-)


Angehängte Datei(en) Thumbnail(s)
   
Alle Beiträge dieses Benutzers finden
Diese Nachricht in einer Antwort zitieren to top
07.03.2013, 18:37
Beitrag #6

creo_123 Offline
LVF-Gelegenheitsschreiber
**


Beiträge: 103
Registriert seit: Jan 2013

17.0
2013
DE


Deutschland
RE: Array-Initialisierung
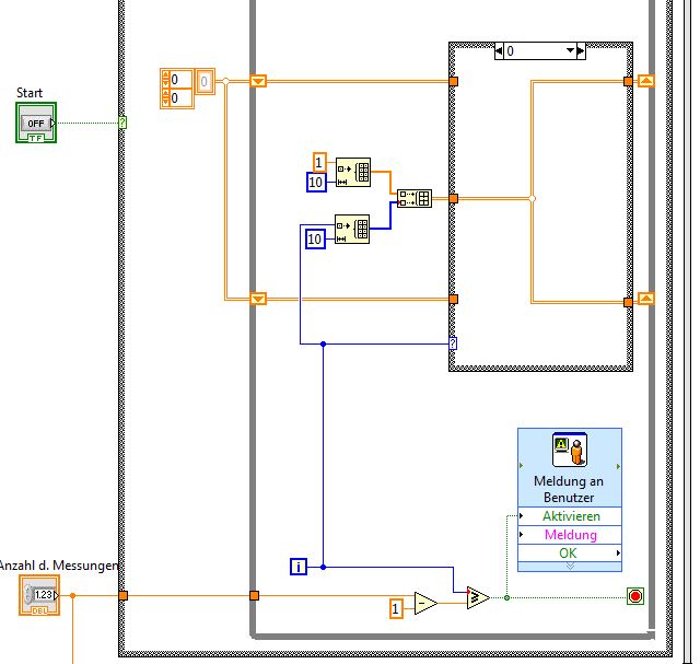
Danke für die schnellen AntwortenSmile

das Schieberegister mit einem leeren Array zu initialisieren, habe ich auch schon probiert (siehe Bild)..
aber das führt leider nicht zum gewünschten Ergebnis.. oder habe ich da irgendeinen Denkfehler drin?

Und das mit dem Überschreiben, wenn ich die Schleife neu starte, funktioniert natürlich.. nur wenn die
zweite Messung weniger Spalten hat als die erste, dann werden die restlichen Spalten nicht überschrieben..

und wenn ich selbst ein leeres Array ins Schieberegister schreibe, dann müsste das ja im 0. Schleifendurchlauf geschehen,
d.h. ich könnte erst im ersten mit der eigentlichen Messung beginnen.. die 0 würde mir dann quasi verloren
gehen.. oder wieder ein Denkfehler?Wink


Angehängte Datei(en) Thumbnail(s)
   
Alle Beiträge dieses Benutzers finden
Diese Nachricht in einer Antwort zitieren to top
Anzeige
07.03.2013, 18:54 (Dieser Beitrag wurde zuletzt bearbeitet: 07.03.2013 18:54 von GerdW.)
Beitrag #7

GerdW Offline
______________
LVF-Team

Beiträge: 17.536
Registriert seit: May 2009

LV2019 (LV2021)
1995
DE_EN

10×××
Deutschland
RE: Array-Initialisierung
Hallo creo,

Zitat:das Schieberegister mit einem leeren Array zu initialisieren, habe ich auch schon probiert (siehe Bild)..
aber das führt leider nicht zum gewünschten Ergebnis.. oder habe ich da irgendeinen Denkfehler drin?
Anhand des Bildes würde ich sagen: Schieberegister mit leerem Array initalisiert. Was ist denn das gewünschte Ergebnis, das hier nicht erreicht wird? Hast du das Ergebnis mit Sonden überprüft?

Zitat:wenn ich selbst ein leeres Array ins Schieberegister schreibe, dann müsste das ja im 0. Schleifendurchlauf geschehen, d.h. ich könnte erst im ersten mit der eigentlichen Messung beginnen.. die 0 würde mir dann quasi verloren gehen.. oder wieder ein Denkfehler?
Eindeutig Denkfehler. Was spricht dagegen, wie im Bild gezeigt, mit einer Case-Struktur bei i=0 die Schieberegister zu initialisieren (ob nun mit leeren Arrays oder wie bei dir mit irgendwelchen Daten) und nach der Case-Struktur die neuen Messwerte einzutragen?

Alle Beiträge dieses Benutzers finden
Diese Nachricht in einer Antwort zitieren to top
07.03.2013, 19:22
Beitrag #8

creo_123 Offline
LVF-Gelegenheitsschreiber
**


Beiträge: 103
Registriert seit: Jan 2013

17.0
2013
DE


Deutschland
RE: Array-Initialisierung
Hallo Gerd,

wenn beispielsweise meine erste Messung aus fünf Einzelmessungen besteht, dann stehen insgesamt 10 Spalten in
meinem Array. Führe ich dann anschließend eine Messung mit nur einer Einzelmessung durch, hätte ich gerne nur
zwei Spalten in meinem Array.. es ist aber momentan so, dass die ersten beiden Spalten dann die gewünschten Daten
aus der zweiten Messung enthalten, in den restlichen acht Spalten aber noch die Daten aus der vorherigen Messung stehen.
Deshalb versuche ich das Schieberegister mit einem leeren Array zu initialisieren, um diesen Effekt zu vermeiden, was aber leider
nicht funktioniert.

Mit Sonden habe ich noch nichts überprüft, werde ich aber nachholen. Habe leider auf meinem Rechner zuhause kein Labview..
Alle Beiträge dieses Benutzers finden
Diese Nachricht in einer Antwort zitieren to top
08.03.2013, 00:07
Beitrag #9

Wall-E Offline
LVF-Grünschnabel
*


Beiträge: 28
Registriert seit: Jan 2013

2012
2010
EN



RE: Array-Initialisierung
Was Du schreibst ergibt gerade absolut keinen Sinn für mich, Creo. Mag natürlich an mir liegen, meine aktuelle Wachphase ist ja auch schon nicht mehr ganz OVP. ;-)

Wertepaare (x/y) => Immer 2 Spalten.
Jede Messung ist eine Zeile.

Das heisst also
1 Messung => 1 Zeile.
5 Messungen => 5 Zeilen.
10 Messungen => 10 Zeilen.

2 Spalten bleiben es aber immer.

Oder habe ich da was komplett falsch verstanden?
Alle Beiträge dieses Benutzers finden
Diese Nachricht in einer Antwort zitieren to top
08.03.2013, 09:30
Beitrag #10

creo_123 Offline
LVF-Gelegenheitsschreiber
**


Beiträge: 103
Registriert seit: Jan 2013

17.0
2013
DE


Deutschland
RE: Array-Initialisierung
Ich habe zu jeder Messung immer x und y, also 2 Spalten das stimmt.. die Messwerte stehen dann aber
untereinander.. also habe ich so viele Zeilen, wie ich Messpunkte habe..
Habe ich mehrere Messungen hintereinander stehen immer die x- und y-Werte dieser Messungen nebeneinander in den Spalten
des Arrays..

Durch die Sonden hat sich mein Problem aber gelöst.. Habe die Arrays im Case ausgelesen, der bei nur einer Messung
nicht aktiviert wird.. also wurden da auch die Arrays nicht mit den leeren Arrays überschrieben.. peinlichSad

Aber nochmal vielen Dank an alle, die mir geholfen habenSmile
Alle Beiträge dieses Benutzers finden
Diese Nachricht in einer Antwort zitieren to top
Antwort schreiben 


Möglicherweise verwandte Themen...
Themen Verfasser Antworten Views Letzter Beitrag
  Schieberegister Initialisierung mit Array => Not a Number Roland 7 9.867 03.07.2017 15:58
Letzter Beitrag: Roland
  Initialisierung Lokaler Variable Hosenscheisser 4 6.453 18.07.2016 09:45
Letzter Beitrag: Hosenscheisser
Photo Frontpanel Initialisierung Cardinal1664 1 4.957 17.07.2013 12:51
Letzter Beitrag: GerdW
  Ereignisstruktur mit Initialisierung? Matze 4 8.227 31.05.2010 09:11
Letzter Beitrag: Matze
  Popup zur Initialisierung joe1234 3 5.215 22.11.2007 15:10
Letzter Beitrag: jeffrey
  3 Schleifen - Initialisierung - Koordinaten ibuddy 2 4.287 03.09.2007 09:09
Letzter Beitrag: ibuddy

Gehe zu: