INFO: Dieses Forum nutzt Cookies...
Cookies sind für den Betrieb des Forums unverzichtbar. Mit der Nutzung des Forums erklärst Du dich damit einverstanden, dass wir Cookies verwenden.

Es wird in jedem Fall ein Cookie gesetzt um diesen Hinweis nicht mehr zu erhalten. Desweiteren setzen wir Google Adsense und Google Analytics ein.


Antwort schreiben 

Array gruppieren



Wenn dein Problem oder deine Frage geklärt worden ist, markiere den Beitrag als "Lösung",
indem du auf den "Lösung" Button rechts unter dem entsprechenden Beitrag klickst. Vielen Dank!

21.12.2006, 18:20
Beitrag #1

computerdigitec Offline
LVF-Neueinsteiger


Beiträge: 8
Registriert seit: Dec 2006

8.00
2004
kA


Schweiz
Array gruppieren
Hallo zusammen,

ich habe folgendes Problem:

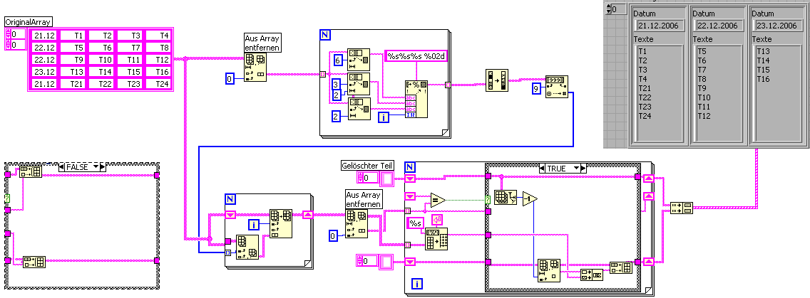
Ich habe ein 2D - Array mit z.B. folgendem Inhalt

-------------------------------------------------------------------
¦ 21.12.2006 ¦ Text 1 ¦ Text 2 ¦ Text3 ¦ Text4 ¦
-------------------------------------------------------------------
¦ 22.12.2006 ¦ Text 5 ¦ Text 6 ¦ Text7 ¦ Text8 ¦
-------------------------------------------------------------------
¦ 22.12.2006 ¦ Text 9 ¦ Text 10 ¦ Text11 ¦ Text12 ¦
------------------------------------------------------------------
¦ 23.12.2006 ¦ Text 17 ¦ Text 18 ¦ Text19 ¦ Text20 ¦
-----------------------------------------------------------------
¦ 21.12.2006 ¦ Text 21 ¦ Text 22 ¦ Text23 ¦ Text24 ¦
-----------------------------------------------------------------

Nun möchte ich dieses 2D - Array "gruppieren".
D.h. Einträge mit gleichen Datum sollten zusammengefasst werden.

Z.B. in dieser Art:
----------------------------------------------------------------------------------------------------------------------
21.12.2006 ¦ Text 1 ¦ Text 2 ¦ Text3 ¦ Text4 ¦ 21.12.2006 ¦ Text 21 ¦ Text 22 ¦ Text23 ¦ Text24 ¦
----------------------------------------------------------------------------------------------------------------------
22.12.2006 ¦ Text 5 ¦ Text 6 ¦ Text7 ¦ Text8 ¦ 22.12.2006 ¦ Text 9 ¦ Text 10 ¦ Text11 ¦ Text12 ¦
----------------------------------------------------------------------------------------------------------------------
23.12.2006 ¦ Text 17 ¦ Text 18 ¦ Text19 ¦ Text20 ¦ ¦ ¦ ¦ ¦ ¦
----------------------------------------------------------------------------------------------------------------------


Wer kann mir hier helfen?

Vielen Dank für Eure Mühen!

Freundliche Grüsse
Claudio
Alle Beiträge dieses Benutzers finden
Diese Nachricht in einer Antwort zitieren to top
Anzeige
24.12.2006, 10:41 (Dieser Beitrag wurde zuletzt bearbeitet: 24.12.2006 15:25 von Lucki.)
Beitrag #2

Lucki Offline
Tech.Exp.2.Klasse
LVF-Team

Beiträge: 7.699
Registriert seit: Mar 2006

LV 2016-18 prof.
1995
DE

01108
Deutschland
Array gruppieren
Das läßt sich auf elegante Art wohl nicht lösen, hier ist Kleinarbeit angesagt.
Ich würde z.B in diesen Schritten vorgehen:[list=1]
[*]Neuen eindimensionalen String-Array A erstellen, der nur die Datume (?) enthält<>
[*]Das Datum in A anders schreiben, so daß es sich sortieren läßt. Die most signifikante Zahl, also das Jahr, gehört ganz nach links. Außerdem die Zeilennummer anhängen, damit die nachfolgende Sortierinformation nicht verloren geht. Beispiel Datum 3. Zeile: 20061222_002<>
[*]Den eindimensionalen Vektor in aufsteigender Reihenfolge sortieren (Das funktioniert auch mit Strings)<>
[*]Aus dem sortierten Vektor einen neuen erzeigen, in dem als Elemente nur noch die Zeilennummern (Zahlen) enthalten sind.<>
[*]Die Zeilen im 2D Array genau so sortieren. Die Information, wie sortiert werden muß, steckt in den Zeilennummern das eindimensionalen Vektors.<>
[*]Jede Zeile löschen, wenn das Datum mit der vorherigen Zeile übereinstimmt, und die gelöschte Zeile an die vorherige Zeile anhängen.Das wärs.<>
[st].
Und nun viel Spaß damit für die Weihnachtsfeiertage

PS: Du solltest auch bedenken, daß bei einem zweidimensionalem Array die Elementezahl in jeder Zeile gleich sein muß. Du mußt also die fehlenden Elemente mit Leertexten auffüllen - kein sehr elegantes Verfahren. Die Arraystruktur ist für diese Aufgabe eigentlich unpassend.
Besser: Cluster-Array. Der Cluster enthält 2 Elemente: a) Datum b) mehrzeiligen Text, jede Meldung auf 1 Zeile.
Alle Beiträge dieses Benutzers finden
Diese Nachricht in einer Antwort zitieren to top
25.12.2006, 14:55 (Dieser Beitrag wurde zuletzt bearbeitet: 25.12.2006 15:04 von Lucki.)
Beitrag #3

Lucki Offline
Tech.Exp.2.Klasse
LVF-Team

Beiträge: 7.699
Registriert seit: Mar 2006

LV 2016-18 prof.
1995
DE

01108
Deutschland
Array gruppieren
Letztlich wird wohl nicht wesentlich einfacher als so gehen- Oder hat jemand eine bessere Idee?


Angehängte Datei(en) Thumbnail(s)
   
Alle Beiträge dieses Benutzers finden
Diese Nachricht in einer Antwort zitieren to top
25.12.2006, 17:05
Beitrag #4

Y-P Offline
☻ᴥᴥᴥ☻ᴥᴥᴥ☻
LVF-Team

Beiträge: 12.612
Registriert seit: Feb 2006

Developer Suite Core -> LabVIEW 2015 Prof.
2006
EN

71083
Deutschland
Array gruppieren
Hi Lucki,

kannst Du bitte auch das VI anhängen? Wie sagt Deine Signatur so schön? "Ein VI sagt mehr als 1000 Worte". Big Grin

Gruß Markus

' schrieb:Letztlich wird wohl nicht wesentlich einfacher als so gehen- Oder hat jemand eine bessere Idee?

--------------------------------------------------------------------------
Bitte stellt mir keine Fragen über PM, dafür ist das Forum da - andere haben vielleicht auch Interesse an der Antwort !!
--------------------------------------------------------------------------
Alle Beiträge dieses Benutzers finden
Diese Nachricht in einer Antwort zitieren to top
25.12.2006, 18:45
Beitrag #5

Lucki Offline
Tech.Exp.2.Klasse
LVF-Team

Beiträge: 7.699
Registriert seit: Mar 2006

LV 2016-18 prof.
1995
DE

01108
Deutschland
Array gruppieren
' schrieb:kannst Du bitte auch das VI anhängen? Wie sagt Deine Signatur so schön? "Ein VI sagt mehr als 1000 Worte". Big Grin
Hallo Markus,
freue mich, daß ich nicht der Einzige bin, der hier immer im Dienst ist. Habe das Vi jetzt noch mit Zwischenergebnis-Anzeigen aufgemotzt, damit es leichter verständlich wird. Also alles was gelb ist, ist quasi nur Kommentar.
Gruß Ludwig.


Angehängte Datei(en)
Sonstige .vi  Sortieren.vi (Größe: 34,4 KB / Downloads: 322)
Alle Beiträge dieses Benutzers finden
Diese Nachricht in einer Antwort zitieren to top
27.12.2006, 15:41
Beitrag #6

computerdigitec Offline
LVF-Neueinsteiger


Beiträge: 8
Registriert seit: Dec 2006

8.00
2004
kA


Schweiz
Array gruppieren
' schrieb:Hallo Markus,
freue mich, daß ich nicht der Einzige bin, der hier immer im Dienst ist. Habe das Vi jetzt noch mit Zwischenergebnis-Anzeigen aufgemotzt, damit es leichter verständlich wird. Also alles was gelb ist, ist quasi nur Kommentar.
Gruß Ludwig.


Vielen Dank für die Antworten!

Ich werde das VI gleich mal testen und ggfs. etwas abändern!
Vielen Dank!

Grüsse
Claudio
Alle Beiträge dieses Benutzers finden
Diese Nachricht in einer Antwort zitieren to top
Anzeige
28.12.2006, 11:11
Beitrag #7

Y-P Offline
☻ᴥᴥᴥ☻ᴥᴥᴥ☻
LVF-Team

Beiträge: 12.612
Registriert seit: Feb 2006

Developer Suite Core -> LabVIEW 2015 Prof.
2006
EN

71083
Deutschland
Array gruppieren
Hallo Lucki,

vielen dank für das "Aufmotzen". Wenn alle VIs so wären, dann würde es nicht so oft Nachfragen geben.... Das gibt ein ganz großes Lob von mir. Big Grin

Eigentlich habe ich ja jetzt frei, aber man schaut halt doch ab und zu mal hier ins Forum, wenn man sonst auch jeden Tag reinschaut. Sonst würde einem ja was fehlen. Big Grin

Frohes Schaffen und schöne Grüße
Markus


' schrieb:Hallo Markus,
freue mich, daß ich nicht der Einzige bin, der hier immer im Dienst ist. Habe das Vi jetzt noch mit Zwischenergebnis-Anzeigen aufgemotzt, damit es leichter verständlich wird. Also alles was gelb ist, ist quasi nur Kommentar.
Gruß Ludwig.

--------------------------------------------------------------------------
Bitte stellt mir keine Fragen über PM, dafür ist das Forum da - andere haben vielleicht auch Interesse an der Antwort !!
--------------------------------------------------------------------------
Alle Beiträge dieses Benutzers finden
Diese Nachricht in einer Antwort zitieren to top
Antwort schreiben 


Möglicherweise verwandte Themen...
Themen Verfasser Antworten Views Letzter Beitrag
  Gruppieren von anderen Frontpanel Elementen mit Tab Control Ksanto 5 6.474 20.09.2017 08:22
Letzter Beitrag: GerdW
  Gruppieren von FP objekten Kex2006 3 8.416 03.12.2008 09:18
Letzter Beitrag: jg

Gehe zu: