INFO: Dieses Forum nutzt Cookies...
Cookies sind für den Betrieb des Forums unverzichtbar. Mit der Nutzung des Forums erklärst Du dich damit einverstanden, dass wir Cookies verwenden.

Es wird in jedem Fall ein Cookie gesetzt um diesen Hinweis nicht mehr zu erhalten. Desweiteren setzen wir Google Adsense und Google Analytics ein.


Antwort schreiben 

Array überschreibt immer alte Werte mit den neuen



Wenn dein Problem oder deine Frage geklärt worden ist, markiere den Beitrag als "Lösung",
indem du auf den "Lösung" Button rechts unter dem entsprechenden Beitrag klickst. Vielen Dank!

16.11.2007, 11:49
Beitrag #1

Phartas Offline
LVF-Grünschnabel
*


Beiträge: 12
Registriert seit: Oct 2007

8.5 / Vision Development Module
2002
kA


Deutschland
Array überschreibt immer alte Werte mit den neuen
Ich habe ein Problem mit den Arrays.

Das gesamte Programm wird zwar mit dem Vision Paket Programmiert aber für mein Teilproblem ist es egal.

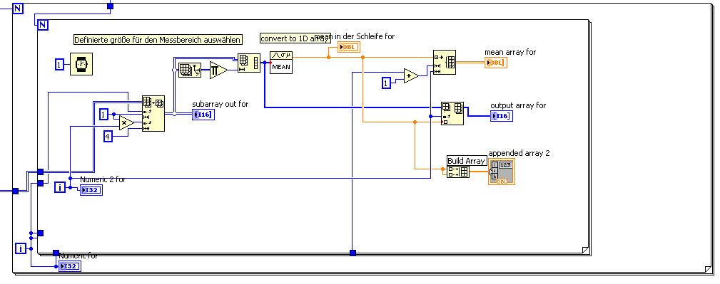
Also ich will ein Image als ein Array einlesen, das klappt auch, nun will ich über eine Bestimmt Größe (1x4) die Mittelwerte aller Pixel auslesen, dass klappt auch.
Mein Problem ist jetzt, dass die eingelesenen Mittelwerte in ein Array abspeichern will. Ich kann sie zwar der einlesen, aber die alten Werte werden wieder überschrieben und so läuft das Array immer mit den gleichen Zahlen voll.

   

   


Ich weis, dass das so nicht gut Programmiert ist, aber es ist erstmal nur zum Testen ob es so überhaupt läuft.
Verbesserungsvorschläge sind immer willkommen.


Angehängte Datei(en) Thumbnail(s)
       
Alle Beiträge dieses Benutzers finden
Diese Nachricht in einer Antwort zitieren to top
Anzeige
19.11.2007, 11:20
Beitrag #2

monoceros84 Offline
LVF-Stammgast
***


Beiträge: 445
Registriert seit: Oct 2006

2011
2006
EN


Deutschland
Array überschreibt immer alte Werte mit den neuen
Eine zu kurze Fehlerbeschreibung viele Rechtschreib-/ Grammatikfehler machen es irgendwie unmöglich, dein Problem richtig zu verstehen. Das ist wohl der Grund, warum du bis jetzt keine Hilfe bekommen hast...

Erkläre die Situation nochmal genauer, dann wird das schon. Also was wird wo/ wann/ mit was überschrieben, was wird eigentlich erwartet usw. Weiterhin sind VIs meist praktischer als Screenshots, weil man die ausprobieren kann...

Alle Beiträge dieses Benutzers finden
Diese Nachricht in einer Antwort zitieren to top
19.11.2007, 12:12
Beitrag #3

jg Offline
CLA & CLED
LVF-Team

Beiträge: 15.864
Registriert seit: Jun 2005

20xx / 8.x
1999
EN

Franken...
Deutschland
Array überschreibt immer alte Werte mit den neuen
Ich denke mal, dein Fehler liegt hier:

   

Ein Insert-Arry, bei dem Eingangs- und Insert-Array identisch sind, was soll das? Da kann sich dein Output-Array ja nicht groß ändern.

MfG, Jens

Wer die erhabene Weisheit der Mathematik tadelt, nährt sich von Verwirrung. (Leonardo da Vinci)

!! BITTE !! stellt mir keine Fragen über PM, dafür ist das Forum da - andere haben vielleicht auch Interesse an der Antwort!

Einführende Links zu LabVIEW, s. GerdWs Signatur.
Alle Beiträge dieses Benutzers finden
Diese Nachricht in einer Antwort zitieren to top
20.11.2007, 08:32
Beitrag #4

Phartas Offline
LVF-Grünschnabel
*


Beiträge: 12
Registriert seit: Oct 2007

8.5 / Vision Development Module
2002
kA


Deutschland
Array überschreibt immer alte Werte mit den neuen
Dann versuche ich das mal genauer zu erklären, bin aber schon weiter im Programmieren.

Mein Problem war, dass das Array die alter Werte immer überschrieben hat, dass ist aber schon gelöst.
So mein neues und alles überflüssige mal raus. Die Doppelzuweisung bei dem alten war auch nur ein test was das vi so macht wenn ich so anschließe, kein wirklicher Lösungsansatz.

   

   

Mein aktuelles Problem ist nun, das die Innere Schleife viel viel zu langsam zählt. Zudem spring sie auch. Also die macht den ersten Wert, dann wartet sie und schreibt dann den 2 und 3 Wert auf einmal.

Ich glaub, dass es daran liegt, dass er sich verhaspelt, weil es zu schnell zählen will und dann mit der inneren und der äußeren durcheinander kommt.
Wenn ich das ganze im Highlight-Modus laufen lasse, funktioniert es ganz normal.

Hoffe, dass mir vielleicht jetzt jemand helfen kann. Wenn es immer noch zu undeutlich ist, bitte melden.
Alle Beiträge dieses Benutzers finden
Diese Nachricht in einer Antwort zitieren to top
20.11.2007, 08:57
Beitrag #5

Y-P Offline
☻ᴥᴥᴥ☻ᴥᴥᴥ☻
LVF-Team

Beiträge: 12.612
Registriert seit: Feb 2006

Developer Suite Core -> LabVIEW 2015 Prof.
2006
EN

71083
Deutschland
Array überschreibt immer alte Werte mit den neuen
Bau' mal eine Zeitverzögerung in Deine Forschleifen (z.B. 5 ms). Vielleicht hilft das.

Gruß Markus

--------------------------------------------------------------------------
Bitte stellt mir keine Fragen über PM, dafür ist das Forum da - andere haben vielleicht auch Interesse an der Antwort !!
--------------------------------------------------------------------------
Alle Beiträge dieses Benutzers finden
Diese Nachricht in einer Antwort zitieren to top
20.11.2007, 10:11
Beitrag #6

Achim Offline
*****
*****


Beiträge: 4.226
Registriert seit: Nov 2005

20xx
2000
EN

978xx
Deutschland
Array überschreibt immer alte Werte mit den neuen
' schrieb:Mein aktuelles Problem ist nun, das die Innere Schleife viel viel zu langsam zählt. Zudem spring sie auch. Also die macht den ersten Wert, dann wartet sie und schreibt dann den 2 und 3 Wert auf einmal.

Ich glaub, dass es daran liegt, dass er sich verhaspelt, weil es zu schnell zählen will und dann mit der inneren und der äußeren durcheinander kommt.

OFF-Topic:


Wer ist "er" ?Wink

Ich glaube nicht, dass sich ein Computer "verhaspeln" kann...der macht genau das, was programmiert wurde!

"Is there some mightier sage, of whom we have yet to learn?"

"Opportunity is missed by most people because it is dressed in overalls and looks like work." (Thomas Edison)
Alle Beiträge dieses Benutzers finden
Diese Nachricht in einer Antwort zitieren to top
Anzeige
20.11.2007, 10:22
Beitrag #7

jg Offline
CLA & CLED
LVF-Team

Beiträge: 15.864
Registriert seit: Jun 2005

20xx / 8.x
1999
EN

Franken...
Deutschland
Array überschreibt immer alte Werte mit den neuen
Kann Achim nur zustimmen. Das ganze läuft bloss so schnell, dass du halt die Schleifendurchläufe auf dem FP nicht mehr siehst. Übrigens, in jedem Durchlauf ein 4000x3000 Array auf dem FP upzudaten, ist auch nicht gerade resourcenschonend.

Anbei noch ein kleiner Verbesserungsvorschlag:

   

MfG, Jens

Wer die erhabene Weisheit der Mathematik tadelt, nährt sich von Verwirrung. (Leonardo da Vinci)

!! BITTE !! stellt mir keine Fragen über PM, dafür ist das Forum da - andere haben vielleicht auch Interesse an der Antwort!

Einführende Links zu LabVIEW, s. GerdWs Signatur.
Alle Beiträge dieses Benutzers finden
Diese Nachricht in einer Antwort zitieren to top
08.04.2011, 10:10
Beitrag #8

Rammenstein Offline
LVF-Grünschnabel
*


Beiträge: 13
Registriert seit: Mar 2011

Full
2009
DE



RE: Array überschreibt immer alte Werte mit den neuen
Hallo,
ich habe folgende Problem. Ich entnehme einem Netzteil Messwerte und schreibe sie in ein Ein-Dimensionales Array. Die Messung wird über einen Button gestartet und Beendet. Ich möchte das die Aufzeichnung der Messwerte beim betätigen des Buttons immer ab Index 0 in das Array geschrieben wird. Zurzeit werden die Messwerte immer Fortlaufend, nach erneuter betätigung der Messfunktion, in das Array geschrieben.
Alle Beiträge dieses Benutzers finden
Diese Nachricht in einer Antwort zitieren to top
08.04.2011, 10:13
Beitrag #9

GerdW Offline
______________
LVF-Team

Beiträge: 17.534
Registriert seit: May 2009

LV2019 (LV2021)
1995
DE_EN

10×××
Deutschland
RE: Array überschreibt immer alte Werte mit den neuen
Hallo Rammenstein,

wieso kaperst du für deine Frage einen (uralten) Thread statt einen neuen anzzulegen?
Wieso hängst du kein VI mit deinem bisherigen eigenen Versuch an?

Alle Beiträge dieses Benutzers finden
Diese Nachricht in einer Antwort zitieren to top
Antwort schreiben 


Möglicherweise verwandte Themen...
Themen Verfasser Antworten Views Letzter Beitrag
  Labview auf neuen Rechner installieren gottfried 5 5.544 11.02.2021 19:25
Letzter Beitrag: GerdW
  Suche Ideen für den Aufbau eines neuen Programms TpunktN 4 5.038 17.12.2020 11:23
Letzter Beitrag: MScz
  Werte in Array schreiben- Mittelwert bilden und ausgeben um0k 10 11.215 25.08.2020 14:19
Letzter Beitrag: GerdW
  2D Array Werte zuordnen Floorhahn 2 6.590 27.01.2020 13:27
Letzter Beitrag: Floorhahn
  Werte nacheinander in Array schreiben über ein Schieberegister BlackEagle 5 9.889 13.12.2019 13:40
Letzter Beitrag: GerdW
  Werte aus Array als Anzeigeelement ares2013 11 11.567 30.04.2019 14:28
Letzter Beitrag: ares2013

Gehe zu: