INFO: Dieses Forum nutzt Cookies...
Cookies sind für den Betrieb des Forums unverzichtbar. Mit der Nutzung des Forums erklärst Du dich damit einverstanden, dass wir Cookies verwenden.

Es wird in jedem Fall ein Cookie gesetzt um diesen Hinweis nicht mehr zu erhalten. Desweiteren setzen wir Google Adsense und Google Analytics ein.


Antwort schreiben 

Array umsortieren und Frontpanelgröße



Wenn dein Problem oder deine Frage geklärt worden ist, markiere den Beitrag als "Lösung",
indem du auf den "Lösung" Button rechts unter dem entsprechenden Beitrag klickst. Vielen Dank!

13.10.2008, 07:22
Beitrag #1

timo_4711 Offline
LVF-Neueinsteiger


Beiträge: 2
Registriert seit: Oct 2008

8.5
2007
de

50000
Deutschland
Array umsortieren und Frontpanelgröße
Hallo liebe User,
ich bin ein LabVIEW-Neuling und habe im Moment folgendes Problem:

ich generiere ein 2-dim.Array (matrix) und möchte einfach die Anordnung der Zeilen verändern:
habe zum Beispiel:
1 2 3
4 5 6
7 8 9

und möchte:

9 8 7
6 5 4
3 2 1

also in x und y gespiegelt.
Wie kann ich das bewerkstelligen?
(die echte Matrixgröße beträgt 99x99)

und:
Wenn ich ein Frontpanel erstellt habe (Registrierkarte), dann wird beim Ausführen des Programms immer
der gesamte Bildschirm ausgefüllt (also der ungenutzte Bereich rundherum ist grau).
Wie vermeide ich das?
Kann ich einen automatischen Bildwechsel von dem ersten Reiter der Registrierkarte auf den zweiten
durch einen ok-Button-klick im ersten Reiter erreichen?


grüsse timo
Alle Beiträge dieses Benutzers finden
Diese Nachricht in einer Antwort zitieren to top
Anzeige
13.10.2008, 07:38
Beitrag #2

Zonan Offline
CLD
*


Beiträge: 13
Registriert seit: Feb 2007

7.0 - 2011
2005
kA

72800
Deutschland
Array umsortieren und Frontpanelgröße
Die schnellste, aber wohl nicht sauberste Lösung ist:

du indexierst den 2d-Array über ne for-schleife, dadrin drehst du den 1D-Array um ("reverse 1D Array"-Funktion), nach der Schleife musst du den neuen 2D-Array "drehen" über die transpose-Fkt. Dann wieder For-Schleife mit reverse Array, und am Ende noch mal zurück "drehen"

Siehe bsp. VI (LV 8.5.1)


Geht bestimmt auch einfacher oder schneller....


Angehängte Datei(en)
Sonstige .vi  Forum.vi (Größe: 9,97 KB / Downloads: 325)

Wo kämen wir hin,
wenn alle sagten,
wo kämen wir hin,
und niemand ginge,
um mal zu schauen,
wohin man käme,
wenn man ginge.


kurt marti
Webseite des Benutzers besuchen Alle Beiträge dieses Benutzers finden
Diese Nachricht in einer Antwort zitieren to top
13.10.2008, 07:48
Beitrag #3

Y-P Offline
☻ᴥᴥᴥ☻ᴥᴥᴥ☻
LVF-Team

Beiträge: 12.612
Registriert seit: Feb 2006

Developer Suite Core -> LabVIEW 2015 Prof.
2006
EN

71083
Deutschland
Array umsortieren und Frontpanelgröße
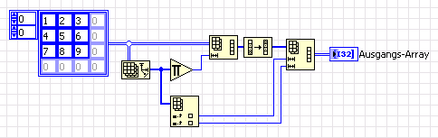
Das mit dem Spiegeln kannst Du z.B. so machen. Das habe ich Dir auf die Schnelle, ohne groß zu überlegen, zusammengeklickt, von daher kann es sein, dass es auch einfacher geht.


Sonstige .vi  Array_in_x_und_y_spiegeln.vi (Größe: 9,7 KB / Downloads: 365)

Lv85_img

Das Problem mit dem FP habe ich nicht verstanden.

Gruß Markus

--------------------------------------------------------------------------
Bitte stellt mir keine Fragen über PM, dafür ist das Forum da - andere haben vielleicht auch Interesse an der Antwort !!
--------------------------------------------------------------------------
Alle Beiträge dieses Benutzers finden
Diese Nachricht in einer Antwort zitieren to top
13.10.2008, 09:58 (Dieser Beitrag wurde zuletzt bearbeitet: 13.10.2008 10:27 von Lucki.)
Beitrag #4

Lucki Offline
Tech.Exp.2.Klasse
LVF-Team

Beiträge: 7.699
Registriert seit: Mar 2006

LV 2016-18 prof.
1995
DE

01108
Deutschland
Array umsortieren und Frontpanelgröße
' schrieb:Wenn ich ein Frontpanel erstellt habe (Registrierkarte), dann wird beim Ausführen des Programms immer
der gesamte Bildschirm ausgefüllt (also der ungenutzte Bereich rundherum ist grau).
Wie vermeide ich das?
Kann ich einen automatischen Bildwechsel von dem ersten Reiter der Registrierkarte auf den zweiten
durch einen ok-Button-klick im ersten Reiter erreichen?
grüsse timo
Das sind zwei Fragen:
1. Wenn Du das FP-Fenster nur genau so groß machst wie es tatsächlich gebraucht wird und Du das abspeicherst, dann wird das VI auch beim nächsten Aufruf nur in dieser Größe aufgemacht werden.
2. Ja das geht. Du kannst im BD vom Registerelement lokale Variable mit Schreibzugriff erstellen, oder auch das Element selbst in eine Anzeige umwandeln und direkt beschreiben.

Möchte Dich auch darauf hinweisen, daß es unter Mathematikneare Algebra alle erdenklichen Matrixoperationen gibt, die sich auch auf 2D-Arrays anwenden kannst. Könnte sein, daß da für Dich etwas Passendes dabei ist.

Ansonsten wäre eine Alternative zu den oben schon genannten Lösungen der direkte Austausch der Elemente:
   
Alle Beiträge dieses Benutzers finden
Diese Nachricht in einer Antwort zitieren to top
13.10.2008, 17:32
Beitrag #5

MikeS81 Offline
LVF-Gelegenheitsschreiber
**


Beiträge: 231
Registriert seit: Aug 2008

8.5
2005
de_en

81xxx
Deutschland
Array umsortieren und Frontpanelgröße
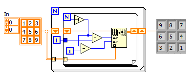
Hallo zusammen,
hier mal ein Beispiel ohne Schleife.

Mike


Angehängte Datei(en) Thumbnail(s)
   
Alle Beiträge dieses Benutzers finden
Diese Nachricht in einer Antwort zitieren to top
13.10.2008, 18:00
Beitrag #6

timo_4711 Offline
LVF-Neueinsteiger


Beiträge: 2
Registriert seit: Oct 2008

8.5
2007
de

50000
Deutschland
Array umsortieren und Frontpanelgröße
Hallo Leute,
erst einmal vielen Dank das ihr so schnell geantwortet habt!
ich sag`s mal so: ..spricht für ein gut besuchtes, und vor allem erntszunehmendes, Forum
(...war also ein super tipp meines freundes)
all in one: `find ich super!

' schrieb:Das sind zwei Fragen:
1. Wenn Du das FP-Fenster nur genau so groß machst wie es tatsächlich gebraucht wird und Du das abspeicherst, dann wird das VI auch beim nächsten Aufruf nur in dieser Größe aufgemacht werden.
2. Ja das geht. Du kannst im BD vom Registerelement lokale Variable mit Schreibzugriff erstellen, oder auch das Element selbst in eine Anzeige umwandeln und direkt beschreiben.

Möchte Dich auch darauf hinweisen, daß es unter Mathematikneare Algebra alle erdenklichen Matrixoperationen gibt, die sich auch auf 2D-Arrays anwenden kannst. Könnte sein, daß da für Dich etwas Passendes dabei ist.

die Variante von Lucki habe ich geade "eingebaut" und ..it works.
Die Matrixoperationen habe ich gefunden. Das gibt ja völlig neue Möglichkeiten!
( ..: habe bis letzte Woche noch mit LV6.0 gearbeitet)

zum theme mit der Registrierkarte:
zu 1.) verstanden; aber der graue Bereich (ich habe nur zwei Reiter) bleibt dann grau, oder?
Was geschieht damit, wenn ich daraus eine .exe machen möchte? Bleibt dann der freie Bereich (oben rechts) mit dem Karomuster belegt?
zu 2.) Sorry, aber das verstehe ich leider noch nicht. Soll ich im BD mittels Rechtsklick die Datenbindung manipulieren?
(was ich eigentlich will: Habe FP als RKarte mit zwei Reitern. Wenn die Einstellungen im ersten Reiter erledigt sind, dann soll der user auf "ok" klicken (whileschleife) und es soll der zweite Reiterinhalt angezeigt werden)

grüsse
timo
Alle Beiträge dieses Benutzers finden
Diese Nachricht in einer Antwort zitieren to top
Anzeige
13.10.2008, 21:53 (Dieser Beitrag wurde zuletzt bearbeitet: 13.10.2008 23:16 von jg.)
Beitrag #7

jg Offline
CLA & CLED
LVF-Team

Beiträge: 15.864
Registriert seit: Jun 2005

20xx / 8.x
1999
EN

Franken...
Deutschland
Array umsortieren und Frontpanelgröße
' schrieb:zum theme mit der Registrierkarte:
zu 1.) verstanden; aber der graue Bereich (ich habe nur zwei Reiter) bleibt dann grau, oder?
Was geschieht damit, wenn ich daraus eine .exe machen möchte? Bleibt dann der freie Bereich (oben rechts) mit dem Karomuster belegt?
Verstehe ich richtig, du meinst das Positionsraster? Das dient in der IDE doch nur als Hilfe, ist schon dann nicht mehr vorhanden, wenn du ein VI innerhalb der IDE ausführst. (in einer Exe sowieso nicht).

Die Größe und generelle Anzeige kannst du übrigens selber einstellen, unter Tools->Options->Alignment Grid.

Gruß, Jens

Wer die erhabene Weisheit der Mathematik tadelt, nährt sich von Verwirrung. (Leonardo da Vinci)

!! BITTE !! stellt mir keine Fragen über PM, dafür ist das Forum da - andere haben vielleicht auch Interesse an der Antwort!

Einführende Links zu LabVIEW, s. GerdWs Signatur.
Alle Beiträge dieses Benutzers finden
Diese Nachricht in einer Antwort zitieren to top
14.10.2008, 07:24
Beitrag #8

Lucki Offline
Tech.Exp.2.Klasse
LVF-Team

Beiträge: 7.699
Registriert seit: Mar 2006

LV 2016-18 prof.
1995
DE

01108
Deutschland
Array umsortieren und Frontpanelgröße
' schrieb:hier mal ein Beispiel ohne Schleife.
Von den gezeigten Beispielen vergebe ich Dir hiermit kraft meines Amtes den ersten Preis 2hands Herzlichen Glückwunsch!
Gruß Ludwig
Alle Beiträge dieses Benutzers finden
Diese Nachricht in einer Antwort zitieren to top
Antwort schreiben 


Möglicherweise verwandte Themen...
Themen Verfasser Antworten Views Letzter Beitrag
  Frontpanelgröße zur Laufzeit programmatisch verändern? Sascha_ 4 8.157 25.04.2011 08:50
Letzter Beitrag: jg

Gehe zu: