Dieses Thema hat akzeptierte Lösungen:
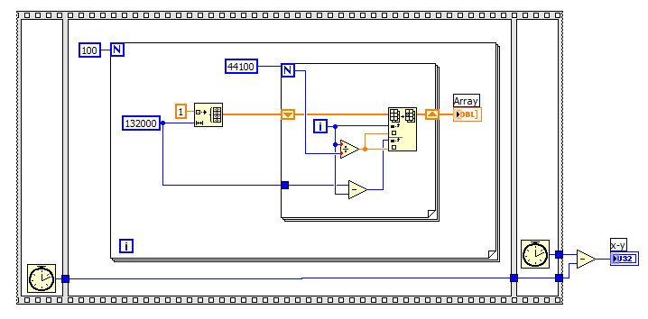
Arrayoperation dauert ewig |
Wenn dein Problem oder deine Frage geklärt worden ist, markiere den Beitrag als "Lösung",
indem du auf den "Lösung" Button rechts unter dem entsprechenden Beitrag klickst. Vielen Dank!
| 30
|
|
|
| Möglicherweise verwandte Themen... | |||||
| Themen | Verfasser | Antworten | Views | Letzter Beitrag | |
| Aufruf externer Lib dauert sehr lange | dimitri84 | 7 | 8.302 |
21.05.2013 08:18 Letzter Beitrag: dimitri84 |
|
| Timed loop dauert länger als vorgegeben | AnnaGT | 8 | 9.314 |
15.11.2012 19:36 Letzter Beitrag: jg |
|
| Start von erstellter Applikation dauert sehr lange | BastiFantasti | 18 | 17.154 |
18.11.2010 16:08 Letzter Beitrag: macmarvin |
|









