
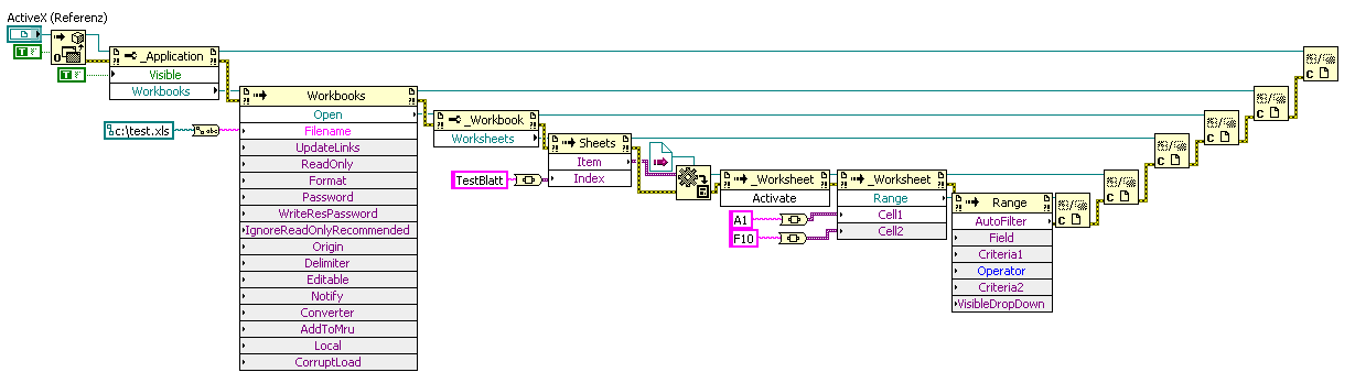
Folgender Code funktioniert bei mir ohne Fehlermeldung...
Die Autofilter Methode ist übrigens ein Toggle... ist kein Autofilter auf der angegebenen Range wird einer angezeigt, ist bereits ein Autofilter da, wird er entfernt.
Es ist auch egal, ob die Range in Cell1 angegeben wird oder als Kombination aus Cell1 und Cell2
Wenn du diesen Fehler hier bekommst...
dann liegt es daran, dass du auf einem LEEREN Arbeitsblatt keinen Autofilter erzeugen kannst!
Gruß SeBa
PS:
BD setzt voraus, dass die Datei "C:\test.xls" existiert und ein Arbeitsblatt "TestBlatt" mit Daten enthält.