INFO: Dieses Forum nutzt Cookies...
Cookies sind für den Betrieb des Forums unverzichtbar. Mit der Nutzung des Forums erklärst Du dich damit einverstanden, dass wir Cookies verwenden.

Es wird in jedem Fall ein Cookie gesetzt um diesen Hinweis nicht mehr zu erhalten. Desweiteren setzen wir Google Adsense und Google Analytics ein.


Antwort schreiben 

Automatisches erzeugen einer .txt Datei auf Basis einer anderen .txt Datei



Wenn dein Problem oder deine Frage geklärt worden ist, markiere den Beitrag als "Lösung",
indem du auf den "Lösung" Button rechts unter dem entsprechenden Beitrag klickst. Vielen Dank!

18.10.2019, 14:05
Beitrag #1

PSchenk Offline
LVF-Neueinsteiger


Beiträge: 3
Registriert seit: Aug 2019

2014
-
kA



Automatisches erzeugen einer .txt Datei auf Basis einer anderen .txt Datei
Hallo Community,

ich sitze seit einiger Zeit an einem Programm für die Steuerung eines Peelprüfstands.
Das Programm funktioniert mittlerweile, aber es tauchen immer mal wieder Probleme bzw. Wünsche bezüglich Erweiterungen auf.

So auch der Anlass für diesen Post. Vorneweg ich bin ein Absoluter Labview Leihe und muss mich hier im Rahmen meiner Masterarbeit durchkämpfen.

Beschreibung des Problems:

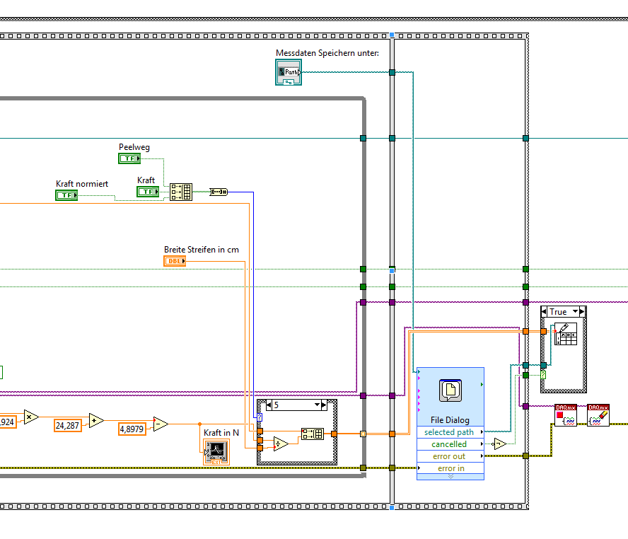
Ich habe zwei verschiedene Datenstränge die ich auslese. Der eine ist der Peelweg und der andere die Peelkraft. Das funktioniert auch alles ganz gut. Jetzt würde ich gerne die Peelkraft gerne durch einen Faktor teilen um sie auf N/cm zu normieren. Auch das habe ich hinbekommen.
Ich hab mir dann ein Auswahlfenster geschrieben um auszuwählen welche Daten in meiner .txt Datei angezeigt werden sollen. Das klappt auch. Jetzt das was noch nicht funktioniert. ich würde gerne zusätzlich zu der .txt Datei mit den aufgezeichneten Messwerten eine zweite Datei anlegen in der drin steht was ich für werte aufgenommen habe. also in der einen Datei stehen also die zahlen werte drin und in der zweiten Datei soll einfach nur eine Zeile drin stehen in der dann z.B. Peelweg, normierte kraft und der Betrag durch den ich normiert habe erscheint. dad möchte ich machen um bei eventuellen Tippfehlern, dann einfach später noch nachvollziehen zu können was ich gemacht habe. diese zweite Datei soll sich automatisch erstellen und dabei den Namen der ersten Datei verwenden und diesen beispielsweise um _log ergänzen.

Hat jemand ne Idee wie ich das hinbekomme?

Viele Grüße
Paul

PS: ich hab das Programm und ein Bild um welchen Bereich es sich handelt angefügt.
Bitte beurteilt das Programm an sich nicht, ich weiß das es sicher viel besser gebaut werden könnte, aber dafür fehlt mir leider das KnowHow und die Zeit in meiner Masterarbeit.


Angehängte Datei(en) Thumbnail(s)
   

14.0 .vi  Main.vi (Größe: 83,83 KB / Downloads: 393)
Alle Beiträge dieses Benutzers finden
Diese Nachricht in einer Antwort zitieren to top
Anzeige
18.10.2019, 14:32
Beitrag #2

Trinitatis Offline
LVF-Guru
*****


Beiträge: 1.694
Registriert seit: May 2008

7.1 / 8.0 /2014-1, 18
2002
DE

18055
Deutschland
RE: Automatisches erzeugen einer .txt Datei auf Basis einer anderen .txt Datei
(18.10.2019 14:05 )PSchenk schrieb:  diese zweite Datei soll sich automatisch erstellen und dabei den Namen der ersten Datei verwenden und diesen beispielsweise um _log ergänzen.

Hat jemand ne Idee wie ich das hinbekomme?

Hallo Paul,

ist denn nun der von mir zitierte Teil dein Problem, also aus dem bestehenden Dateinamen einen neuen mit angehängtem Suffix zu machen, oder worin liegt dein Problem. Bei dem, was du inzwischen alles hinbekommen hast kann ich mir nicht so recht vorstellen, dass es nun daran scheitert.

Gruß, Marko
Alle Beiträge dieses Benutzers finden
Diese Nachricht in einer Antwort zitieren to top
18.10.2019, 14:40
Beitrag #3

PSchenk Offline
LVF-Neueinsteiger


Beiträge: 3
Registriert seit: Aug 2019

2014
-
kA



RE: Automatisches erzeugen einer .txt Datei auf Basis einer anderen .txt Datei
Hallo Marko,

das Problem besteht darin. Die zweite .txt Datei automatisch mit dem entsprechenden Inhalt auf Basis der abgespeicherten ersten Datei zu erstellen.

Jetzt ist es so wenn mein versuch durchgelaufen ist öffnet sich das typische speichern unter Fenster. dort gebe ich dann den Datei Namen der Messreihe ein. (Das .txt muss ich immer noch händisch hinzufügen. Hab in der Hilfe nicht gefunden wie man das automatisch generieren lässt. Aber das ist ein anderes Problem. Tongue) wenn ich jetzt auf speichern drücke, soll im hintergrudn automatisch eine zweite Datei mit der Namenserweiterung und den entsprechenden Inhaltsbeschreibungen abgelegt werden.

Verdeutlicht das besser was ich brauche?

Gruß Paul
Alle Beiträge dieses Benutzers finden
Diese Nachricht in einer Antwort zitieren to top
18.10.2019, 15:24
Beitrag #4

Trinitatis Offline
LVF-Guru
*****


Beiträge: 1.694
Registriert seit: May 2008

7.1 / 8.0 /2014-1, 18
2002
DE

18055
Deutschland
RE: Automatisches erzeugen einer .txt Datei auf Basis einer anderen .txt Datei
(18.10.2019 14:40 )PSchenk schrieb:  Jetzt ist es so wenn mein versuch durchgelaufen ist öffnet sich das typische speichern unter Fenster. dort gebe ich dann den Datei Namen der Messreihe ein. (Das .txt muss ich immer noch händisch hinzufügen. Hab in der Hilfe nicht gefunden wie man das automatisch generieren lässt. Aber das ist ein anderes Problem. Tongue) wenn ich jetzt auf speichern drücke, soll im hintergrudn automatisch eine zweite Datei mit der Namenserweiterung und den entsprechenden Inhaltsbeschreibungen abgelegt werden.

Hallo Paul,

also das typische Dateidialogfenster öffnet sich ja nur, weil du es als Express-VI in deinen Quellcode gelegt hast. Den Fateipfad kannst du dir auch selbst zusammenbauen und an die FileSave-Funktion übergeben.
Und wenn du dir den einen Dateinamen erstellst, kannst du dir auf dessen Basis auch gleich parallel dazu den zweiten erstellen.


Gruß, Marko
Alle Beiträge dieses Benutzers finden
Diese Nachricht in einer Antwort zitieren to top
18.10.2019, 15:34 (Dieser Beitrag wurde zuletzt bearbeitet: 18.10.2019 15:35 von GerdW.)
Beitrag #5

GerdW Offline
______________
LVF-Team

Beiträge: 17.540
Registriert seit: May 2009

LV2019 (LV2021)
1995
DE_EN

10×××
Deutschland
RE: Automatisches erzeugen einer .txt Datei auf Basis einer anderen .txt Datei
Hallo PSchenk,

Zitat:ich würde gerne zusätzlich zu der .txt Datei mit den aufgezeichneten Messwerten eine zweite Datei anlegen in der drin steht was ich für werte aufgenommen habe. also in der einen Datei stehen also die zahlen werte drin und in der zweiten Datei soll einfach nur eine Zeile drin stehen in der dann z.B. Peelweg, normierte kraft und der Betrag durch den ich normiert habe erscheint.
Ich würde das alles in einer einzigen Datei speichern:
- immer 3 Spalten für die Messwerte, unnötige evtl. durch Null (oder NaN) ersetzen (deine aktuelle Methode erzeugt Probleme beim Auswerten der Daten, da sich ständig die Anzahl der sinnvollen Spalten ändern kann!)
- dann 3 Spalten, in denen 0 oder 1 drin steht: damit zeigst du an, welche Messwerte gültig sind (deine 3 Auswahlbuttons…)
- dann noch eine Spalte mit deinem Skalierfaktor
- gerne noch einen Timestamp in der ersten Spalte…

Wozu brauchst du dann 2 Dateien?

Wenn du trotzdem unbedingt zwei Dateien haben willst:
Genau wie bei der ersten auch den Dateipfad bilden und die gewünschten Daten hineinschreiben…

Zum VI:
- die Sequenzrahmen sind ALLE unnötig, du must nur THINK DATAFLOW beachten!
- die Case-Struktur, die du zur Datenauswahl benutzt, kann vereinfacht werden: ein Case kann für mehrere Werte gelten (hier "3, 5")…
- wozu rufst du zum Schluß "STOP" auf, aber nur, wenn kein Fehler auftrat? Das VI stoppt doch gleich danach sowieso!?
- ich empfehle dir, (typdefinierte) Cluster zu verwenden: damit kannst du prima die ganzen Geräterückmeldungen zusammenfassen: viel weniger Drähte im MainVI!
- Ich kenne deinen Testablauf nicht, glaube aber, dass eine (oder mehrere) saubere Statemachine, evtl. mit einem QMH orchestriert, dein VI wesentlich übersichtlicher/besser wartbar/besser erweiterbar machen würde…

Alle Beiträge dieses Benutzers finden
Diese Nachricht in einer Antwort zitieren to top
18.10.2019, 16:06
Beitrag #6

PSchenk Offline
LVF-Neueinsteiger


Beiträge: 3
Registriert seit: Aug 2019

2014
-
kA



RE: Automatisches erzeugen einer .txt Datei auf Basis einer anderen .txt Datei
Hallo Gerd,

der Grund weshalb ich zwei Daten möchte ist im Prinzip was "persönliches".
Ich hab die Datenauswertung in Excel. Bei den versuchen an sich entstehen relativ viele Messewerte. Um die Auswertung und Grafische Darstzellung der Werte zu vereinfachen und zu beschleunigen habe ich die Arbeitsmappe so konfiguriert, dass ich einfach nur die Daten einlesen muss und der rest automatisch passiert. Dazu ist es jedoch notwendig das in der Textdatei nur der Peelweg und die normierte Kraft drin steht.

Um wie bereits beschrieben später noch nachzuvollziehen was ich gemessen habe und wie ich normiert habe wollte ich einfach nur diese Infos in eine zusätzliche Datei schreiben.

Gruß

Paul
Alle Beiträge dieses Benutzers finden
Diese Nachricht in einer Antwort zitieren to top
Anzeige
Antwort schreiben 


Möglicherweise verwandte Themen...
Themen Verfasser Antworten Views Letzter Beitrag
  VI begrenzt gelesene CSV Datei auf 128 Zeilen rackpack 1 4.029 22.04.2022 10:49
Letzter Beitrag: GerdW
  Binäre Datei nach Stromausfall leer M.M.H. 6 9.423 16.11.2021 12:52
Letzter Beitrag: GerdW
  UnZip - Datei schließen nach dem UnZip angry_Nameless 6 10.912 15.01.2021 13:33
Letzter Beitrag: Martin.Henz
  CSV Datei -Pfad auswählen Tomate27 6 8.110 02.09.2020 08:33
Letzter Beitrag: GerdW
  CAN-Frames in Datei? Achim 5 6.943 04.08.2020 22:16
Letzter Beitrag: Martin.Henz
  unicode in XML Datei wird als ANSI eingelesen dimitri84 9 9.498 17.07.2020 07:52
Letzter Beitrag: dimitri84

Gehe zu: