INFO: Dieses Forum nutzt Cookies...
Cookies sind für den Betrieb des Forums unverzichtbar. Mit der Nutzung des Forums erklärst Du dich damit einverstanden, dass wir Cookies verwenden.

Es wird in jedem Fall ein Cookie gesetzt um diesen Hinweis nicht mehr zu erhalten. Desweiteren setzen wir Google Adsense und Google Analytics ein.


Antwort schreiben 

BarChart



Wenn dein Problem oder deine Frage geklärt worden ist, markiere den Beitrag als "Lösung",
indem du auf den "Lösung" Button rechts unter dem entsprechenden Beitrag klickst. Vielen Dank!

13.09.2006, 10:36
Beitrag #1

maze Offline
LVF-Gelegenheitsschreiber
**


Beiträge: 85
Registriert seit: Sep 2006

8.0
2006
kA


Deutschland
BarChart
Morgen zusammen,

ich habe mal wieder ein kleines Problemchen. Und zwar würde ich gerne meine empfangenen Daten in einem BarChart( Blockdiagram) ploten. Beim Waveform Chart/Graph giebt es diese Option, ich kriege es bloss nicht hin, dass das auch umgesetzt wird.
Meine Daten werden als ein String übermittelt, der is 2048 Byte lang und sieht in etwa so aus: ...,0.3e-06,0.4e-06,0.5e-06,0.5e-06,0.4e-06,0.0e-06,...
Jedem der werte zwischen den Kommas möchte ich einen Peak im Blockdiagramm zuweisen.
Ich kriegs nicht hin!
Vielen Dank für Vorschläge!
gruß maze
Alle Beiträge dieses Benutzers finden
Diese Nachricht in einer Antwort zitieren to top
Anzeige
13.09.2006, 11:05
Beitrag #2

Mr.T Offline
LVF-SeniorMod


Beiträge: 1.007
Registriert seit: Jun 2005

2009
2005
kA

88400
Deutschland
BarChart
Hilft Dir das weiter?

   

Gruß

Mit einem freundlichen Wort und etwas Gewalt erreicht man viel mehr als nur mit einem freundlichen Wort. [...Marcus zu Lennier, B5]
Alle Beiträge dieses Benutzers finden
Diese Nachricht in einer Antwort zitieren to top
17.11.2006, 15:19
Beitrag #3

maze Offline
LVF-Gelegenheitsschreiber
**


Beiträge: 85
Registriert seit: Sep 2006

8.0
2006
kA


Deutschland
BarChart
moin mr.t,
bin erst jetzt dazu gekommen deinen vorschlag auszuprobieren. ist ne riesennummer.
thx a lot
Alle Beiträge dieses Benutzers finden
Diese Nachricht in einer Antwort zitieren to top
30.11.2006, 13:37
Beitrag #4

maze Offline
LVF-Gelegenheitsschreiber
**


Beiträge: 85
Registriert seit: Sep 2006

8.0
2006
kA


Deutschland
BarChart
moin, der vorschlag war gut. klappt aber noch nicht so wie ich es genau brauche bzw das problem hat sich geändert.

es sieht folgendermaßen aus:
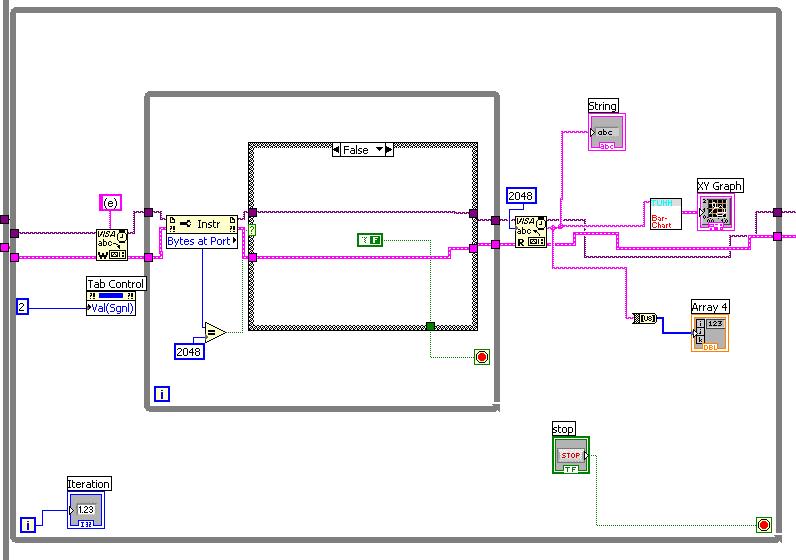
ich sende per VISA write den Befehl (e), daraufhin werden Daten vom Massenspektrometer zum COmputer gesendet. Ich möchte ab dem ersten empfangenen 'Carriage Return' die Daten bis zum nächsten 'CArriage Return' im xy-Graph darstellen. Wenn alles richtig ist, sind das 256 Werte, die per ',' getrennt sind. Desweiteren möchte ich nicht warten bis alle Daten im Buffer sind sonder anfangen auszulesen, sobald Daten vorhanden sind.

Hoffentlich kann jemand was mit meinem Problem anfangen...

mfg maze

ps: ich hoffe ich hab mich verständlich ausgedrückt.
Alle Beiträge dieses Benutzers finden
Diese Nachricht in einer Antwort zitieren to top
01.12.2006, 16:20
Beitrag #5

maze Offline
LVF-Gelegenheitsschreiber
**


Beiträge: 85
Registriert seit: Sep 2006

8.0
2006
kA


Deutschland
BarChart
falls es jmd interessiert, ich habs hinbekommen...




   
Alle Beiträge dieses Benutzers finden
Diese Nachricht in einer Antwort zitieren to top
08.12.2006, 13:12
Beitrag #6

maze Offline
LVF-Gelegenheitsschreiber
**


Beiträge: 85
Registriert seit: Sep 2006

8.0
2006
kA


Deutschland
BarChart
moin, barchart klappt ja soweit ganz gut. Was ich jetzt noch bräuchte ist die Möglichkeit, die x-achse nicht als time zu nutzen, sondern je nach einstellung anzupassen. es soll nämlich jedem peak eine 'Masse' auf der x-Achse zugeordnet werden. Genau bedeutet das, dass ich per Eingabe den ersten und letzten wert einstelle und den Bereich auf der x-Achse darstellen möchte.
Ist wohl auch nicht weiter kompliziert, aber ich seh es nich...
thx
maze
Alle Beiträge dieses Benutzers finden
Diese Nachricht in einer Antwort zitieren to top
Anzeige
08.12.2006, 18:37
Beitrag #7

Lucki Offline
Tech.Exp.2.Klasse
LVF-Team

Beiträge: 7.699
Registriert seit: Mar 2006

LV 2016-18 prof.
1995
DE

01108
Deutschland
BarChart
Das SubVi "Barchard", woher hast Du das? Ist es aus einem Beispiel von LabVIEW? Es geht aber auch ohne das sehr einfach, und am besten mit einer einem einfachen Graphen.
"jedem peak ein Masse zuordnen" - das verstehe ich nicht. Meinst Du damit, jedem Streifen eine individuelle Breite zuordnen, "Masse" in Sinne von Gewichtung, Fläche des Streifens?
Alle Beiträge dieses Benutzers finden
Diese Nachricht in einer Antwort zitieren to top
11.12.2006, 10:35
Beitrag #8

maze Offline
LVF-Gelegenheitsschreiber
**


Beiträge: 85
Registriert seit: Sep 2006

8.0
2006
kA


Deutschland
BarChart
das subvi hab ich selber gemacht, ist aber nicht viel anders als das, was mrT oben beigetragen hat.
mit masse meine ich wirklich masse, also molekühl bzw atommasse.
in dem programm ist es so, dass ich den scanbereich festlege. als beispiel könnte man sagen, wir starten bei masse 16(Sauerstoff) und nehmen einen scanbereich von 64, dh die erste masse wäre 16 und die letze 80, dazwischen werden einem 256 scanwerte ausgegeben.
ich möchte also in dem fall meine x-achse automatisch von 16 bis 80 eingestellt haben...
Alle Beiträge dieses Benutzers finden
Diese Nachricht in einer Antwort zitieren to top
Antwort schreiben 


Gehe zu: