INFO: Dieses Forum nutzt Cookies...
Cookies sind für den Betrieb des Forums unverzichtbar. Mit der Nutzung des Forums erklärst Du dich damit einverstanden, dass wir Cookies verwenden.

Es wird in jedem Fall ein Cookie gesetzt um diesen Hinweis nicht mehr zu erhalten. Desweiteren setzen wir Google Adsense und Google Analytics ein.


Antwort schreiben 

Dieses Thema hat akzeptierte Lösungen:

Bei einem TextRing vergebene Werte ausblenden



Wenn dein Problem oder deine Frage geklärt worden ist, markiere den Beitrag als "Lösung",
indem du auf den "Lösung" Button rechts unter dem entsprechenden Beitrag klickst. Vielen Dank!

20.03.2015, 18:11
Beitrag #1

bietus Offline
LVF-Neueinsteiger


Beiträge: 4
Registriert seit: Mar 2015

2014
2014
kA



Wink Bei einem TextRing vergebene Werte ausblenden
Hallo zusammen. Habe mich gerade im Forum angemeldet.
Ich habe hier schon das eine oder andere gefunden. Danke dafür.
Nun zu meiner Frage.

Ich lese aus einem TC-08 Messwerte von Thermofühler aus.
2 Geräte mit je 8 Kanälen.

In meinem FP kann ich den einzelnen Kanälen des TC-08 eine tatsächliche Position in dem Versuchsaufbau zuweisen.
Z.B. Ch1.1 enthält dann "Gehäuse 2"; Ch1.2 enthält "Glasröhre 1" usw.

Die Positionen kommen aus einem TextRing mit vordefinierten Texten und Werten.
Hier z.B. "Unbenutz" = 0; "Gehäuse 1" = 1; "Gehäuse 2" = 2 etc.

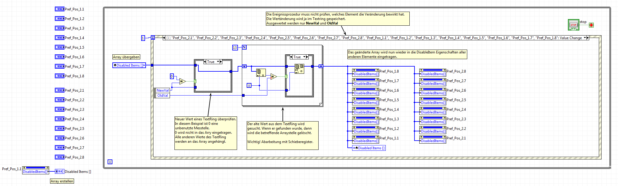
Nun möchte ich in allen TextRing Elementen ( 2x8 Stck. ) die bereits vergebene Position ausblenden.
Grund ist, eine Doppelbelegung der TC-08 Kanäle unmöglich zu machen.

Hat das schon mal jemand gemacht, oder kann mir jemand einen Lösungsansatz geben?

Danke jetzt schon mal...Blush

Ups! Das wusste ich schon?!
Alle Beiträge dieses Benutzers finden
Diese Nachricht in einer Antwort zitieren to top
Anzeige
20.03.2015, 19:09
Beitrag #2

GerdW Offline
______________
LVF-Team

Beiträge: 17.536
Registriert seit: May 2009

LV2019 (LV2021)
1995
DE_EN

10×××
Deutschland
RE: Bei einem TextRing vergebene Werte ausblenden
Hallo bietus,

Stichwort: PropertyNodes!

Du kannst bei einem Textring Einträge ausgrauen oder auch programmatisch entfernen…

Alle Beiträge dieses Benutzers finden
Diese Nachricht in einer Antwort zitieren to top
21.03.2015, 14:05
Beitrag #3

bietus Offline
LVF-Neueinsteiger


Beiträge: 4
Registriert seit: Mar 2015

2014
2014
kA



RE: Bei einem TextRing vergebene Werte ausblenden

Akzeptierte Lösung

Hallo. Danke für die Antwort. Ist echt schön zu sehen, dass sich in diesem Forum "gekümmernt" wird. Habe da echt auch schlechte Erfahrungen gemacht. (Andere Foren)

So. Nachdem ich mich nun endlich mal mit Array´s auseinander gesetzt habe, hier nun eine Lösung für mein eigenes Problem. (Super, oder?)

Ich weiß nicht warum, aber ich konnte mich mit Array´s nicht anfreunden. Also habe ich mich heute Morgen an den Rechner gesetzt und mit den Array´s experimentiert.
Ist ja doch ganz einfach! Bin doch etwas überrascht, über die Array´s und auch über mich. Hat sich dann doch gelohnt.

Wenn jemand ein ähnliches Problem hat...
...anbei mein Lösungsansatz.


Angehängte Datei(en) Thumbnail(s)
       

14.0 .vi  Block_Ring_Element.vi (Größe: 25,43 KB / Downloads: 232)

Ups! Das wusste ich schon?!
Alle Beiträge dieses Benutzers finden
Diese Nachricht in einer Antwort zitieren to top
22.03.2015, 14:25 (Dieser Beitrag wurde zuletzt bearbeitet: 22.03.2015 14:27 von GerdW.)
Beitrag #4

GerdW Offline
______________
LVF-Team

Beiträge: 17.536
Registriert seit: May 2009

LV2019 (LV2021)
1995
DE_EN

10×××
Deutschland
RE: Bei einem TextRing vergebene Werte ausblenden
Hallo bietus,

Vorschlag:
   
Sieht erstmal kompakter und simpler aus… Big Grin

- Wozu ein TimeOut-Event, wenn im Timeout nichts ausgeführt wird?
- Wozu dieses TimeOut-Event dann noch jede Millisekunde aufrufen?
- Wie kann man Fehler bei seiner Auswahl korrigieren, wenn das betreffende Element dann in jedem Ring disabled wurde?

Alle Beiträge dieses Benutzers finden
Diese Nachricht in einer Antwort zitieren to top
23.03.2015, 08:12 (Dieser Beitrag wurde zuletzt bearbeitet: 23.03.2015 18:06 von bietus.)
Beitrag #5

bietus Offline
LVF-Neueinsteiger


Beiträge: 4
Registriert seit: Mar 2015

2014
2014
kA



RE: Bei einem TextRing vergebene Werte ausblenden
Jaja, das Timeout. Das vergesse ich eigentlich immer zu löschen.
Für dieses Beispiel hatte ich es einfach übersehen. Passiert mir eigentlich immer.
In meinem Projekt benötige ich es, um Timer laufen zu lassen.

Eine Falschauswahl vom Benutzer ist natürlich möglich. Für diesen Fall kann der Wert auf "Unbenutzt" eingestellt werden.
"Unbenutzt" wird nie ausgeblendet und steht in jedem TextRing immer zur Verfügung.

Meiner Meinung nach ist es natürlich nicht möglich, eine Lösung zu finden, die Omni-Optimal ist.
Jede anforderung und jeder Programmierstiel ist ja etwas anders.
Optimiert wird nach dem Betatest meines Programms.

OK. Deine Variante ist etwas schlanker. Big Grin

Ups! Das wusste ich schon?!
Alle Beiträge dieses Benutzers finden
Diese Nachricht in einer Antwort zitieren to top
Antwort schreiben 


Möglicherweise verwandte Themen...
Themen Verfasser Antworten Views Letzter Beitrag
  Abfragen Werte in einem anderen VI handsch21 2 4.409 27.03.2018 10:31
Letzter Beitrag: handsch21
  Aus einem Array festgelegte Werte zuweisen Kahlua 7 8.865 19.01.2018 13:42
Letzter Beitrag: Kahlua
  Bedingter Textring/Enum Andre_A 5 6.481 31.05.2013 11:09
Letzter Beitrag: Andre_A
  Verschiedene Werte in einem Array darstellen LV19 2 5.445 30.05.2011 11:41
Letzter Beitrag: LV19
  Werte in einem Array tauschen banman 7 11.165 28.05.2011 07:52
Letzter Beitrag: Lucki
  Grafik- & Textring Mr.T 5 6.885 21.04.2010 06:27
Letzter Beitrag: Y-P

Gehe zu: