INFO: Dieses Forum nutzt Cookies...
Cookies sind für den Betrieb des Forums unverzichtbar. Mit der Nutzung des Forums erklärst Du dich damit einverstanden, dass wir Cookies verwenden.

Es wird in jedem Fall ein Cookie gesetzt um diesen Hinweis nicht mehr zu erhalten. Desweiteren setzen wir Google Adsense und Google Analytics ein.


Antwort schreiben 

Bilder addieren



Wenn dein Problem oder deine Frage geklärt worden ist, markiere den Beitrag als "Lösung",
indem du auf den "Lösung" Button rechts unter dem entsprechenden Beitrag klickst. Vielen Dank!

16.01.2013, 15:07 (Dieser Beitrag wurde zuletzt bearbeitet: 16.01.2013 15:13 von Harry2000.)
Beitrag #1

Harry2000 Offline
LVF-Neueinsteiger


Beiträge: 4
Registriert seit: Jan 2013

11 Studenten Version
2012
DE



Bilder addieren
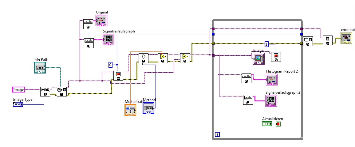
Hallo ich brauche Eure Hilfe,

ich muss bei einem Bild per Kantenfilter die Kanten raus filtern, dann per Multiplikation die Grauwerte dehnen und dann wieder zum Bild dazu addieren. Mein Problem ist die Addition der Bilder funktioniert nicht. Nach dem ich die Kanten gefiltert und gedehnt habe, erkennt man im Histograph das er die Bilder nicht addiert ( auch im Bild selbst). Es müssten ja die orginalen Grauwerte zu sehen sein.(z.B. zwischen 120 und 140 müssten es 20 Werte sein)

Vielen Dank im vorausSmile

   

   


11.0 .vi  Hochpass_1Ordnung_2011_12.vi (Größe: 62,27 KB / Downloads: 376)
Alle Beiträge dieses Benutzers finden
Diese Nachricht in einer Antwort zitieren to top
Anzeige
18.01.2013, 13:55
Beitrag #2

Kasi Offline
LVF-Stammgast
***


Beiträge: 342
Registriert seit: Dec 2010

6 - 2009
2005
DE_EN

79194
Deutschland
RE: Bilder addieren
Ich kann leider mal wieder nichts öffnen und daher nur philosophieren:
Könnte das daran liegen, dass du die Image Destination nicht verkabelt hast? Vision ist da etwas eigen, was die Speicherung des Resultats angeht (siehe Anleitung Abschnitt 2-6).
Im Zweifel kannst du dir auch das Beispiel von NI ansehen und nachvollziehen.

If you're havin' serial communication problems I feel bad for you, son, I got 99 problems but a baud ain't one! (except if using USB2serial converters, then I experience serialous problems)
Webseite des Benutzers besuchen Alle Beiträge dieses Benutzers finden
Diese Nachricht in einer Antwort zitieren to top
30
Antwort schreiben 


Möglicherweise verwandte Themen...
Themen Verfasser Antworten Views Letzter Beitrag
  Bilder serien, unscharfe Bilder rausschmeiße Teala 9 11.832 18.03.2013 16:52
Letzter Beitrag: Teala

Gehe zu: