10.10.2012, 16:13
(Dieser Beitrag wurde zuletzt bearbeitet: 10.10.2012 16:15 von Hummingbird.)
|
Hummingbird
LVF-Gelegenheitsschreiber
 
Beiträge: 52
Registriert seit: Sep 2011
LV 2011
2009
EN
Deutschland
|
RE: Bildverlust bei avi über GIGe

Hey Kasi,
vielen Dank für Deine und die Unterstützung aller.
Problem ist gelöst. Einfach LV nicht zwingen anzuzeigen was die Kamera sieht und schon klappts auch mit dem avi
Komme jetzt auf volle Bildrate. Bei der mitgelieferten Software geht das simulaten Anzeigen zwar auch noch, doch was solls. Wenn dazu noch wer eine Idee hat, dann bin ich dafür klar dankbar.
Bis zum nächsten Mal..
|
|
|
|
|
10.10.2012, 22:30
|
Hummingbird
LVF-Gelegenheitsschreiber
 
Beiträge: 52
Registriert seit: Sep 2011
LV 2011
2009
EN
Deutschland
|
RE: Bildverlust bei avi über GIGe
Das probiere ich gleich. Hat es einen Vorteil das Bild nicht zu entfernen? Ich meine, wird die Belastung der Resourcen verlagert? Es scheint einfach hart an meiner Grafikeinheit zu hängen. Doof ist, dass ich schon ein Bild brauche um zu sehen, wann mein Versuch rum ist. Hab aber rausgefunden, dass wenn ich die Größe des Bildes auf dem Frontpanel reduziere, es mit der Aufnahmegeschwindigkeit passt. Ist nicht schick, doch wenigstens kann ich so arbeiten..
|
|
|
|
11.10.2012, 07:43
(Dieser Beitrag wurde zuletzt bearbeitet: 11.10.2012 07:54 von Kasi.)
|
Kasi
LVF-Stammgast
  
Beiträge: 342
Registriert seit: Dec 2010
6 - 2009
2005
DE_EN
79194
Deutschland
|
RE: Bildverlust bei avi über GIGe
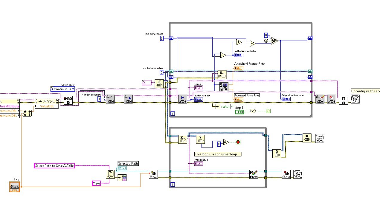
Ich bin mir da auch nicht ganz sicher, ob der Parallel-Loop wirklich den gewünschten Performance-Boost liefert.
Eine andere Möglichkeit ist es vielleicht, die Pixelzahl des Bilds vor der Anzeige mit "\vision\Image Manipulation.llb\IMAQ Resample" zu reskalieren, aber sehr wahrscheinlich braucht das mehr Zeit, als direkt das große Bild anzuzeigen 
Also wie gesagt, dass das mit der zusätzlichen Parallelisierung klappt, kann ich ich nicht garantieren, aber einen Versuch ist es meiner Meinung nach wert. (Du kannst das dann relativ leicht überprüfen, indem du dir die Schleifendurchläufe der beiden Consumer anschaust, die sollten dann (mehr oder weniger stark) asynchron verlaufen, d.h. dann auch, dass die Schleife mit dem Preview ab und zu einen Frame verpasst, den der Avi-Consumer bearbeitet, aber das ist ja egal, dient ja nur der Live-Vorschau)
***edit*** achso, die Frage nach dem Vorteil, das Bild nicht zu entfernen - der parallele Previewer darf auf keinen Fall die Queue manipulieren, sonst nimmt der Preview-Consumer dieses Bild ja dem Avi-Consumer weg, und das soll nicht geschehen. Gucken, aber nicht anfassen!
If you're havin' serial communication problems I feel bad for you, son, I got 99 problems but a baud ain't one! (except if using USB2serial converters, then I experience serialous problems)
|
|
|
|
|
11.10.2012, 11:22
|
Kiesch
LVF-Stammgast
  
Beiträge: 427
Registriert seit: Mar 2009
2019, 2018, 2016
2009
DE
04519
Deutschland
|
RE: Bildverlust bei avi über GIGe
Mal ne ganz blöde Frage:
Du arbeitest an dem Rechner nicht zufällig mit Remote Desktop oder ähnlichem? Habe nämlich vom Verhalten her exakt das gleiche Problem hier wenn ich darüber auf meinen Datenrechner gehe (Bildrate sackt ab von 25FPS auf ~8FPS wenn Bild in Anzeige). Das liegt dann allerdings nicht am Labview selbst sondern am Windows bzw. am 100MBit lokalen Netzwerk über das Windows nicht genug versenden kann und deswegen scheinbar auch die eigentliche Berechnung selbst ausbremst.
Im parrallen Loop (für die Anzeige) "entnimmst" du nicht sondern machst nur preview (letztes Element kopieren und anschauen ohne es aus der Queue zu löschen) damit der Consumer auch tatsächlich alle Bilder kriegt (da du im Anzeigeloop nicht alle Bilder entnehmen willst sondern nur genug um ohne zu starken Performance Verlust was zu sehen, kannst du deswegen nicht einfach entnehmen und in eine neue Loop werfen oder "zurücktun" - du wüsstest ja gar nicht wohin - stichwort Racing conditions).
Im Prinzip kannst du die Loop dann einfach mit einem einstellbaren Wait ausstatten (ka, kannst ja auf dem Frontpanel irgendwas machen wie "Bildrate Vorschau" und berechnest dir daraus das wait so dass du entsprechend viele Bilder aus der Queue auf die Anzeige packst. Je nachdem wie gut deine Hardware dann damit ausgelastet ist kannst dann entweder mehr oder weniger Vorschaubilder pro Sekunde anzeigen lassen. Denke mal spätestens bei nem wait von 1000ms aka 1FPS sollte das dann kein Problem sein das parrallel laufen zu lassen.
Zitat:Märchen und Geschichten werden erzählt am Lagerfeuer, technischen Fakten werden mitgeteilt (oder so). (Genauso wie Software nicht auf einem Server "herumliegt", die ist dort installiert.)
*Zitat: IchSelbst*
|
|
|
|
|
11.10.2012, 14:32
|
Hummingbird
LVF-Gelegenheitsschreiber
 
Beiträge: 52
Registriert seit: Sep 2011
LV 2011
2009
EN
Deutschland
|
RE: Bildverlust bei avi über GIGe
Hi,
danke ihr zwei. Es reicht mir ja vollkommen jeden xten Frame anzuzeigen, hauptsache ich kann feststellen, wenn alles gelaufen ist.
@Kiesch: Ich verwende den Rechner tatsächlich remote, doch nicht, wenn ich aufnehme. Habe auch schnell gemerkt, dass das nicht zusammen läuft  Es saß dann immer jemand vor dem Rechner und wenn ich ab und an kam um nach dem Rechten zu schauen und das zufällig im Versuch passiert ist, dann hatten wir enormen Verlust.
Vielen Dank euch. Ich gebe Rückmeldung, ob ich eure Vorschläge realisieren konnte.
|
|
|
|
15.10.2012, 14:41
(Dieser Beitrag wurde zuletzt bearbeitet: 15.10.2012 14:48 von Falk.)
|
|
|
|
| |