Wenn dein Problem oder deine Frage geklärt worden ist, markiere den Beitrag als "Lösung",
indem du auf den "Lösung" Button rechts unter dem entsprechenden Beitrag klickst. Vielen Dank!
|
25.08.2006, 13:50
Beitrag #1
|
marvin71
LVF-Grünschnabel

Beiträge: 32
Registriert seit: Jun 2006
6.1
2006
kA
Deutschland
|
Bitte an das Forum
Hallo zusammen,
in unten stehenden link hat SchwindelInside ein vi gepostet und damit auf eine Frage von mir geantwortet. Leider wurde das vi mit LV 8.01 erstellt, ich arbeite allerdings mit Version 6.1. Könnte mir jemand von euch eine für mich lauffähige Version des vis erzeugen oder einen screenshot des Diagramms posten? Ich würde mich sehr freuen!
Viele Grüße
Marvin
http://www.LabVIEWforum.de/index.php?showtopic=3256#
|
|
|
|
|
25.08.2006, 13:57
Beitrag #2
|
|
|
|
|
|
29.08.2006, 07:37
Beitrag #3
|
marvin71
LVF-Grünschnabel

Beiträge: 32
Registriert seit: Jun 2006
6.1
2006
kA
Deutschland
|
Bitte an das Forum
' schrieb:Hier hast du den Screenshot. Abspeichern auf 6.1 kann ich nicht, weil ich nur LV8.0 habe.
Gruss
EDIT: ach so, ja ich kann dir nur 7.1 anbieten, vielleicht macht jemand weiter und konvertiert es zu 6.1.
Hallo zusammen,
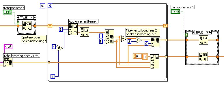
offensichtlich kann niemand hier das vi weiter nach v. 6.1 konvertieren. Ich bin gerade dabei, es nachzubauen. Schön wäre es, wenn ich noch ein Bild mit den Inhalten der jeweiligen true- bzw. false-Beschaltungen in den case-Strukturen bekommen könnte. Lässt sich das machen?
Danke schonmal
Marvin
|
|
|
|
29.08.2006, 07:43
(Dieser Beitrag wurde zuletzt bearbeitet: 29.08.2006 07:45 von Mr.T.)
Beitrag #4
|
Mr.T
LVF-SeniorMod
Beiträge: 1.007
Registriert seit: Jun 2005
2009
2005
kA
88400
Deutschland
|
Bitte an das Forum
' schrieb:Schön wäre es, wenn ich noch ein Bild mit den Inhalten der jeweiligen true- bzw. false-Beschaltungen in den case-Strukturen bekommen könnte. Lässt sich das machen?
Hallo, hier die Cases:
Viel Erfolg!
Mit einem freundlichen Wort und etwas Gewalt erreicht man viel mehr als nur mit einem freundlichen Wort. [...Marcus zu Lennier, B5]
|
|
|
|
|
29.08.2006, 07:50
Beitrag #5
|
marvin71
LVF-Grünschnabel

Beiträge: 32
Registriert seit: Jun 2006
6.1
2006
kA
Deutschland
|
Bitte an das Forum
' schrieb:Hallo, hier die Cases:
[attachment=29094:attachment]
Viel Erfolg!
Hallo Mr.T,
Glückwunsch auch von mir zum 14000. Beitrag!  Danke für das Bild, mir fehlt aber noch die false-Verdrahtung der unteren größeren case-Struktur. Kannste die bitte noch posten? Danke!
Marvin
|
|
|
|
|
29.08.2006, 07:57
Beitrag #6
|
Mr.T
LVF-SeniorMod
Beiträge: 1.007
Registriert seit: Jun 2005
2009
2005
kA
88400
Deutschland
|
Bitte an das Forum
I Oiml. (Schwäb. f. Eumel)
Da ist die letzte Case - Vor Wald den Baum net gesehen.
Gruß und Dank für den Glückwunsch.
Mit einem freundlichen Wort und etwas Gewalt erreicht man viel mehr als nur mit einem freundlichen Wort. [...Marcus zu Lennier, B5]
|
|
|
|
|
29.08.2006, 08:00
Beitrag #7
|
marvin71
LVF-Grünschnabel

Beiträge: 32
Registriert seit: Jun 2006
6.1
2006
kA
Deutschland
|
Bitte an das Forum
' schrieb:I Oiml. (Schwäb. f. Eumel)
Da ist die letzte Case - Vor Wald den Baum net gesehen.
[attachment=29095:attachment]
Gruß und Dank für den Glückwunsch.
Komme doch ganz aus Deiner Nähe...  Vielen Dank für Deine Hilfe und einen schönen Gruß von Tü nach Ulm!!!
Marv
|
|
|
|
|
29.08.2006, 10:30
Beitrag #8
|
Y-P
☻ᴥᴥᴥ☻ᴥᴥᴥ☻
Beiträge: 12.612
Registriert seit: Feb 2006
Developer Suite Core -> LabVIEW 2015 Prof.
2006
EN
71083
Deutschland
|
Bitte an das Forum
Hallo,
hier gibt es glaub' ziemlich viele Schwaben. 
Wäre mal eine Umfrage wert.
Gruß Markus
' schrieb:Komme doch ganz aus Deiner Nähe... Vielen Dank für Deine Hilfe und einen schönen Gruß von Tü nach Ulm!!!
Marv
--------------------------------------------------------------------------
Bitte stellt mir keine Fragen über PM, dafür ist das Forum da - andere haben vielleicht auch Interesse an der Antwort !!
--------------------------------------------------------------------------
|
|
|
|
|
29.08.2006, 13:47
Beitrag #9
|
A.Berndsen
LVF-Team
Beiträge: 2.437
Registriert seit: Feb 2005
8.2.1 - 2011
2004
DE
724xx
Deutschland
|
Bitte an das Forum
' schrieb:hier gibt es glaub' ziemlich viele Schwaben. 
Da könntest Du Recht haben!
@Marv Tübingen ist von mir (Haigerloch) nur ein Steinwurf weit entfernt!
|
|
|
|
|
29.08.2006, 20:22
|
Y-P
☻ᴥᴥᴥ☻ᴥᴥᴥ☻
Beiträge: 12.612
Registriert seit: Feb 2006
Developer Suite Core -> LabVIEW 2015 Prof.
2006
EN
71083
Deutschland
|
Bitte an das Forum
.... und ich schaffe in Reutlingen, da kann man von Tübingen sogar rüberspucken.
Gruß Markus
' schrieb:Da könntest Du Recht haben!
@Marv Tübingen ist von mir (Haigerloch) nur ein Steinwurf weit entfernt!
--------------------------------------------------------------------------
Bitte stellt mir keine Fragen über PM, dafür ist das Forum da - andere haben vielleicht auch Interesse an der Antwort !!
--------------------------------------------------------------------------
|
|
|
|
| |