INFO: Dieses Forum nutzt Cookies...
Cookies sind für den Betrieb des Forums unverzichtbar. Mit der Nutzung des Forums erklärst Du dich damit einverstanden, dass wir Cookies verwenden.

Es wird in jedem Fall ein Cookie gesetzt um diesen Hinweis nicht mehr zu erhalten. Desweiteren setzen wir Google Adsense und Google Analytics ein.


Antwort schreiben 

Blockdiagramm zur Messung eines Oszillators



Wenn dein Problem oder deine Frage geklärt worden ist, markiere den Beitrag als "Lösung",
indem du auf den "Lösung" Button rechts unter dem entsprechenden Beitrag klickst. Vielen Dank!

09.09.2014, 15:39
Beitrag #1

SnYder86 Offline
LVF-Neueinsteiger


Beiträge: 4
Registriert seit: Sep 2014

11.0.1f2 (32-Bit)
2014
DE



Blockdiagramm zur Messung eines Oszillators
Hallo liebe Forengemeinde,

ich bin neu hier und arbeite derzeit an der Masterarbeit meines Studiums. Hier ist meine Aufgabe Messungen an einem Lager durchzuführen und diese dann später auszuwerten. Das Lager wird über eine Welle mit einem Motor verbunden sein. Der Motor soll rund um die Uhr laufen bis das Lager kapput geht. Gemessen werden soll Körperschall, Luftschall, Acoustic Emission und Drehmoment einmal eine Minute pro Stunde. Ziel der Arbeit soll sein am Ende eine Aussage treffen zu können, ob diese Messgrößen einzeln oder in Kombination eine Angabe über den Zustand des Lagers geben können um so eine außerplanmäßige Reparatur sowie unnötige Stillstandszeiten zu vermeiden.
Nun zu meinem Problem, ich bin angehender Bergbauingenieur und habe folglich vor dieser Arbeit noch nie etwas von Labview gehört. Dementsprechend ist auch mein Wissensstand was diese Programm betrifft. Um für die Programmierung ein Messsignal zu erzeugen dient mir ein Oszillator, der an eine Messkarte angeschlossen ist und die Messdaten wiederum über USB an den Computer überträgt. Ziel dieser Programmierung soll es nun sein, dass die Messung einmal pro Stunde für eine Minute stattfindet, das Signal verwertet und während der Messung in einem Graphen sichtbar macht, sowie für jede Messung eine neue .tdms Datei anlegt, beschreibt und dann zur späteren Analyse abspeichert.
Da ich in meinem Studium darauf ausgebildet wurde im Dreck rumzuwühlen um da nach möglichkeit was Kostbares raus zu holen steh ich nun Ziemlich auf dem Schlauch. Blush Ich habe die vergangene Woche damit zugebracht mit mäßigem Erfolg in Labview rum zu programieren. Auf den Bildern kann man die Geräte sehen die ich verwende sowie meinen vermutlich jämmerlichen Versuch die Messung zu programmieren. Ich benutze die Labview Version 11.0.1f2 (32-Bit). Ich wäre überaus dankbar wenn mir da Jemand helfen könnte. Bei der Forensuche bin ich zu meinem Problem bisher nicht wirklich fündig geworden, vielleicht fehlen mir da einfach die richtigen Schlagworte. Blink Sollte das Thema jedoch schon mal behandelt worden sein oder mein Post ins falsche Unterforum gelangen bitte ich mir das zu verzeihen. Angel

   
   
   
   

11.0 .vi  Versuch Oszillator Messung.vi (Größe: 29,62 KB / Downloads: 237)
Alle Beiträge dieses Benutzers finden
Diese Nachricht in einer Antwort zitieren to top
Anzeige
09.09.2014, 15:53
Beitrag #2

GerdW Offline
______________
LVF-Team

Beiträge: 17.528
Registriert seit: May 2009

LV2019 (LV2021)
1995
DE_EN

10×××
Deutschland
RE: Blockdiagramm zur Messung eines Oszillators
Hallo Snyder,

Zitat:Ziel dieser Programmierung soll es nun sein, dass die Messung einmal pro Stunde für eine Minute stattfindet, das Signal verwertet und während der Messung in einem Graphen sichtbar macht, sowie für jede Messung eine neue .tdms Datei anlegt, beschreibt und dann zur späteren Analyse abspeichert.

Dein VI sieht doch schon ganz gut aus, im Gegensatz zu manch anderen LV-Einsteigern nutzt du keine ExpressVIs…

Du benötigst noch:
- Eine Wartefunktion ("einmal pro Stunde")
- Eine andere Wartefunktion "für eine Minute")
- THINK DATAFLOW: platziere den Graph woanders und er zeigt die Daten während der Messung an!
- THINK DATAFLOW: platziere das TDMSOpen woanders, um eine Datei nur einmal zu öffen (du schließt doch auch nur einmal!)…

Vorschlag für ein solches Programm: versuche es mit einer Statemachine (Zustandsautomat). LabVIEW kommt da mit fertigen Beispiel-VIs…
States könnte folgende sein: INIT DAQmx, WarteStunde, ÖffneTDMS, MessDaten abfragen und speichern, SchließeTDMS, CLEANUP…

Alle Beiträge dieses Benutzers finden
Diese Nachricht in einer Antwort zitieren to top
09.09.2014, 21:34
Beitrag #3

SnYder86 Offline
LVF-Neueinsteiger


Beiträge: 4
Registriert seit: Sep 2014

11.0.1f2 (32-Bit)
2014
DE



RE: Blockdiagramm zur Messung eines Oszillators
Hallo GerdW,

schon mal vielen Dank für die schnelle Antwort. Ich werde das morgen in der Uni mal versuchen umzusetzen und meine Ergebnisse dann posten.
Alle Beiträge dieses Benutzers finden
Diese Nachricht in einer Antwort zitieren to top
11.09.2014, 11:35
Beitrag #4

SnYder86 Offline
LVF-Neueinsteiger


Beiträge: 4
Registriert seit: Sep 2014

11.0.1f2 (32-Bit)
2014
DE



RE: Blockdiagramm zur Messung eines Oszillators
Hallo zusammen,

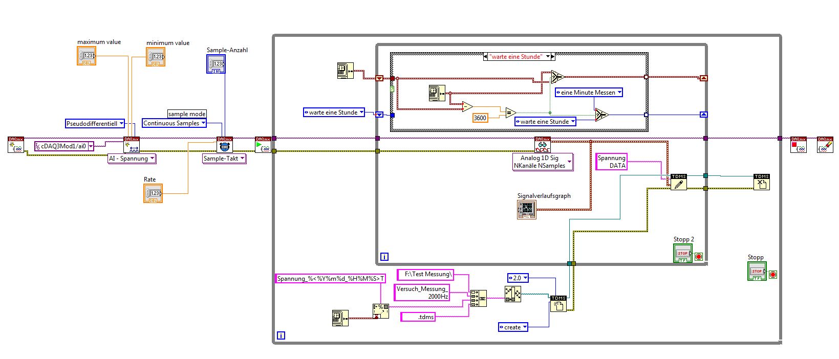
sorry hatte es gestern leider nicht mehr geschaft mich zu melden. Bin aber dank der Hilfe einen großen Schritt weiter gekommen. Ich kann die Messung jetzt im Graph verfolgen und das Aufzeichnen klappt auch. Die Daten sind auch optimal nutzbar. Smile Nur das mit der Wartefunktion bekomm ich noch nicht hin. Auf dem Bild sieht man wie ich es jetzt gemacht habe. Hatte zuerst das Schaltbild umgebaut und dann die Probemessungen gemacht und mich danach dann mit der Wartefunktion beschäftigt. Nur da weiß ich jetzt nicht ob die Elemente die ich eingebaut habe überhaupt die richtigen sind, und wenn ja inwieweit ich sie anschließen und wo ich sie platzieren muss.

   
Alle Beiträge dieses Benutzers finden
Diese Nachricht in einer Antwort zitieren to top
11.09.2014, 14:01 (Dieser Beitrag wurde zuletzt bearbeitet: 11.09.2014 14:04 von NoWay.)
Beitrag #5

NoWay Offline
LVF-Gelegenheitsschreiber
**


Beiträge: 241
Registriert seit: Jul 2013

LV-2019
2013
EN


Deutschland
RE: Blockdiagramm zur Messung eines Oszillators
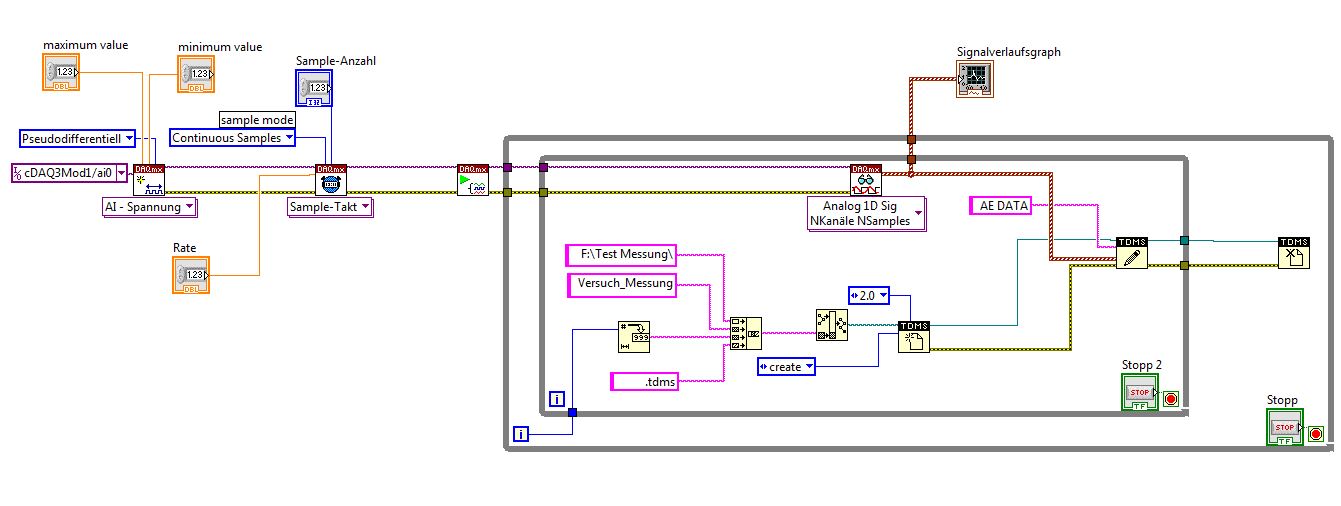
Theoretisch kannst du dir dazu auch einen Zustandsautomaten bauen, der immer wieder die Zyklen durchfährt.
Beispielsweise so:
(Der Vergleich muss natürlich größer/gleich sein, sonst klappt das nicht)
   
Du nimmst immer einen festen Zeitwert und vergleichst mit der aktuellen Zeit, bis deine Differenz die gewünschte Größe erreicht hat.
Frage an die Profis hier: Wäre es aus Performancegründen vllt. sogar besser einfach eine Event Loop mit entsprechend großem Timeout zu benutzen, de dann lediglich als Trigger dient?

Gruß
NoWay
Alle Beiträge dieses Benutzers finden
Diese Nachricht in einer Antwort zitieren to top
25.09.2014, 12:23
Beitrag #6

SnYder86 Offline
LVF-Neueinsteiger


Beiträge: 4
Registriert seit: Sep 2014

11.0.1f2 (32-Bit)
2014
DE



RE: Blockdiagramm zur Messung eines Oszillators
Hallo zusammen,

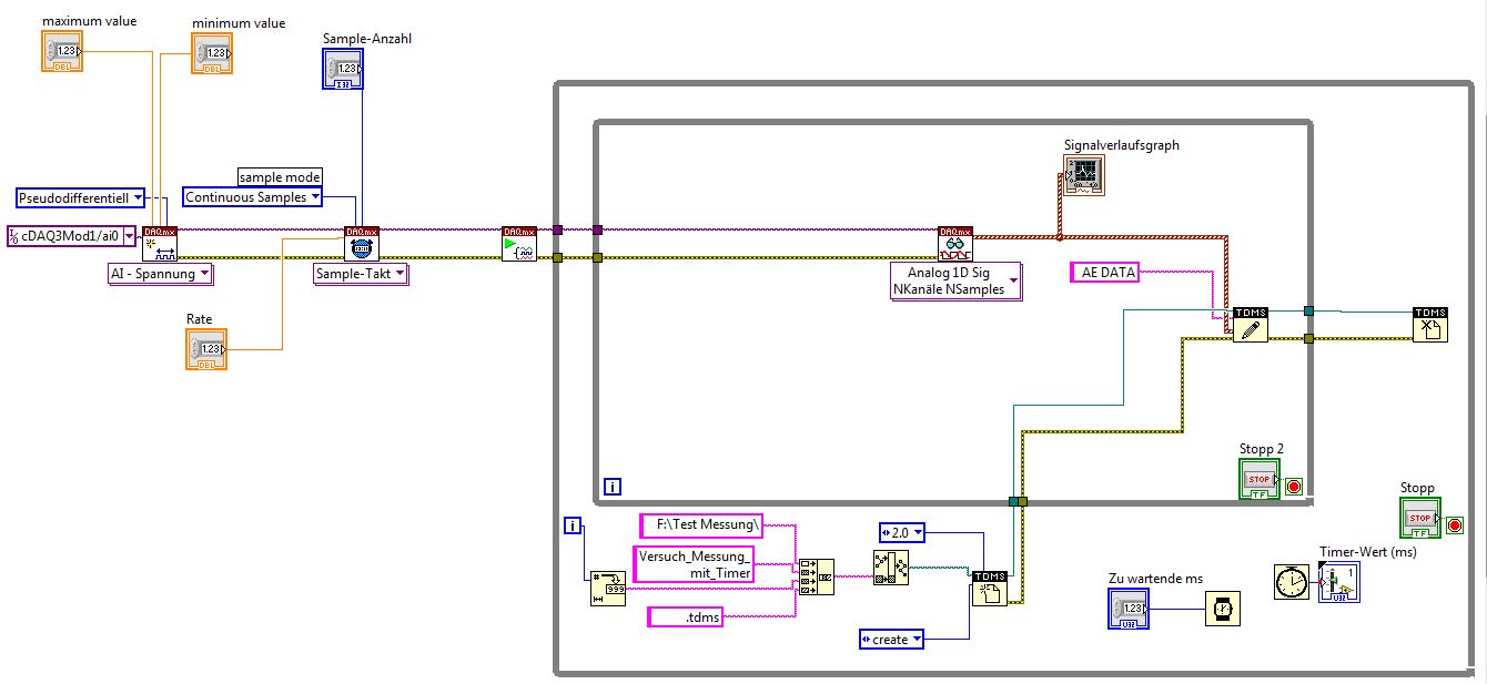
konnte leider erst heute wieder weiterarbeiten weil der Rechner in der Uni für ein anderes Projekt gebraucht wurde. Vielen Dank für den Tipp NoWay. Habe die Konstruktion jetzt mal in mein Blockdiagramm eingebaut. Habe nur noch nicht so wirklich verstanden, wo ich das mit dem größer/gleich einbauen soll. Und ob das so wie ich es jetzt eingefügt habe überhaupt klappen würde. Morgen sollte es mir wieder möglich sein mit dem Oszillator eine Probemessung zu machen.

   
Alle Beiträge dieses Benutzers finden
Diese Nachricht in einer Antwort zitieren to top
30
Antwort schreiben 


Möglicherweise verwandte Themen...
Themen Verfasser Antworten Views Letzter Beitrag
  Farbe eines Arrays über Blockdiagramm ändern kwakz 1 3.980 28.11.2008 10:59
Letzter Beitrag: RoLe

Gehe zu: