Hallo,
im Zuge meines Projektes soll ich nun einen Massenflussregler ansprechen. Dabei habe ich keine Treiber oder VIs für diese Geräte gefunden. (Sierra Instruments, Smart-Trak 2) Allerdings ließ sich im Internet eine
Dokumentation finden, welche die ASCII Steuerbefehle enthält.
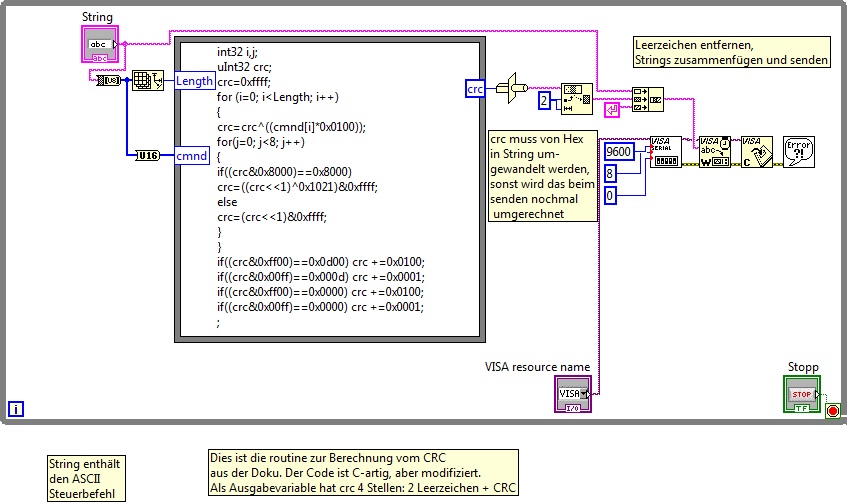
Das hab ich zwar auch noch nicht angewendet, aber in der Anleitung steht, dass jedes Signal aus 4 Byte Steuerzeichen + Einzustellender Wert + CRC+ cr besteht.
Steuerzeichen entnehme ich aus der Doku, Wert weiß ich selber

doch dann kommt die CRC. Ich muss also die Prüfsumme für den String berechnen. Dafür ist in der Doku je ein Code für C# und für VB gegeben. Im Forum habe ich Beispiele für die Berechnung gefunden, aber die scheinen bei mir nicht zu funktionieren. Der code wird also wohl kein Standart sein.
Ich selber behersche beide Sprachen nicht und einfaches kopieren mit Anleitung zur DLL erstellung aus dme Internet hat nicht funktioniert. Ich habe den code mir vorgenommen und versucht zu verstehen, um ihn anschließend nachzubauen in LabView. allerdings kann ich mit dem code so nicht viel anfangen, vor allem da "[...] * &H100" und ähnliches mir gar nichts sagt.
Ich wäre sehr dankbar, wenn mir entweder jemand den Code erklären könnte oder mir eine DLL erstellt, die mir dann beim Einbinden in LV eine VI liefert, die mir aus einem gegebenen String den CRC Wert berechnet. Den Code findet man unter dem obigen Link in der Doku. Auch wenn der zweite Weg sicher nicht der beste ist, aber um mich tiefgehend mit C auseinanderzusetzten hab ich eigentlich nicht die Zeit.

Also wenn es ohne geht, wäre das naütrlich top.
Außerdem wäre noch die Frage, in welchem Format ich dann die Steuerbefehle an das externe Gerät senden muss. So im "Klartext" wie es in der Doku steht oder muss das vorher in Hex umgewandelt werden? da am anfang der Doku steht, dass alle Reichen bsi auf die beiden CRC-Bytes ASCII sind, würde ich die ASCII Nummern senden, also z.B. wenn in der Doku ein A steht dann eben 65 usw.
Besten Dank fürs lesen,
Takuro