INFO: Dieses Forum nutzt Cookies...
Cookies sind für den Betrieb des Forums unverzichtbar. Mit der Nutzung des Forums erklärst Du dich damit einverstanden, dass wir Cookies verwenden.

Es wird in jedem Fall ein Cookie gesetzt um diesen Hinweis nicht mehr zu erhalten. Desweiteren setzen wir Google Adsense und Google Analytics ein.


Antwort schreiben 

Dieses Thema hat akzeptierte Lösungen:

CSV schreiben



Wenn dein Problem oder deine Frage geklärt worden ist, markiere den Beitrag als "Lösung",
indem du auf den "Lösung" Button rechts unter dem entsprechenden Beitrag klickst. Vielen Dank!

17.04.2018, 11:39 (Dieser Beitrag wurde zuletzt bearbeitet: 17.04.2018 11:42 von jodh14.)
Beitrag #11

jodh14 Offline
LVF-Gelegenheitsschreiber
**


Beiträge: 119
Registriert seit: Oct 2017

2020
2017
DE

72411
Deutschland
RE: CSV schreiben
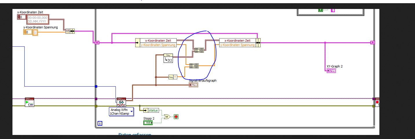
Hallo Jens, wo finde ich denn bei Möglichkeit 1 die Funktion das Array jeweils nach Signal erzeugen ?
bzw. hier mal die Fehlermeldung dazu.


Angehängte Datei(en) Thumbnail(s)
       
Alle Beiträge dieses Benutzers finden
Diese Nachricht in einer Antwort zitieren to top
Anzeige
17.04.2018, 11:57
Beitrag #12

jg Offline
CLA & CLED
LVF-Team

Beiträge: 15.864
Registriert seit: Jun 2005

20xx / 8.x
1999
EN

Franken...
Deutschland
RE: CSV schreiben
Rechtsklick auf Build Array -> Concatenate Inputs

Gruß, Jens

Wer die erhabene Weisheit der Mathematik tadelt, nährt sich von Verwirrung. (Leonardo da Vinci)

!! BITTE !! stellt mir keine Fragen über PM, dafür ist das Forum da - andere haben vielleicht auch Interesse an der Antwort!

Einführende Links zu LabVIEW, s. GerdWs Signatur.
Alle Beiträge dieses Benutzers finden
Diese Nachricht in einer Antwort zitieren to top
17.04.2018, 12:03
Beitrag #13

jodh14 Offline
LVF-Gelegenheitsschreiber
**


Beiträge: 119
Registriert seit: Oct 2017

2020
2017
DE

72411
Deutschland
RE: CSV schreiben
Hallo Jens, jetzt habe ich ein Signal im Diagramm ! Wenn ich aber auf speichern drücke wird das Signal nicht gespeichert. Deswegen habe ich versucht das Signal mit der csv-speichern-Funktion zu verbinden.
Da kommt aber eine Fehlermeldung.


Angehängte Datei(en) Thumbnail(s)
   
Alle Beiträge dieses Benutzers finden
Diese Nachricht in einer Antwort zitieren to top
17.04.2018, 12:44
Beitrag #14

jodh14 Offline
LVF-Gelegenheitsschreiber
**


Beiträge: 119
Registriert seit: Oct 2017

2020
2017
DE

72411
Deutschland
RE: CSV schreiben
Weiß jemand einen Rat ?
Alle Beiträge dieses Benutzers finden
Diese Nachricht in einer Antwort zitieren to top
17.04.2018, 13:53
Beitrag #15

jg Offline
CLA & CLED
LVF-Team

Beiträge: 15.864
Registriert seit: Jun 2005

20xx / 8.x
1999
EN

Franken...
Deutschland
RE: CSV schreiben
Warnung1
Nicht drängeln & nicht Parallel-Tread aufmachen, bloß weil du nicht in 30 min eine Anwort erhältst.

Stattdessen LVF-Regeln lesen und beachten.

Gruß, Jens

P.S.: Parallel-Thread wird gelöscht!

Wer die erhabene Weisheit der Mathematik tadelt, nährt sich von Verwirrung. (Leonardo da Vinci)

!! BITTE !! stellt mir keine Fragen über PM, dafür ist das Forum da - andere haben vielleicht auch Interesse an der Antwort!

Einführende Links zu LabVIEW, s. GerdWs Signatur.
Alle Beiträge dieses Benutzers finden
Diese Nachricht in einer Antwort zitieren to top
17.04.2018, 13:57
Beitrag #16

jodh14 Offline
LVF-Gelegenheitsschreiber
**


Beiträge: 119
Registriert seit: Oct 2017

2020
2017
DE

72411
Deutschland
RE: CSV schreiben
Hallo Jens, tut mir leid Angel_not. Hier nochmal das Programm mit dem Fehler.


Angehängte Datei(en)
15.0 .vi  KFZ-Sensoren.vi (Größe: 221,18 KB / Downloads: 297)
Alle Beiträge dieses Benutzers finden
Diese Nachricht in einer Antwort zitieren to top
Anzeige
17.04.2018, 17:15
Beitrag #17

jg Offline
CLA & CLED
LVF-Team

Beiträge: 15.864
Registriert seit: Jun 2005

20xx / 8.x
1999
EN

Franken...
Deutschland
RE: CSV schreiben
Wandle die beiden Arrays (das Timestamp-Array und das Spannungs-Array) selber in "Array of Strings" um, füge sie dann zu einem 2D-Array und schreib sie dann auf die HDD.

Gruß, Jens

Wer die erhabene Weisheit der Mathematik tadelt, nährt sich von Verwirrung. (Leonardo da Vinci)

!! BITTE !! stellt mir keine Fragen über PM, dafür ist das Forum da - andere haben vielleicht auch Interesse an der Antwort!

Einführende Links zu LabVIEW, s. GerdWs Signatur.
Alle Beiträge dieses Benutzers finden
Diese Nachricht in einer Antwort zitieren to top
18.04.2018, 14:21
Beitrag #18

jodh14 Offline
LVF-Gelegenheitsschreiber
**


Beiträge: 119
Registriert seit: Oct 2017

2020
2017
DE

72411
Deutschland
RE: CSV schreiben
Hallo Jens, wo finde ich denn "Array of Strings" und was ist ein HDD ?
Alle Beiträge dieses Benutzers finden
Diese Nachricht in einer Antwort zitieren to top
18.04.2018, 14:24 (Dieser Beitrag wurde zuletzt bearbeitet: 18.04.2018 14:26 von GerdW.)
Beitrag #19

GerdW Offline
______________
LVF-Team

Beiträge: 17.534
Registriert seit: May 2009

LV2019 (LV2021)
1995
DE_EN

10×××
Deutschland
RE: CSV schreiben
Hallo jodh,

Zitat:wo finde ich denn "Array of Strings"
Ein Array mit String-Elementen: wie erstellt man die wohl?
Es gibt da Funktionen, die einzelne Zahlen oder ganze Zahlenarrays in String(-Arrays) umwandeln…

Zitat:und was ist ein HDD ?
Wikipedia

Alle Beiträge dieses Benutzers finden
Diese Nachricht in einer Antwort zitieren to top
18.04.2018, 15:17
Beitrag #20

jodh14 Offline
LVF-Gelegenheitsschreiber
**


Beiträge: 119
Registriert seit: Oct 2017

2020
2017
DE

72411
Deutschland
RE: CSV schreiben
Hallo GerdW, tut mir leid - ich komme da nicht weiter... Das ist bestimmt ganz einfach...
Alle Beiträge dieses Benutzers finden
Diese Nachricht in einer Antwort zitieren to top
Antwort schreiben 


Gehe zu: