Sooooo, danke erstmals für die berechtigte Kritik GerdW. Ich habe einige Sachen sehr kurzfristig ändern können, einige Fragen bleiben aber noch.
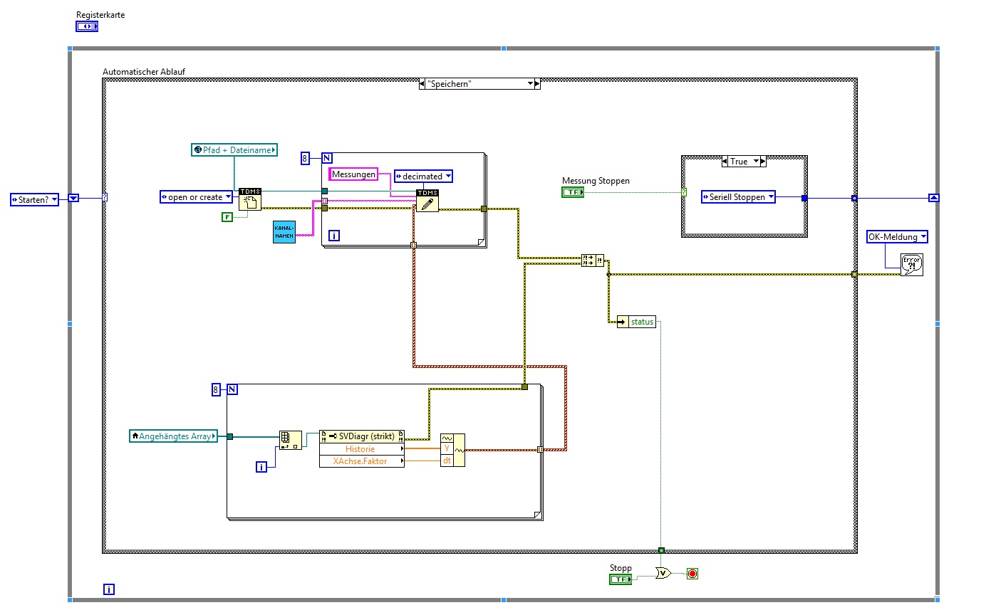
-Die Messdatei wird jetzt via Schieberegister durch die While-Schleife übertragen
-Das Referenzen Array der Charts wird nun über Schieberegister übertragen
-die. tdms Datei wird jetzt geschlossen (meine Güte ist das peinlich

)
-beide Index Array Funktionen hab ich einfach durch die Autoindizierung der For-Schleife ersetzt. Ich habe mal einen Screenshot mit der Änderung angehängt und hoffe das du es so meintest. (Dumm wenn man bedenkt, dass die For-Schleifen sowieso schon da waren…..)
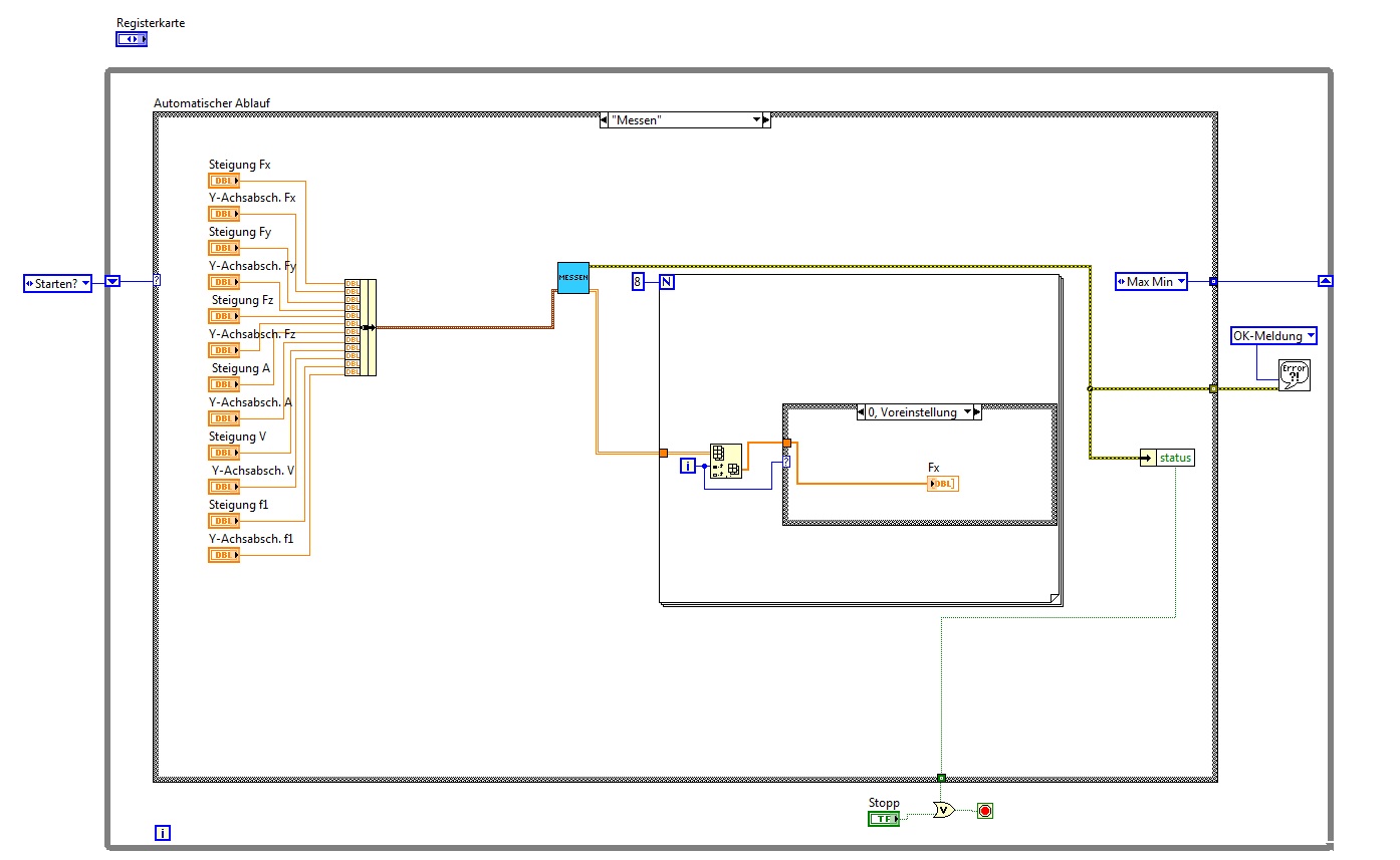
-Die States haben jetzt sinnvolle Namen
- Sequenzstruktur habe ich entfernt. Da war in einer früheren Version noch mehr enthalten. Im Anschluss habe ich es einfach versäumt die Sequenz zu entfernen.
- Anschlüsse die den angeschlossenen Wert als Standard verwenden wurden entfernt.
Zwecks der Controls bleibt zu sagen, dass mir das auch nicht gefällt. Allerdings sind die einzelnen Controls auf verschiedenen Registerkarten verteilt und müssen auch dort hin. Anfangs hatte ich diese zentral in einem Cluster ist aber anscheinend zu unübersichtlich.
Die Min Max Berechnung via Schieberegister habe ich schon mal gesehen, aber die Funktion ist ja dafür da

.
Hättest du einen Tipp wie ich die Historie leicht ersetzen kann? Ich dachte eigentlich das wäre eine ganz gute Methode.
Zu der eigentlichen Frage bleibt die Frage wie ich es denn anderst umsetzen kann.....
@Lucki
Danke für die Antwort. Habe diese erst gesehen als ich den Beitrag verfasst hatte. Ich habe nämlich schon am Offset und Faktor herumgespielt, bin aber zu keinem sinnvollen Ergebnis gekommen. Ja Datum und Uhrzeit soll vermieden werden.....
Ich werde deinen Vorschlag mal bearbeiten und mich dann wieder melden.
Vielen Dank für die Antwort
Gruss Samuel