|
11.11.2009, 15:27
Beitrag #1
|
|
|
|
|
|
11.11.2009, 15:47
Beitrag #2
|
|
|
|
|
|
11.11.2009, 15:54
Beitrag #3
|
A.Berndsen
LVF-Team
Beiträge: 2.437
Registriert seit: Feb 2005
8.2.1 - 2011
2004
DE
724xx
Deutschland
|
Datenauswertung aus Textdatei
Hallo 1johle,
und das schreit nach einer Beispieldatei, damit man weiß von was man spricht.
Grüße
Andreas
|
|
|
|
|
11.11.2009, 16:03
Beitrag #4
|
|
|
|
|
|
11.11.2009, 16:39
Beitrag #5
|
A.Berndsen
LVF-Team
Beiträge: 2.437
Registriert seit: Feb 2005
8.2.1 - 2011
2004
DE
724xx
Deutschland
|
Datenauswertung aus Textdatei
Die Sollvorgaben beziehen sich vemutlich auf die Spalten 5 und 6. Stimmt das?
Wie sehen die Sollvorgabe aus?
Du siehst, Dein Problem ist noch nicht wirklich beschrieben. Laß Dir nicht alles einzeln aus der Nase ziehen.
ansonsten hat SeBa den vollkommen richtigen Tipp geliefert und die Forensuche hilft sicher.
Grüße
Andreas
|
|
|
|
|
12.11.2009, 06:18
Beitrag #6
|
|
|
|
|
12.11.2009, 08:06
(Dieser Beitrag wurde zuletzt bearbeitet: 12.11.2009 08:07 von Y-P.)
Beitrag #7
|
Y-P
☻ᴥᴥᴥ☻ᴥᴥᴥ☻
Beiträge: 12.612
Registriert seit: Feb 2006
Developer Suite Core -> LabVIEW 2015 Prof.
2006
EN
71083
Deutschland
|
Datenauswertung aus Textdatei
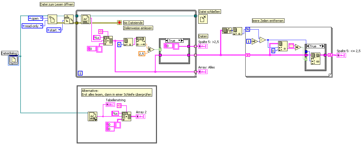
Hier ein Bsp. bei dem die Zeilen gelöscht werden, in denen Spalte 5 und Spalte 6 < 2 sind:
Pruefung.vi (Größe: 9,01 KB / Downloads: 343)
Gruß Markus
--------------------------------------------------------------------------
Bitte stellt mir keine Fragen über PM, dafür ist das Forum da - andere haben vielleicht auch Interesse an der Antwort !!
--------------------------------------------------------------------------
|
|
|
|
|
12.11.2009, 08:41
Beitrag #8
|
|
|
|
|
|
12.11.2009, 09:26
Beitrag #9
|
1johleh
LVF-Gelegenheitsschreiber
 
Beiträge: 171
Registriert seit: Oct 2009
2014
2008
DE
63743
Deutschland
|
Datenauswertung aus Textdatei
Hallo,
erst mal Danke für die Hilfe.
Ich bin jetzt einen anderen Weg gegangen.
Ich lese jetzt nicht die Datei aus, sonden ich erstelle mir eine zweite Text-Datei in der nur die Werte geschrieben werden die von der Sollwertvorgabe abweichen.
D.h. Ich vergleiche meine Einzelwerte meines Ausgangsclusters mit einem Sollwertcluster und die Abweichungen werden in die Datei geschrieben.
Das geht auch! Ist vielleicht nicht der Königsweg aber bestimmt auch nicht der Schlechteste.
Gruß
|
|
|
|
|
12.11.2009, 09:50
|
jg
CLA & CLED
Beiträge: 15.864
Registriert seit: Jun 2005
20xx / 8.x
1999
EN
Franken...
Deutschland
|
Datenauswertung aus Textdatei
' schrieb:D.h. Ich vergleiche meine Einzelwerte meines Ausgangsclusters mit einem Sollwertcluster und die Abweichungen werden in die Datei geschrieben.
Das geht auch! Ist vielleicht nicht der Königsweg aber bestimmt auch nicht der Schlechteste.
Das finde ich wesentlich besser! Wieso alles mitloggen, wenn man nur die "Fehler" mitloggen will.
Gruß, Jens
Wer die erhabene Weisheit der Mathematik tadelt, nährt sich von Verwirrung. (Leonardo da Vinci)
!! BITTE !! stellt mir keine Fragen über PM, dafür ist das Forum da - andere haben vielleicht auch Interesse an der Antwort!
Einführende Links zu LabVIEW, s. GerdWs Signatur.
|
|
|
|
| |