@Jens: Sry, ich werde veruschen öfters die Shift-Taste zu benutzen
@Holger: Wow, da hast du dir ja mächtig Mühe gemacht

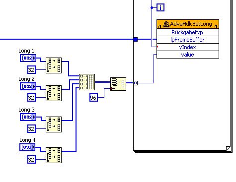
Ich war nie gut im Erklären, hab dir deshalb mal n Screenshot geschickt
Der Baustein "SetLong" schreibt einen Long-Wert (value) an eine Array Stelle (yIndex).
so wie es jetzt steht, schreib ich mein 1D-Array der Größe 96 (Long 1-4) 1 zu 1 an di Stellen des yIndex.
Und jetzt will ich halt dass nicht jeder Index überschrieben wird. Sondern nur bestimmte.
Deine Lösung gibt mir ein einem bestehenden Array, ein anderes Array aus, was aus dem vorherigem zusammengeschnibbelt ist (oder?

) und das Problem ist denk ich, dass wenn ich Index 1, 4, 5, 10 ausschneide und in ein Array füge, dann hab ich ja die Indexe 1, 2, 3, 4 und das stimmt ja nicht. ich will Stelle 1 an Stelle 1 und Stelle 4 wieder an Stelle 4 schreiben und nicht an 2.
Hoffe is etwas besser dargestellt