INFO: Dieses Forum nutzt Cookies...
Cookies sind für den Betrieb des Forums unverzichtbar. Mit der Nutzung des Forums erklärst Du dich damit einverstanden, dass wir Cookies verwenden.

Es wird in jedem Fall ein Cookie gesetzt um diesen Hinweis nicht mehr zu erhalten. Desweiteren setzen wir Google Adsense und Google Analytics ein.


Antwort schreiben 

Dieses Thema hat akzeptierte Lösungen:

Datenquelle aus Datensenke?



Wenn dein Problem oder deine Frage geklärt worden ist, markiere den Beitrag als "Lösung",
indem du auf den "Lösung" Button rechts unter dem entsprechenden Beitrag klickst. Vielen Dank!

29.06.2012, 15:16
Beitrag #1

RaceApp Offline
LVF-Grünschnabel
*


Beiträge: 14
Registriert seit: May 2012

11
2012
DE



Datenquelle aus Datensenke?
Hallo,
Ich habe ein Problem bei dem ich einfach nicht durchsehe und ich bin sicher, dass es lösbar ist.

Ich will aus einer Schleife mittels einer lokalen Variable eine andere Schleife ansteuern. Das funktioniert soweit, wenn ich z.B. einen Schalter in der zweiten Schleife als lokale Variable definiere. Soweit ist alles klar. Wenn ich nun zwei Schalter mit UND/ODER verbinde und das Resultat als Steuerung für die zweite Schleife verwenden will dann klappt es nicht mehr. Ich vermute, dass das Problem darin liegt dass das Resultat der Verknüpfung (UND/ODER) eine Datensenke (Boolean LED) ist und eben keine Datenquelle.

Wie schaffe ich es nun mit dem Resultat (via lokale Variable) die zweite Schleife anzusteuern?

Kann mich jemand aus meiner Ratlosigkeit befreien? Blink

Danke.
Stefan


Angehängte Datei(en)
11.0 .vi  rundenzeiten.vi (Größe: 15,31 KB / Downloads: 252)
Alle Beiträge dieses Benutzers finden
Diese Nachricht in einer Antwort zitieren to top
Anzeige
29.06.2012, 15:25 (Dieser Beitrag wurde zuletzt bearbeitet: 29.06.2012 15:26 von GerdW.)
Beitrag #2

GerdW Offline
______________
LVF-Team

Beiträge: 17.538
Registriert seit: May 2009

LV2019 (LV2021)
1995
DE_EN

10×××
Deutschland
RE: Datenquelle aus Datensenke?
Hallo RaceApp,

Zitat:Ich vermute, dass das Problem darin liegt dass das Resultat der Verknüpfung (UND/ODER) eine Datensenke (Boolean LED) ist und eben keine Datenquelle.
Falsch vermutet. Das Problem ist: das Schreiben von Werten in eine Anzeige erzeugt keine Events!
Du könntest:
- in eine PropertyNode "Wert (signalisierend)" schreiben
- das Event für beide Trigger konfigurieren (siehe Anhang)


Angehängte Datei(en)
11.0 .vi  rundenzeiten.vi (Größe: 13,74 KB / Downloads: 268)

Alle Beiträge dieses Benutzers finden
Diese Nachricht in einer Antwort zitieren to top
29.06.2012, 15:39
Beitrag #3

RaceApp Offline
LVF-Grünschnabel
*


Beiträge: 14
Registriert seit: May 2012

11
2012
DE



RE: Datenquelle aus Datensenke?
GerdW,

Danke für die seeeehr schnelle und kompetente Antwort. Aja, kein Ereignis. Ist ja logisch und ich wäre wohl nie selber darauf gekommen. Danke.

Da das Boolean Signal aus einer anderen Berechnung (einem SubVI) kommt kann ich leider nicht beide Werte angeben. Deshalb muss ich wohl den Ansatz mit

Zitat: - in eine PropertyNode "Wert (signalisierend)" schreiben
wählen.

Ich habe via Hilfe mal "PropertyNode" gesucht und verstehe leider nicht wie das geht. Muss ich den Boolean Wert in einen PropertyNode schreiben und kann ich dann diesen als Bedingung übernehmen?

Stefan
Alle Beiträge dieses Benutzers finden
Diese Nachricht in einer Antwort zitieren to top
29.06.2012, 15:44
Beitrag #4

GerdW Offline
______________
LVF-Team

Beiträge: 17.538
Registriert seit: May 2009

LV2019 (LV2021)
1995
DE_EN

10×××
Deutschland
RE: Datenquelle aus Datensenke?
Hallo RaceApp,

Zitat:Da das Boolean Signal aus einer anderen Berechnung (einem SubVI) kommt kann ich leider nicht beide Werte angeben.
Kommen beide Trigger aus dem subVI?
Läuft das subVI in seiner eigenen Schleife?
Könntest du es einfach in der Haupt-Schleife aufrufen?
Könntest du es im TimeOut-Case der Eventstruktur aufrufen?
Leider fehlen zu viele Informationen, um eine qualifizierte Antwort zu geben...

Zitat:Muss ich den Boolean Wert in einen PropertyNode schreiben und kann ich dann diesen als Bedingung übernehmen?
Du nimmst die Property "Value (signalling)". Diese schreibt den Wert in das Anzeigeelement und erzeugt ein Event, welches man auswerten kann. Das Event wird ganz normal auf das FP-Element konfiguriert mit "Wertänderung"...

Alle Beiträge dieses Benutzers finden
Diese Nachricht in einer Antwort zitieren to top
29.06.2012, 16:03
Beitrag #5

RaceApp Offline
LVF-Grünschnabel
*


Beiträge: 14
Registriert seit: May 2012

11
2012
DE



RE: Datenquelle aus Datensenke?
Hallo GerdW,

Zitat:Kommen beide Trigger aus dem subVI?
Es ist nur ein Trigger und dieser kommt aus einer Berechnung. Ich musste im Beispiel zwei Trigger machen, damit ich eben ein Resultat habe. Sorry, hat wohl Verwirrung gestiftet.

Zitat:Läuft das subVI in seiner eigenen Schleife?
Ja, wie im Beispiel die untere Schleife.

Zitat:Könntest du es einfach in der Haupt-Schleife aufrufen?
Ja, das könnte ich und habe es auch probiert. Aber das Problem habe ich immer noch denn es fehlt der Trigger wie ich gelernt habeBlush

Zitat:Könntest du es im TimeOut-Case der Eventstruktur aufrufen?
Mmmmhh. Da kein Event generiert wird dürfte das nicht funktionieren soweit ich verstehe.

Zitat:Du nimmst die Property "Value (signalling)". Diese schreibt den Wert in das Anzeigeelement und erzeugt ein Event, welches man auswerten kann. Das Event wird ganz normal auf das FP-Element konfiguriert mit "Wertänderung"...

Wow. Das wird es wohl sein. Aber ich konnte leider auch mit der LV Hilfe nicht herausfinden wie das geht. Habe mal das VI angehängt. Den Wert mit der PropertyNode verbinden funktioniert nicht. Sorry, ich verstehe den Ansatz mit dem PropertyNode leider noch nicht. Wie geht das?

Stefan


Angehängte Datei(en)
11.0 .vi  rundenzeiten_v22.vi (Größe: 11,29 KB / Downloads: 237)
Alle Beiträge dieses Benutzers finden
Diese Nachricht in einer Antwort zitieren to top
29.06.2012, 16:43
Beitrag #6

RaceApp Offline
LVF-Grünschnabel
*


Beiträge: 14
Registriert seit: May 2012

11
2012
DE



RE: Datenquelle aus Datensenke?
GerdW,
Ich habe mir mal ein Video zum Thema "Property Nodes" reingezogen:
http://www.youtube.com/watch?v=J6ESPHZ53...re=related

Und ich bin überzeugt, dass ich damit mein Problem lösen kann. Der Ansatz ist gut --- nur habe ich es noch nicht zum Laufen gebracht. Ich schaffe es nicht, dass ich die Wertänderung hinkriege und diese als Trigger verwenden kann.....

Im Anhang der aktuelle Stand der Arbeiten.....leider noch nicht erfolgreich.

Stefan


Angehängte Datei(en)
11.0 .vi  rundenzeiten_v23.vi (Größe: 11,22 KB / Downloads: 250)
Alle Beiträge dieses Benutzers finden
Diese Nachricht in einer Antwort zitieren to top
Anzeige
30.06.2012, 09:28
Beitrag #7

RaceApp Offline
LVF-Grünschnabel
*


Beiträge: 14
Registriert seit: May 2012

11
2012
DE



RE: Datenquelle aus Datensenke?
Also,

Ich bin wieder ein Stückchen weiter. In den Grundzügen verstehe ich nun die Eigenschaftsknoten und konnte diese auch in Beispielen umsetzen. NUR funktioniert mein Beispiel immer noch nicht korrekt. Deshalb nochmals die bitte um einen Tipp!

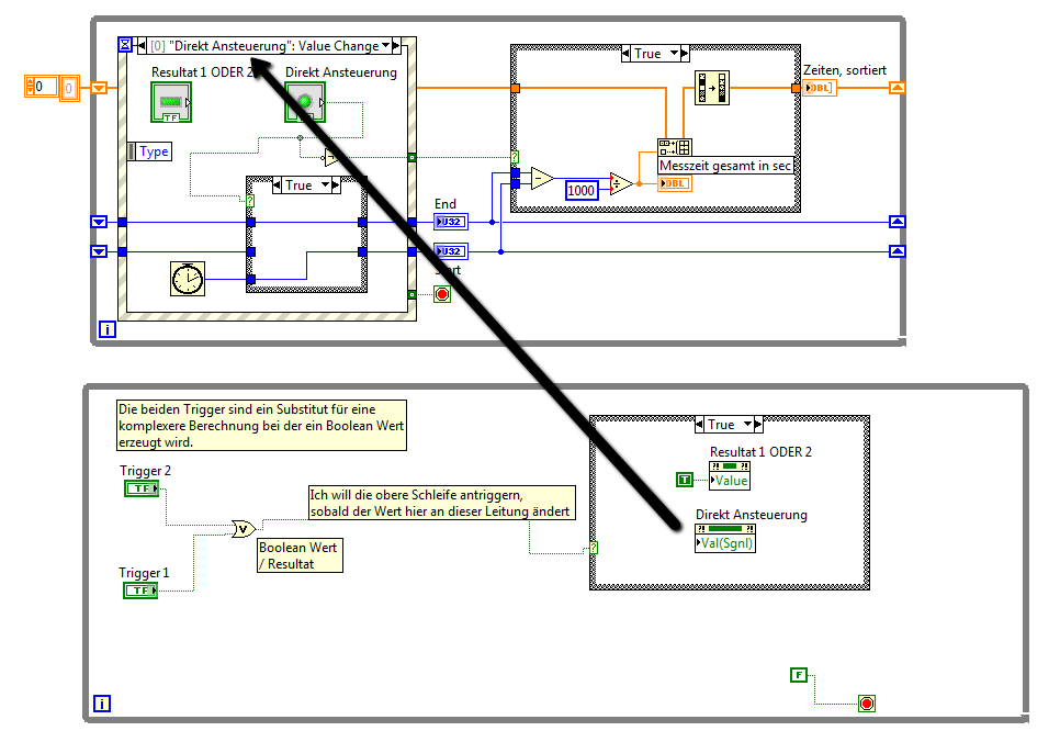
Ich habe das Problem mal im beiliegenden VI ausformuliert. Ich will aus einem Trigger in der unteren Schleife einen Rundenzeitenzähler in der oberen Schleife ansteuern. Wenn ich oben ein Bedienelement als Trigger nehme funktioniert alles bestens - wie am im VI sieht. Ich muss aber als Trigger ein Resultat aus einer anderen, komplexen Berechnung (in der unteren Schleife) verwenden und da beginnt das Problem.

Ich habe versucht via Methodenknoten einen Event auszulösen und auf das Eingabelement (LED) zu schreiben.

Wer kann mir helfen? Big Grin

Stefan


Angehängte Datei(en)
11.0 .vi  rundenzeiten_v24.vi (Größe: 17,27 KB / Downloads: 227)
Alle Beiträge dieses Benutzers finden
Diese Nachricht in einer Antwort zitieren to top
30.06.2012, 21:39
Beitrag #8

NWOmason Offline
Simultator
*****


Beiträge: 1.078
Registriert seit: Dec 2010

2012.SP1
2008
EN

93047
Deutschland
RE: Datenquelle aus Datensenke?
(30.06.2012 09:28 )RaceApp schrieb:  Wer kann mir helfen? Big Grin

Ich möchte dich nochmals auf Beitrag #2 von Gerd hinweisen:

(29.06.2012 15:25 )GerdW schrieb:  - in eine PropertyNode "Wert (signalisierend)" schreiben

oder siehe Screenshot:

   

Den Rest darfst du dir selber ausdenken Wink

Beste Grüße,
NWO

9 von 10 Stimmen in meinem Kopf sagen: Ich bin nicht verrückt,
die andere summt die Melodie von Tetris
.

NI schrieb:To use the abort button is like using a tree to stop a car!

(20.01.2012 11:02 )NWOmason schrieb:  Getting Started with NI LabVIEW Student Training
http://zone.ni.com/devzone/cda/tut/p/id/7466

Introduction to NI LabVIEW - Learn LabVIEW Basics
http://www.ni.com/gettingstarted/labviewbasics/

Top 5 der Empfehlungen für LabVIEW-Einsteiger
http://www.ni.com/newsletter/51735/de/
Alle Beiträge dieses Benutzers finden
Diese Nachricht in einer Antwort zitieren to top
01.07.2012, 08:31 (Dieser Beitrag wurde zuletzt bearbeitet: 01.07.2012 08:32 von RaceApp.)
Beitrag #9

RaceApp Offline
LVF-Grünschnabel
*


Beiträge: 14
Registriert seit: May 2012

11
2012
DE



RE: Datenquelle aus Datensenke?
NWO,

Danke für die Antwort. Ich bin wohl zu doof um die Lösung zu sehen - oder vor lauter Wald sind die Bäume für mich unsichtbar geworden 2hands

Ich habe mal die beiden Möglichkeiten in eine CASE-Struktur eingefügt, das sollte gehen soweit ich das beurteilen kann. Einfach mit dem Eigenschaftsknoten die obere LED ansteuern.

ABER LEIDER....

Kann ich jetzt die beiden Schalter "Trigger 1" und Trigger 2" nicht mehr anklicken. Ich fürchte jetzt habe ich ein Problem mit den While-Scheifen......

Im Anhang wieder das bisherige Resultat.

Stefan


Angehängte Datei(en)
11.0 .vi  rundenzeiten_v26.vi (Größe: 16,42 KB / Downloads: 254)
Alle Beiträge dieses Benutzers finden
Diese Nachricht in einer Antwort zitieren to top
01.07.2012, 11:21
Beitrag #10

NWOmason Offline
Simultator
*****


Beiträge: 1.078
Registriert seit: Dec 2010

2012.SP1
2008
EN

93047
Deutschland
RE: Datenquelle aus Datensenke?
(01.07.2012 08:31 )RaceApp schrieb:  Kann ich jetzt die beiden Schalter "Trigger 1" und Trigger 2" nicht mehr anklicken. Ich fürchte jetzt habe ich ein Problem mit den While-Scheifen......

Wie wäre es denn mit einer Wartezeit in der unteren Schleife? Danach sind die Schalter wieder anklickbar Smile

Beste Grüße,
NWO

9 von 10 Stimmen in meinem Kopf sagen: Ich bin nicht verrückt,
die andere summt die Melodie von Tetris
.

NI schrieb:To use the abort button is like using a tree to stop a car!

(20.01.2012 11:02 )NWOmason schrieb:  Getting Started with NI LabVIEW Student Training
http://zone.ni.com/devzone/cda/tut/p/id/7466

Introduction to NI LabVIEW - Learn LabVIEW Basics
http://www.ni.com/gettingstarted/labviewbasics/

Top 5 der Empfehlungen für LabVIEW-Einsteiger
http://www.ni.com/newsletter/51735/de/
Alle Beiträge dieses Benutzers finden
Diese Nachricht in einer Antwort zitieren to top
Antwort schreiben 


Möglicherweise verwandte Themen...
Themen Verfasser Antworten Views Letzter Beitrag
  Array Bedienelement als Datenquelle Hachiko 4 7.008 20.09.2010 14:54
Letzter Beitrag: Hachiko

Gehe zu: