INFO: Dieses Forum nutzt Cookies...
Cookies sind für den Betrieb des Forums unverzichtbar. Mit der Nutzung des Forums erklärst Du dich damit einverstanden, dass wir Cookies verwenden.

Es wird in jedem Fall ein Cookie gesetzt um diesen Hinweis nicht mehr zu erhalten. Desweiteren setzen wir Google Adsense und Google Analytics ein.


Antwort schreiben 

Datensätze mit unterschiedlicher Abtastrate speichern



Wenn dein Problem oder deine Frage geklärt worden ist, markiere den Beitrag als "Lösung",
indem du auf den "Lösung" Button rechts unter dem entsprechenden Beitrag klickst. Vielen Dank!

07.09.2012, 14:55
Beitrag #1

thommy3281 Offline
LVF-Grünschnabel
*


Beiträge: 10
Registriert seit: Apr 2012

2014
2003
DE_EN


Deutschland
Datensätze mit unterschiedlicher Abtastrate speichern
Hallo zusammen,

möchte zunächst kurz die MEssaufgabe und anschließend mein Problem schildern:

Aufgwbae ist es den Strom eines Motors über zwei Stunden zu erfassen. Allerdings sollten die ersten 30 Sekunden mit 20 kHz abgetastet werden.
die nächsten 30 min dann, sollen nur noch alle 10 Sekunden ein Messwert (Mittelwert) erfasst werden.
Und zum Abschluss sollen die letzten ca. eineinhalb Stunden nur noch alle 30 Sekunden ein Wert erfasst werden.
Dies soll dazu dienen das Einlaufverhalten zu erfassen.

Die Messaufgabe an sich sich ist auch nicht schwer aber ich habe jetzt drei Signale mit unterschiedlichen "Abtastrate" (oder Mittelungen) die ich gerne aneinander hängen würde und dann natürlich auch so speichern möchte.
Über den Signalverlauf ist es nicht möglich weil ich ja nur ein dt angeben kann.
x-y-Graph funktionert das zusammenführen auf jeden Fall, aber wie kann ich dann die Signale sinnvoll abspeichern. tdms nimmt mir die Werte dann nicht mehr ab.

Was nicht akzeptabel ist, ist eine txt-Datei in der ich Spaltenweise die Uhrzeit und Messwert eintrage.
Ich benötige, wenn möglich die absolute Zeit und die Daten sollen später einfach im Excel geöffnet werden können.

Ich hoffe die Erklärung ist einigermaßen klar und es kann mir jemand helfen.


Grüße Thommy
Alle Beiträge dieses Benutzers finden
Diese Nachricht in einer Antwort zitieren to top
Anzeige
07.09.2012, 15:18 (Dieser Beitrag wurde zuletzt bearbeitet: 07.09.2012 15:20 von GerdW.)
Beitrag #2

GerdW Offline
______________
LVF-Team

Beiträge: 17.534
Registriert seit: May 2009

LV2019 (LV2021)
1995
DE_EN

10×××
Deutschland
RE: Datensätze mit unterschiedlicher Abtastrate speichern
Hallo tommy,

Samplerate mal eben um den Faktor 200000 (von 20kHz auf 0,1Hz) ändern? Hmm

Ich würde zwei Dateien anlegen, die erste enthält die Daten der ersten 30s, in die zweite kommen die Messdaten der folgenden 2h (und vorzugsweise durchgängig im 10s-Takt). Wenn man die Daten dann in Excel (schlimm genug) auswerten möchte, kann man (manuell oder per Makro) die zwei Dateien ja zusammenkopieren.
Ansonsten landest du sehr schnell wieder bei einer zusätzlichen Spalte für den Timestamp...

P.S.:
30s*20kHz = 600kS (plus den Peanuts von weiteren 720 Werten in 2h), ich hoffe du nutzt eine aktuelle Excel-Version auf einem wirlich schnellen Rechner...

Alle Beiträge dieses Benutzers finden
Diese Nachricht in einer Antwort zitieren to top
07.09.2012, 15:28
Beitrag #3

thommy3281 Offline
LVF-Grünschnabel
*


Beiträge: 10
Registriert seit: Apr 2012

2014
2003
DE_EN


Deutschland
RE: Datensätze mit unterschiedlicher Abtastrate speichern
Ja wir nutzen bereits die aktuelel Version von Excel.
Excel war auch nur eine Option für alle diejenigen die nur über normale Arbeitsrechner verfügen.
Evtl. sollen die Daten mit Minitab oder ähnlichen Statistikprogrammen bewertet werden.

Dazu kommt noch, dass das nicht nur an einem Motor sondern parallel an 10 Motoren geschieht Wink
Aber das sit alles noch verkraftbar.

Am liebsten hätte ich eine tdms-Datei mit den o.g. Kriterien...

Gruß
Alle Beiträge dieses Benutzers finden
Diese Nachricht in einer Antwort zitieren to top
08.09.2012, 11:24
Beitrag #4

rasta Offline
LVF-Gelegenheitsschreiber
**


Beiträge: 245
Registriert seit: Oct 2006

LabVIEW 2009-2017
2006
EN

53909
Deutschland
RE: Datensätze mit unterschiedlicher Abtastrate speichern
(07.09.2012 15:28 )thommy3281 schrieb:  Ja wir nutzen bereits die aktuelel Version von Excel.
Excel war auch nur eine Option für alle diejenigen die nur über normale Arbeitsrechner verfügen.
Evtl. sollen die Daten mit Minitab oder ähnlichen Statistikprogrammen bewertet werden.

Dazu kommt noch, dass das nicht nur an einem Motor sondern parallel an 10 Motoren geschieht Wink
Aber das sit alles noch verkraftbar.

Am liebsten hätte ich eine tdms-Datei mit den o.g. Kriterien...

Gruß

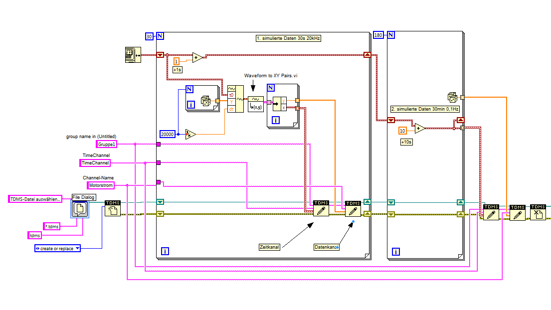
Hallo Thommy,
im Anhang ein Beispiel mit TDMS mit Verwendung eines Zeitkanals.
Ich habe die Daten für "Allerdings sollten die ersten 30 Sekunden mit 20 kHz abgetastet werden.
die nächsten 30 min dann, sollen nur noch alle 10 Sekunden ein Messwert (Mittelwert) erfasst werden."

simuliert.(Dateigröße ~14MB)
Mit dem Excel TDMS-Importer Plugin kannst Du (Ihr) die TDMS-Daten direkt in Excel einladen.
Minitab kenne ich nicht. Wie sieht es mit DIAdem aus?

Gruß
Ralf


Angehängte Datei(en) Thumbnail(s)
       

10.0 .vi  Datensätze mit unterschiedlicher Abtastrate speichern.vi (Größe: 38,68 KB / Downloads: 308)
Alle Beiträge dieses Benutzers finden
Diese Nachricht in einer Antwort zitieren to top
30
Antwort schreiben 


Möglicherweise verwandte Themen...
Themen Verfasser Antworten Views Letzter Beitrag
  Mehrere Datensätze auf einmal anfügen galilio 2 5.951 08.09.2016 14:33
Letzter Beitrag: galilio
  Abtastrate reduzieren Titus225 2 6.236 05.06.2012 14:20
Letzter Beitrag: Titus225
  Datensätze mit ADO Tool Auslesen Greeneye 15 18.117 22.04.2009 12:37
Letzter Beitrag: cb
  Verschiedene Datensätze mit Kombinationsfeld auswählen angellot 1 5.044 14.08.2008 07:31
Letzter Beitrag: Y-P
  Doppelte Datensätze chilischote85 4 5.382 11.08.2008 09:01
Letzter Beitrag: chilischote85
  beim lesen abtastrate erkennen Anfangerlabv. 9 10.068 23.10.2007 15:03
Letzter Beitrag: Achim

Gehe zu: