INFO: Dieses Forum nutzt Cookies...
Cookies sind für den Betrieb des Forums unverzichtbar. Mit der Nutzung des Forums erklärst Du dich damit einverstanden, dass wir Cookies verwenden.

Es wird in jedem Fall ein Cookie gesetzt um diesen Hinweis nicht mehr zu erhalten. Desweiteren setzen wir Google Adsense und Google Analytics ein.


Antwort schreiben 

Detektion von sechs gleichen aufeinander folgenden Werten



Wenn dein Problem oder deine Frage geklärt worden ist, markiere den Beitrag als "Lösung",
indem du auf den "Lösung" Button rechts unter dem entsprechenden Beitrag klickst. Vielen Dank!

27.02.2009, 09:26
Beitrag #1

Kathy Offline
LVF-Gelegenheitsschreiber
**


Beiträge: 123
Registriert seit: Feb 2009

7.1 Student Edition
2008
en

21039
Deutschland
Detektion von sechs gleichen aufeinander folgenden Werten
Hallo,

ich habe nun ein 1D-Array aus Nullen und Einsen, dass etwa so aussehen könnte:

0101010010110000000010001011111111111111111111111111111111

Nun möchte ich dieses Array so ändern, dass die Sprünge zwischen Null und Eins verschwinden.
Deshalb bin ich momentan auf der Suche nach einer Funktion, die erkennt, wenn sechs Werte in Folge entweder Null oder Eins sind.

Gibt es für sowas eine spezielle Funktion? Oder wie kann ich soetwas innerhalb einer Schleife zum Beispiel realisieren???

Vielen Dank für eure Hilfe!!!!!
Alle Beiträge dieses Benutzers finden
Diese Nachricht in einer Antwort zitieren to top
Anzeige
27.02.2009, 10:23
Beitrag #2

ImExPorty Offline
LVF-Freak
****


Beiträge: 572
Registriert seit: Jan 2008

8.6
2001
kA

65934
Deutschland
Detektion von sechs gleichen aufeinander folgenden Werten
Hallo Kathy,

IdeenlieferantTop1

ist der Wunsch nach
' schrieb:wenn sechs Werte in Folge entweder Null oder Eins sind.
zufällig oder willst Du Error -Frames am CAN-Bus detektieren?

1 Postingempfehlungen, 2 Motivation
Fragen und Anpassungswünsche per PM werden, gegen Rechnungsstellung gerne beantwortet und realisiert ....wenn's dann doch kostenlos sein soll... bitte hier im LVF unter Berücksichtigung der voranstehenden Links posten.
Webseite des Benutzers besuchen Alle Beiträge dieses Benutzers finden
Diese Nachricht in einer Antwort zitieren to top
27.02.2009, 10:32
Beitrag #3

VDB Offline
LVF-Stammgast
***


Beiträge: 426
Registriert seit: Oct 2005

2010-2011
1997
kA

52134
Deutschland
Detektion von sechs gleichen aufeinander folgenden Werten
   
Lv85_img
Sonstige .vi  scan.vi (Größe: 31,31 KB / Downloads: 262)


VDB
Alle Beiträge dieses Benutzers finden
Diese Nachricht in einer Antwort zitieren to top
27.02.2009, 10:48
Beitrag #4

Kathy Offline
LVF-Gelegenheitsschreiber
**


Beiträge: 123
Registriert seit: Feb 2009

7.1 Student Edition
2008
en

21039
Deutschland
Detektion von sechs gleichen aufeinander folgenden Werten
Hallo ImExPorty,


deine Ideengrundlagen habe ich mir mal angeschaut, aber das ist nicht so ganz das was ich gerne hätte, oder eher brauche.... Wink

Es handelt sich nicht um ErrorFrames sondern um zufällige Messwerte, die entstehen, wenn jemand über eine Kraftmessplatte läuft. Dabei kann es sein, dass die Werte zunächst minimal um die x-Achse schwanken. Um die detektion zu erleichtern habe ich mir gedacht, dass ich erstmal alle positiven Werte einschliesslich der Null in Einsen wandle und alle negativen in Nullen. Daraus folgt, dass ich nun ein 1D-Array aus Einsen und Nullen habe, wobei es am Anfang und eventuell auch beim èbergang von positiven zu negativen Messwerten, (oder anders rum) zu Schwankungen kommen kann. Diese möchte ich gerne eliminieren!

Das bedeutet, wenn vielleicht die ersten 10 Werte immer zwischen Null und Eins wechslen und dann aber mindestens sechs Nullen folgen, gehe ich davon aus, dass die ersten 10 Werte auch eher negativ sind. Aus diesem Grund würde ich diese Werte dann gerne gleich null setzen.

Und dazu wäre es als allererstes mal gut, wenn ich wüsste, wie ich eine Abfolge von sechs gleichen Zahlen (6 mal null oder 6 mal eins) erkennen kann!

Vielen Dank für deine Hilfe!!!!!
Alle Beiträge dieses Benutzers finden
Diese Nachricht in einer Antwort zitieren to top
27.02.2009, 11:04
Beitrag #5

Kathy Offline
LVF-Gelegenheitsschreiber
**


Beiträge: 123
Registriert seit: Feb 2009

7.1 Student Edition
2008
en

21039
Deutschland
Detektion von sechs gleichen aufeinander folgenden Werten
Hallo VDB!

Vielen Dank für dein Beispiel-Programm!!!!!!!!!!!!!!!!
Aber leider konnte ich bis jetzt die Funktion, die du da verwendet hast nirgendwo finden....
Wie heisst die denn? Oder gibts die erst in LabVIEW 8?

lg
Alle Beiträge dieses Benutzers finden
Diese Nachricht in einer Antwort zitieren to top
27.02.2009, 11:10
Beitrag #6

VDB Offline
LVF-Stammgast
***


Beiträge: 426
Registriert seit: Oct 2005

2010-2011
1997
kA

52134
Deutschland
Detektion von sechs gleichen aufeinander folgenden Werten
' schrieb:Hallo VDB!

Vielen Dank für dein Beispiel-Programm!!!!!!!!!!!!!!!!
Aber leider konnte ich bis jetzt die Funktion, die du da verwendet hast nirgendwo finden....
Wie heisst die denn? Oder gibts die erst in LabVIEW 8?

lg

Doch, die müsste es in 7.1 auch schon geben, Programming -> String -> Match Regular Expression

VDB
Alle Beiträge dieses Benutzers finden
Diese Nachricht in einer Antwort zitieren to top
Anzeige
27.02.2009, 11:29 (Dieser Beitrag wurde zuletzt bearbeitet: 27.02.2009 11:48 von Lucki.)
Beitrag #7

Lucki Offline
Tech.Exp.2.Klasse
LVF-Team

Beiträge: 7.699
Registriert seit: Mar 2006

LV 2016-18 prof.
1995
DE

01108
Deutschland
Detektion von sechs gleichen aufeinander folgenden Werten
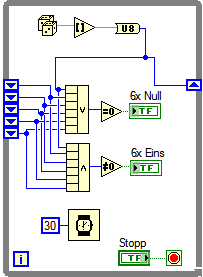
Hier mal ein kleines Spielprogramm. Die Dioden blinken, wenn ber der Zufallszahlen-Erzeugung 0..1 6 mal hintereinander Werte unter 0.5 bzw über 0.5 vorkommen.
(Die Wartezeit 30ms wurde so gewählt, daß im Mittel alle 1 sec ein Ereignis stattfindet)
Will damit sagen: Die Zahlenfoge durch ein 6-stelliges Schieberegister schicken und die Werte im Register wie im Bild gezeigt abfragen.

   
Alle Beiträge dieses Benutzers finden
Diese Nachricht in einer Antwort zitieren to top
27.02.2009, 11:45
Beitrag #8

Kathy Offline
LVF-Gelegenheitsschreiber
**


Beiträge: 123
Registriert seit: Feb 2009

7.1 Student Edition
2008
en

21039
Deutschland
Detektion von sechs gleichen aufeinander folgenden Werten
Huhu VDB,

habe nochmals alles abgesucht, aber bei mir gibts unter anderem nur
Match Pattern
Match First String
Match True/False String

Vielleicht liegt's daran, dass ich eine Student Edition habe?

Was kann die Funktion denn genau, vielleicht kann ich dann was ähnliches auftreiben! Rolleyes

lg
Alle Beiträge dieses Benutzers finden
Diese Nachricht in einer Antwort zitieren to top
27.02.2009, 11:47
Beitrag #9

TSC Offline
LVF-Team
LVF-Team

Beiträge: 1.882
Registriert seit: Sep 2008

LV 2018 SP1
2008
EN

52379
Deutschland
Detektion von sechs gleichen aufeinander folgenden Werten
' schrieb:Huhu VDB,

habe nochmals alles abgesucht, aber bei mir gibts unter anderem nur
Match Pattern
Match First String
Match True/False String

Vielleicht liegt's daran, dass ich eine Student Edition habe?

Was kann die Funktion denn genau, vielleicht kann ich dann was ähnliches auftreiben! Rolleyes

lg

nimm doch einfach MATCH PATTERN

"Über Fragen, die ich nicht beantworten kann, zerbreche ich mir nicht den Kopf!" (Konrad Zuse)
Alle Beiträge dieses Benutzers finden
Diese Nachricht in einer Antwort zitieren to top
27.02.2009, 11:55
Beitrag #10

Lucki Offline
Tech.Exp.2.Klasse
LVF-Team

Beiträge: 7.699
Registriert seit: Mar 2006

LV 2016-18 prof.
1995
DE

01108
Deutschland
Detektion von sechs gleichen aufeinander folgenden Werten
' schrieb:Lucki, überprüf doch mal schnell die Grafik ich glaub da ist was falsch verlinkt.

EDIT:
nu gehts irgendwie,.. hat sich damit erledigt!
Es ist doch immer wieder dassebe mit Dir mit Deinem zu schnellem Lesen :mellow:Habe die Graphik noch schnell ausgetauscht: Ursprünglich waren die Werte false-true, jetzt 0-1
Alle Beiträge dieses Benutzers finden
Diese Nachricht in einer Antwort zitieren to top
30
Antwort schreiben 


Möglicherweise verwandte Themen...
Themen Verfasser Antworten Views Letzter Beitrag
  Mehrere subvis vom gleichen Typ coke22 1 3.083 08.06.2015 13:18
Letzter Beitrag: Schwand
  Sound&Vibration Peak Search in TDMS ausgeben in gleichen Zeitabständen udcno@AL 6 7.396 16.11.2010 15:10
Letzter Beitrag: udcno@AL
  paralleles Abarbeiten des gleichen VI Tobox 6 6.589 08.07.2009 16:14
Letzter Beitrag: TSC
  1D - Array mit 40 Werten in 2D - Array mit 4x10 Werten umwandeln greglemond 7 7.740 03.06.2009 14:44
Letzter Beitrag: TSC
  Nach gleichen Elementen im Array suchen aRaven 8 12.447 12.11.2007 12:14
Letzter Beitrag: aRaven
  Auswertung eines FFT-Spektrums (Peak-Detektion) Falk 5 9.401 25.07.2006 16:49
Letzter Beitrag: Lucki

Gehe zu: