INFO: Dieses Forum nutzt Cookies...
Cookies sind für den Betrieb des Forums unverzichtbar. Mit der Nutzung des Forums erklärst Du dich damit einverstanden, dass wir Cookies verwenden.

Es wird in jedem Fall ein Cookie gesetzt um diesen Hinweis nicht mehr zu erhalten. Desweiteren setzen wir Google Adsense und Google Analytics ein.


Antwort schreiben 

Diagramm "verliert" Einstellungen



Wenn dein Problem oder deine Frage geklärt worden ist, markiere den Beitrag als "Lösung",
indem du auf den "Lösung" Button rechts unter dem entsprechenden Beitrag klickst. Vielen Dank!

12.10.2015, 21:47 (Dieser Beitrag wurde zuletzt bearbeitet: 12.10.2015 21:55 von tuhpon.)
Beitrag #1

tuhpon Offline
LVF-Grünschnabel
*


Beiträge: 16
Registriert seit: Jun 2007

13
2015
DE

85354
Deutschland
Diagramm "verliert" Einstellungen
Hallo Zusammen,

ich such mir bei mir im Programmcode gerade einen Wolf.
Darum wollte ich mal fragen, ob ich irgendwas offensichtliches nicht sehe oder ob ihr das Phänomen auch kennt und es ein BUG ist.

Ich habe ein Diagramm in dem 7 Plots in 2 Fenstern gestaplet werden.
Gefüttert wird das Diagramm "Messkurven" in Abb2.

Mein Problem ist nun, dass das Diagramm die Einstellungen "Plots" verliert. Jetzt gibt es in Abb2 Plot3 bis Plot6 welche schon (des öffteren) anders benannt worden waren und im unterem Diagramm angezeigt worden sind. Danach auch gespeichert worden sind!
Zu welchem Zeitpunt er die Einstellungen verliert kann ich nicht sagen! Ich hab mal alle Eigenschaftsknoten überprüft und geschaut, ob irgendeiner in dieser Richtung schreibend auf das Diagramm zugreift.
Aus meiner Sicht nicht.

Die einzigste "Hoffnung" welche ich noch habe ist, dass ich beim Historie löschen in Abb3 etwas falsch mache und er deswegen die Zuordnung der Plots verliert.

Das Projekt ist mit LabView 13.0f2 erstellt.

Hättet ihr einen Tip für mich?

Danke für euere Mühe!

christoph


Angehängte Datei(en) Thumbnail(s)
           
Alle Beiträge dieses Benutzers finden
Diese Nachricht in einer Antwort zitieren to top
Anzeige
13.10.2015, 07:03 (Dieser Beitrag wurde zuletzt bearbeitet: 13.10.2015 07:05 von GerdW.)
Beitrag #2

GerdW Offline
______________
LVF-Team

Beiträge: 17.538
Registriert seit: May 2009

LV2019 (LV2021)
1995
DE_EN

10×××
Deutschland
RE: Diagramm "verliert" Einstellungen
Hallo Christoph,

Tipp: Initialisiere deine Chart-Historie bitte nicht mit einem leeren Array, sondern mit einem 2D-Array aus 7×1 NaN!

Hintergrund: bei einer (komplett) leeren Historie hat der Chart natürlich keinerlei Plots mehr - und dementsprechend auch keine Namen etc. der Plots…

Du arbeitest mit sehr vielen "Wert"-PropertyNodes. Gibt es dafür einen Grund?

Alle Beiträge dieses Benutzers finden
Diese Nachricht in einer Antwort zitieren to top
31.10.2015, 10:14
Beitrag #3

tuhpon Offline
LVF-Grünschnabel
*


Beiträge: 16
Registriert seit: Jun 2007

13
2015
DE

85354
Deutschland
RE: Diagramm "verliert" Einstellungen
Hallo GerdW,

vielen Dank für deine Anwort. (und Entschludigung bitte meine verspätete Reaktion)

Zitat:Tipp: Initialisiere deine Chart-Historie bitte nicht mit einem leeren Array, sondern mit einem 2D-Array aus 7×1 NaN!

Hintergrund: bei einer (komplett) leeren Historie hat der Chart natürlich keinerlei Plots mehr - und dementsprechend auch keine Namen etc. der Plots…

Klingt logisch. Werde ich testen. Wird aber ein paar Tage dauern, bis ich dazukomme. Geb dann Feadback, ob das die Lösung ist oder nicht.

Zitat:Du arbeitest mit sehr vielen "Wert"-PropertyNodes. Gibt es dafür einen Grund?

Ich Arbeite noch nicht lange mit LabView. Ich weiß, das lokale Variablen mit Vorsicht zu genießen sind. Darum waren für mich die "Wert"-PropertyNodes die Lösungs. Ist dieser Ansatz auch nicht so gut?

Danke

christoph
Alle Beiträge dieses Benutzers finden
Diese Nachricht in einer Antwort zitieren to top
31.10.2015, 12:36
Beitrag #4

jg Offline
CLA & CLED
LVF-Team

Beiträge: 15.864
Registriert seit: Jun 2005

20xx / 8.x
1999
EN

Franken...
Deutschland
RE: Diagramm "verliert" Einstellungen
(31.10.2015 10:14 )tuhpon schrieb:  Ich Arbeite noch nicht lange mit LabView. Ich weiß, das lokale Variablen mit Vorsicht zu genießen sind. Darum waren für mich die "Wert"-PropertyNodes die Lösungs. Ist dieser Ansatz auch nicht so gut?
Ja, das ist noch schlechter. Jedes (!) Setzen einer PropertyNode erzwingt ein Frontpanel-Update, dein Programm wird somit unnötig langsam.

Gruß, Jens

Wer die erhabene Weisheit der Mathematik tadelt, nährt sich von Verwirrung. (Leonardo da Vinci)

!! BITTE !! stellt mir keine Fragen über PM, dafür ist das Forum da - andere haben vielleicht auch Interesse an der Antwort!

Einführende Links zu LabVIEW, s. GerdWs Signatur.
Alle Beiträge dieses Benutzers finden
Diese Nachricht in einer Antwort zitieren to top
31.10.2015, 13:21
Beitrag #5

IchSelbst Offline
LVF-Guru
*****


Beiträge: 3.708
Registriert seit: Feb 2005

11, 14, 15, 17, 18
-
DE

97437
Deutschland
RE: Diagramm "verliert" Einstellungen
(12.10.2015 21:47 )tuhpon schrieb:  oder ob ihr das Phänomen auch kennt und es ein BUG ist.
Ja, es ist ein Bug - aber nicht in LV, sondern in deinem Programm.

Aber mal zu was Wichtigerem:

Die vielen Propertynodes (oder gegebenenfalls auch Lokalen Variablen) kannst du dir ganz einfach sparen: Einfach alle Anzeigeelemente in einen Cluster setzen, diesen strikt typisieren und überall verwenden. Natürlich auch in dem Cluster, der jetzt schon (da links im Bild) besteht. Gigantischer Vorteil: ein einziger Draht! Weiterer Vorteil: Der Sourcecode wird extrem übersichtlich - sodass das Wolfsuchen extrem minimiert werden kann.

Jeder, der zur wahren Erkenntnis hindurchdringen will, muss den Berg Schwierigkeit alleine erklimmen (Helen Keller).
Alle Beiträge dieses Benutzers finden
Diese Nachricht in einer Antwort zitieren to top
02.11.2015, 12:53
Beitrag #6

tuhpon Offline
LVF-Grünschnabel
*


Beiträge: 16
Registriert seit: Jun 2007

13
2015
DE

85354
Deutschland
RE: Diagramm "verliert" Einstellungen
Danke Jens, danke IchSelbst.

Jetzt habe ich wieder was zum nachdenken bzw. zum nachlesen.

Danke euch Smile

Grüße
christoph
Alle Beiträge dieses Benutzers finden
Diese Nachricht in einer Antwort zitieren to top
Anzeige
02.11.2015, 15:41 (Dieser Beitrag wurde zuletzt bearbeitet: 03.11.2015 13:43 von Lucki.)
Beitrag #7

Lucki Offline
Tech.Exp.2.Klasse
LVF-Team

Beiträge: 7.699
Registriert seit: Mar 2006

LV 2016-18 prof.
1995
DE

01108
Deutschland
RE: Diagramm "verliert" Einstellungen
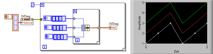
Primär dürfte Dein Problem aber mit dem Sch...-Format der Daten zusammenhängen. Mit 2D-Arrays habe ich schon ähnlich negative Erfahrungen gemacht wie Du. Die vorgeschlagene Initialisierung mit einem nicht leeren Array wird es wahrscheinlich auch nicht bringen. Mache es einfach so und genieße dein neues Glück:
   

Nachtrag: Warum bemerkt denn hier niemand, dass die innere For-Schleife unnötig ist? Denn für diese Zusammenfassung der Signale gibt es ja extra eine Funktion:
   
Alle Beiträge dieses Benutzers finden
Diese Nachricht in einer Antwort zitieren to top
Antwort schreiben 


Möglicherweise verwandte Themen...
Themen Verfasser Antworten Views Letzter Beitrag
  Waveform Graph vergisst Einstellungen gottfried 3 5.381 02.03.2018 17:48
Letzter Beitrag: jg
  Signalverlaufs-Diagramm - Werte aus dem Diagramm löschen Chrille76 2 7.416 09.07.2007 19:49
Letzter Beitrag: Chrille76

Gehe zu: