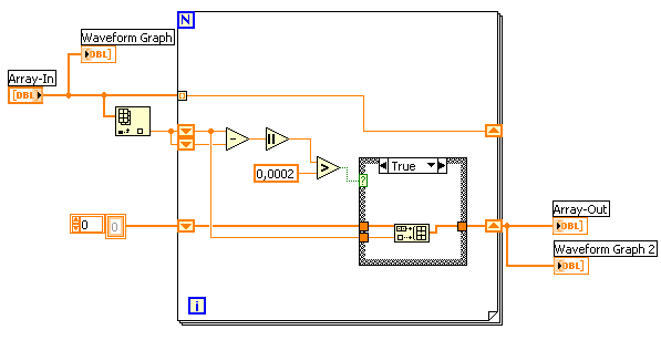
Differenzen zwischen einzelnen Daten im Array |
Wenn dein Problem oder deine Frage geklärt worden ist, markiere den Beitrag als "Lösung",
indem du auf den "Lösung" Button rechts unter dem entsprechenden Beitrag klickst. Vielen Dank!
| 30
|
|
|
| Möglicherweise verwandte Themen... | |||||
| Themen | Verfasser | Antworten | Views | Letzter Beitrag | |
| Rampen Vektor als einzelnen 16bit Wert ausgeben | Tom Thimson | 2 | 4.724 |
12.03.2019 15:20 Letzter Beitrag: Wedgewood |
|
| Daten auslesen und in Array schreiben | Daniel90 | 3 | 7.768 |
29.12.2015 18:01 Letzter Beitrag: Daniel90 |
|
| Graph zeigt immer nur einzelnen Punkt u. keine Kurve | Alpenpower | 5 | 7.212 |
15.05.2013 11:59 Letzter Beitrag: GerdW |
|
| Daten aus 1D-Array darstellen | Matthias85 | 3 | 4.569 |
24.01.2013 09:47 Letzter Beitrag: Y-P |
|
| Export von Daten aus Signalverlaufsdiagramm in Array | Tm! | 1 | 4.118 |
29.07.2012 20:29 Letzter Beitrag: GerdW |
|
| Daten aus Array ausgeben und weiterverarbeiten | SnoopyA | 6 | 8.761 |
18.06.2010 20:47 Letzter Beitrag: SnoopyA |
|





