Hallo gigi,
Zitat:Den Frequenzconverter gibt es Beispielsweise bei WinErs … ich denke bei LabVIEW geht es noch um einiges Simpler wenn man weiß wie.
Dafür gibt es bei LabVIEW ja DAQmx (für die hausinterne Hardware), da ist die PWM-Ausgabe gleich mit drin…
Zitat:Die Do Schleife setzte ich dann mit Case-Anweisungen in Labview um?
Wieso sollte man Schleifen mit Case-Anweisungen umsetzen?
Eine Schleife ist in jeder Programmiersprache eine Schleife. Und Verzweigungen sind eben Cases, Switches, Selects, o.ä.!
Zitat:Ich habe mir das in etwa so gedacht, auch wenn das wahrscheinlich ziemlicher schrott ist:
Ja.

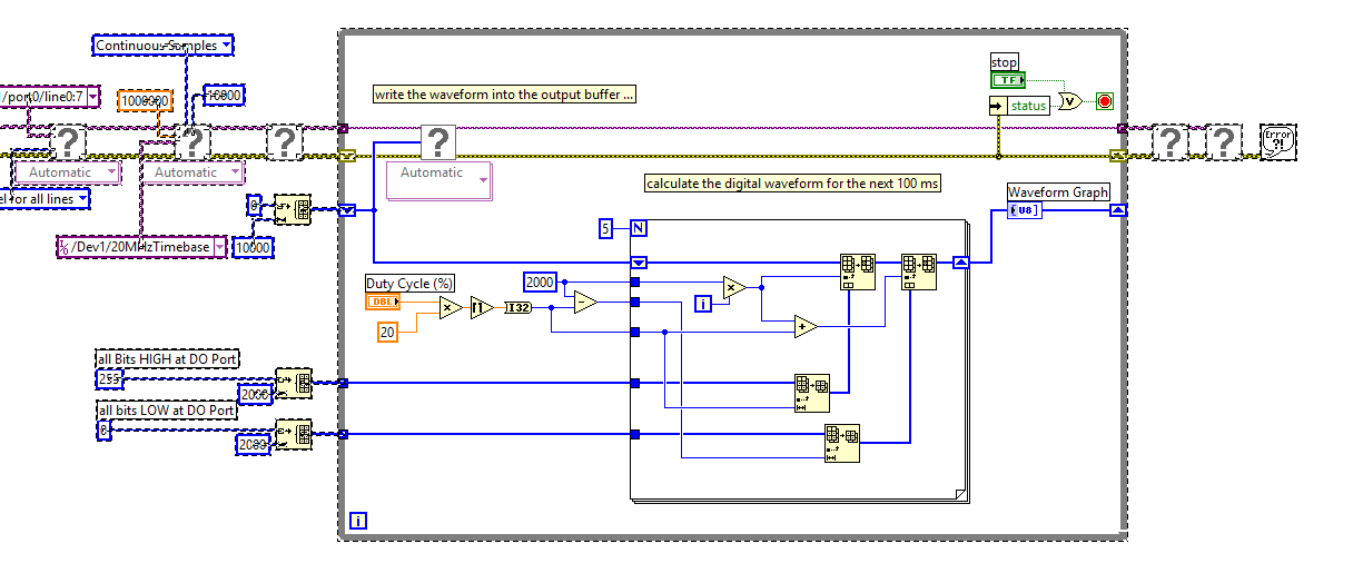
Generelle Anmerkung: Wieso lokale Variablen? Wieso "Value"-PropertyNodes? Warum keine Drähte? THINK DATAFLOW!
Spezielle Anmerkung:
Das Erstellen eines Arrays (oder einer Waveform) bringt dir GAR NICHTS, wenn du hinterher auf die Einzelwertausgabe (Set Single Coil) angewiesen bist!
Setze bitte den Pseudocode aus meinem vorigen Beitrag um! Ich sehe keine andere Möglichkeit, das bei dir zu realisieren.
(Vielleicht haben andere da noch bessere Ideen. Jens, du vielleicht?)