
Hallo ich habe ein ähnliches Problem..
möchte Daten in eine Datei schreiben. Die Daten werden in einer FGV gesammelt und zwischengespeichert.
Jetzt soll nun eine Vi bei der Initialisierung, somit vor der eigentlichen Messung so gestartet werden, das sie im Hintergrund läuft. Diese VI beinhaltet den Befehl speichere in Datei die ebenfalls in FGV implementiert ist.
Nun zu meinem Problem..
Wie übergebe ich meine Messwerte dieser Vi? Es ist ja so, das ich die Werte in FGV in mehreren Schritten aufnehme. Diese sollen ja als Verbund in Datei gespeichert werden und das alle 60s. Wär ja alles kein Problem wenn ich nur die Daten übergeben könnte und das an einer definierten Stelle im MainVi. Habe versucht die Vi im Hintergrund laufen zu lassen und am Ende der Stapelsequenz(die Stelle an der die Messwerte vollständig ermittelt wurden), die Daten in die Vi zu übergeben. Hab die Vi in Stapelsequenz eingebaut. Labview findet das aber nicht so toll und spuckt mir den Fehler 1000 aus.
Weiß nicht ob ich meine Schwierigkeit klar genug geäußert habe.. aber vllt kennt jemand das Problem und kann mir helfen.
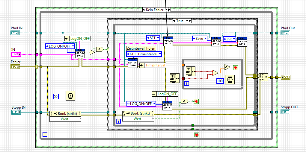
Häng mal zur Visualisierung .png Dateien an. save.png stellt meinen Versuch dar die Daten an Vi zu übergeben und save2.vi ist die Vi die im Hintergrund läuft.
lg