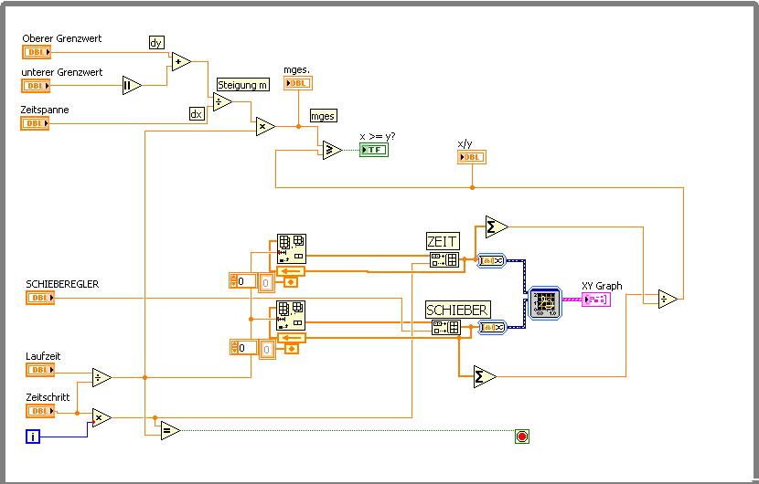
Event bei Werteänderung innerhalb einer Zeit |
Wenn dein Problem oder deine Frage geklärt worden ist, markiere den Beitrag als "Lösung",
indem du auf den "Lösung" Button rechts unter dem entsprechenden Beitrag klickst. Vielen Dank!
| 30
|
|
|
| Möglicherweise verwandte Themen... | |||||
| Themen | Verfasser | Antworten | Views | Letzter Beitrag | |
| RTF, HTML und PDF innerhalb von VI anzeigen | achim @ FZK | 5 | 6.148 |
17.05.2021 08:36 Letzter Beitrag: Zelos |
|
| Rechteck innerhalb eines Rechtecks | oe-ms1 | 4 | 5.266 |
29.03.2018 11:52 Letzter Beitrag: oe-ms1 |
|
| Event Case Ignoriert Tastendruck wenn in Gegenwart eines anderen "Leeren" Event Case | Ksanto | 8 | 10.457 |
23.10.2017 09:08 Letzter Beitrag: Ksanto |
|
| Bei Event Boolean ändern und bei erneutem Event resetten | Shieva | 4 | 6.782 |
07.07.2015 09:43 Letzter Beitrag: Lucki |
|
| Event struktur: event triggern mit digital input | Brainbug | 11 | 12.937 |
26.03.2015 17:51 Letzter Beitrag: Lucki |
|
| Muster suchen, RegEx Ausdruck String innerhalb Klammern | dali4u | 2 | 6.607 |
23.09.2014 10:30 Letzter Beitrag: dali4u |
|






