INFO: Dieses Forum nutzt Cookies...
Cookies sind für den Betrieb des Forums unverzichtbar. Mit der Nutzung des Forums erklärst Du dich damit einverstanden, dass wir Cookies verwenden.

Es wird in jedem Fall ein Cookie gesetzt um diesen Hinweis nicht mehr zu erhalten. Desweiteren setzen wir Google Adsense und Google Analytics ein.


Antwort schreiben 

Excel



Wenn dein Problem oder deine Frage geklärt worden ist, markiere den Beitrag als "Lösung",
indem du auf den "Lösung" Button rechts unter dem entsprechenden Beitrag klickst. Vielen Dank!

26.07.2009, 16:37
Beitrag #11

H_S Offline
LVF-Gelegenheitsschreiber
**


Beiträge: 131
Registriert seit: May 2009

2010
2009
DE

49085
Deutschland
Excel
HEy

ja das sieht doch schon ganz gut aus...
nur, wie müsste das vi geändert werden wenn ein Array eingefügt werden soll anstatt "nur" einem Wert??

@havetodo:
Ja das stimmt Big Grin
aber wir kommen dem Ziel doch langsam näher oder?

schöne Grüße
Alle Beiträge dieses Benutzers finden
Diese Nachricht in einer Antwort zitieren to top
Anzeige
26.07.2009, 17:14
Beitrag #12

havetodo Offline
LVF-Gelegenheitsschreiber
**


Beiträge: 124
Registriert seit: Jul 2009

8.6 student
-
de

59348
Deutschland
Excel
Super! Tausend Dank, ImExPorty!
Durch das deutlich besser strukturierte Programm ist mir jetzt einiges klarer geworden, was ich mir vorher nicht zusammenreimen konnte.

Ich werde jetzt mal probieren ein VI zu bauen, dass ein Array an einer bestimmten Stelle einfügt......... vielleicht schaff ich es ja Big Grin die Hoffnung stirbt zuletzt

@ H_S
Machen wir jetzt nen internen Anfänger Wettkampf?Wink-2

Gruß
Anja
Alle Beiträge dieses Benutzers finden
Diese Nachricht in einer Antwort zitieren to top
26.07.2009, 18:33
Beitrag #13

havetodo Offline
LVF-Gelegenheitsschreiber
**


Beiträge: 124
Registriert seit: Jul 2009

8.6 student
-
de

59348
Deutschland
Excel
die nächste Hürde ist aufgetaucht......

Anstatt nur einen Dateinamen vorzugeben, möchte ich gerne den Speicherort vorgeben und den Dateinamen automatisch erzeugen lassen

Der Dateiname soll aus einem festen String "Messbericht", dem aktuellen Datum (das wird bereits in meinem VI erzeugt und ausgegeben und einer laufenden Nummer (falls mehrere Messungen am gleichen Tag stattfinden). Genau diese laufende Nummer macht mir grad Kopfzerbrechen, denn ich weiß nicht wie sie erzeugt wird. Kann mir da jemand helfen?

Bei der Wahl des Speicherorts habe ich das Problem, dass mich das Zielverzeichnisfeld nur mit einer Datei und nicht mit einem Ordner zufrieden zu sein scheint. Wie stellt man das um?

   

Gruß
Anja
Alle Beiträge dieses Benutzers finden
Diese Nachricht in einer Antwort zitieren to top
26.07.2009, 19:11
Beitrag #14

H_S Offline
LVF-Gelegenheitsschreiber
**


Beiträge: 131
Registriert seit: May 2009

2010
2009
DE

49085
Deutschland
Excel
HEy,

habe soeben das Problem mit dem Array abspeichern gelöstBig Grin
Das vi von ImExPorty etwas verändert und es läuft. Hervorragend!
In String Array werden die Zellen eingegeben und im double Array die Daten.

Deine neue Frage lass ich mir auch mal durch den Kopf gehen , habe aber so spontan leider keine Idee. Aber wer weis bin ja ebenfalls im Selben Gebiet am Gange und vlt. ergibt sich da was, dann meld ich mich.

Ciao

Lv86_img


Angehängte Datei(en)
Sonstige .vi  Array_in_Excel_speichern.vi (Größe: 28,96 KB / Downloads: 277)
Alle Beiträge dieses Benutzers finden
Diese Nachricht in einer Antwort zitieren to top
26.07.2009, 19:37
Beitrag #15

havetodo Offline
LVF-Gelegenheitsschreiber
**


Beiträge: 124
Registriert seit: Jul 2009

8.6 student
-
de

59348
Deutschland
Excel
ähm, bei mir läuft es nicht......Mellow

Gruß
Anja
Alle Beiträge dieses Benutzers finden
Diese Nachricht in einer Antwort zitieren to top
26.07.2009, 19:48
Beitrag #16

ImExPorty Offline
LVF-Freak
****


Beiträge: 572
Registriert seit: Jan 2008

8.6
2001
kA

65934
Deutschland
Excel
' schrieb:ähm, bei mir läuft es nicht........diese Info ist nicht wirklich informativ
rechte Maustaste auf dem Pfad: >>Suchoptionen<<, könnte die Lösung für das andere Problem sein:
   

1 Postingempfehlungen, 2 Motivation
Fragen und Anpassungswünsche per PM werden, gegen Rechnungsstellung gerne beantwortet und realisiert ....wenn's dann doch kostenlos sein soll... bitte hier im LVF unter Berücksichtigung der voranstehenden Links posten.
Webseite des Benutzers besuchen Alle Beiträge dieses Benutzers finden
Diese Nachricht in einer Antwort zitieren to top
Anzeige
26.07.2009, 19:58
Beitrag #17

havetodo Offline
LVF-Gelegenheitsschreiber
**


Beiträge: 124
Registriert seit: Jul 2009

8.6 student
-
de

59348
Deutschland
Excel
entschuldige,
ich bekomme die Fehlermeldung, dass der Knoten "Excel.Workbook.save_as" einen fehlerhaften der unverbundenen Anschluß hat. Ich seh aber keinen der fehlt.


Ich versuch grad das VI für 2D Array auszurüsten, bei denen eine Zelle (zB links oben) vorgegeben wird und der Rest automatisch berechnet und eingefügt wird.


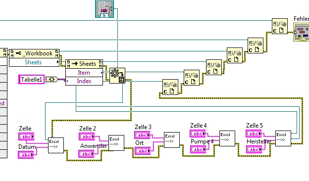
Mal noch ne andere Frage....... wenn jetzt ein dutzend Einzelwerte in unterschiedliche Einzelzellen eingetragen werden müssen, was wäre denn da die galanteste Lösung fürs VI? sicher nicht ein dutzendmal hintereinander so wie im Anhang, oder?

   

Gruß
Anja
Alle Beiträge dieses Benutzers finden
Diese Nachricht in einer Antwort zitieren to top
26.07.2009, 21:06
Beitrag #18

havetodo Offline
LVF-Gelegenheitsschreiber
**


Beiträge: 124
Registriert seit: Jul 2009

8.6 student
-
de

59348
Deutschland
Excel
mein neuester Versuch eine Tabelle in Excel zu positionieren....... mit nem halben dutzend Fehlermeldungen.
Ich komm nicht weiterSad
Kann mir jemand nochmal weiterhelfen?


Lv86_img

Sonstige .vi  Array_in_Excel_speichern3.vi (Größe: 13,93 KB / Downloads: 257)



Gibt es ein VI, dass Excel Zellenbezeichnungen in numerische Spalten- und Reihenbezeichnungen umrechnet?

Gruß
Anja
Alle Beiträge dieses Benutzers finden
Diese Nachricht in einer Antwort zitieren to top
26.07.2009, 21:07
Beitrag #19

ImExPorty Offline
LVF-Freak
****


Beiträge: 572
Registriert seit: Jan 2008

8.6
2001
kA

65934
Deutschland
Excel
' schrieb:...dass der Knoten "Excel.Workbook.save_as" einen fehlerhaften der unverbundenen Anschluß hat ...zur Laufzeit? => Schreibberechtigung auf dem (gültigen) Pfad?
Ich versuch grad das VI für 2D Array auszurüsten, bei denen eine Zelle (zB links oben) vorgegeben wird und der Rest automatisch berechnet und eingefügt wird. warum rechnen? => Bereich definieren!
Mal noch ne andere Frage....... wenn jetzt ein dutzend Einzelwerte in unterschiedliche Einzelzellen eingetragen werden müssen, was wäre denn da die galanteste Lösung fürs VI? sicher nicht ein dutzendmal hintereinander so wie im Anhang vorher in sinnvollem Array zusammenfassen, dann per Schleife übertragen wäre eine Option
   
   

Lv85_img
Sonstige .vi  Excel_Bereich_schreiben.vi (Größe: 32,75 KB / Downloads: 330)

1 Postingempfehlungen, 2 Motivation
Fragen und Anpassungswünsche per PM werden, gegen Rechnungsstellung gerne beantwortet und realisiert ....wenn's dann doch kostenlos sein soll... bitte hier im LVF unter Berücksichtigung der voranstehenden Links posten.
Webseite des Benutzers besuchen Alle Beiträge dieses Benutzers finden
Diese Nachricht in einer Antwort zitieren to top
26.07.2009, 21:17
Beitrag #20

ImExPorty Offline
LVF-Freak
****


Beiträge: 572
Registriert seit: Jan 2008

8.6
2001
kA

65934
Deutschland
Excel
' schrieb:Gibt es ein VI, dass Excel Zellenbezeichnungen in numerische Spalten- und Reihenbezeichnungen umrechnet?
eine Umkehrfunktion zu     wofür braucht man so etwas?...ist der Job von Excel

1 Postingempfehlungen, 2 Motivation
Fragen und Anpassungswünsche per PM werden, gegen Rechnungsstellung gerne beantwortet und realisiert ....wenn's dann doch kostenlos sein soll... bitte hier im LVF unter Berücksichtigung der voranstehenden Links posten.
Webseite des Benutzers besuchen Alle Beiträge dieses Benutzers finden
Diese Nachricht in einer Antwort zitieren to top
Antwort schreiben 


Möglicherweise verwandte Themen...
Themen Verfasser Antworten Views Letzter Beitrag
  muss Excel auf dem Zielsystem für Excel-Report installiert sein? Trinitatis 2 6.332 01.08.2016 20:51
Letzter Beitrag: Trinitatis

Gehe zu: