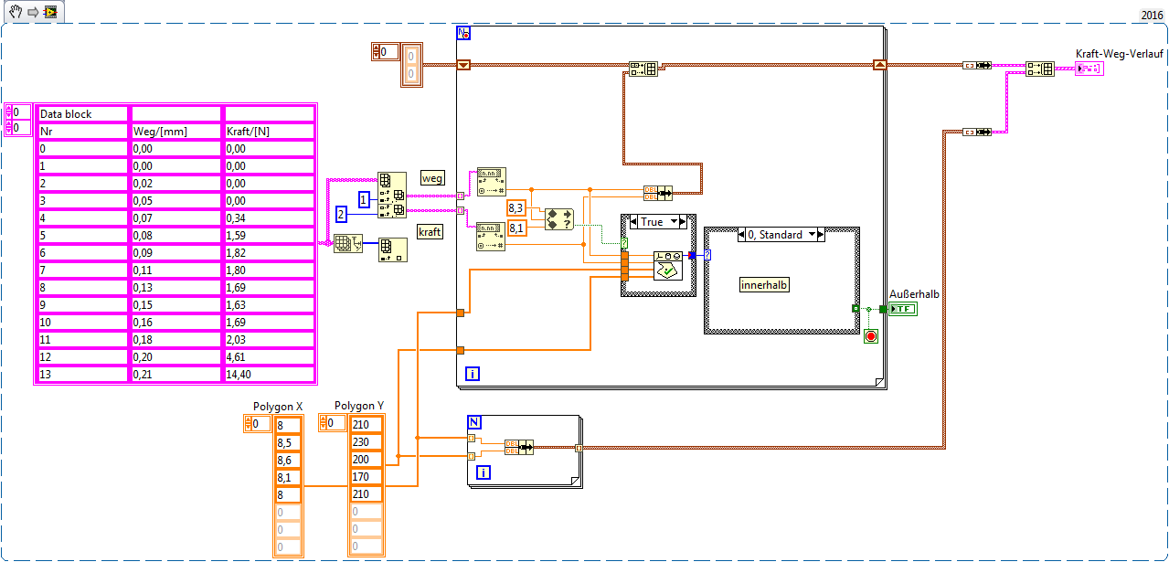
Fenster im X-Y-Diagramm für IO/NIO-Entscheidung |
Wenn dein Problem oder deine Frage geklärt worden ist, markiere den Beitrag als "Lösung",
indem du auf den "Lösung" Button rechts unter dem entsprechenden Beitrag klickst. Vielen Dank!
| 30
|
|
|
| Möglicherweise verwandte Themen... | |||||
| Themen | Verfasser | Antworten | Views | Letzter Beitrag | |
| Signalverlaufs-Diagramm - Werte aus dem Diagramm löschen | Chrille76 | 2 | 7.137 |
09.07.2007 19:49 Letzter Beitrag: Chrille76 |
|






