INFO: Dieses Forum nutzt Cookies...
Cookies sind für den Betrieb des Forums unverzichtbar. Mit der Nutzung des Forums erklärst Du dich damit einverstanden, dass wir Cookies verwenden.

Es wird in jedem Fall ein Cookie gesetzt um diesen Hinweis nicht mehr zu erhalten. Desweiteren setzen wir Google Adsense und Google Analytics ein.


Antwort schreiben 

Filterung eines Sensorsignals



Wenn dein Problem oder deine Frage geklärt worden ist, markiere den Beitrag als "Lösung",
indem du auf den "Lösung" Button rechts unter dem entsprechenden Beitrag klickst. Vielen Dank!

16.03.2016, 16:07
Beitrag #1

cobain2004 Offline
LVF-Grünschnabel
*


Beiträge: 28
Registriert seit: Jan 2014

2013 SP1
2011
DE


Schweiz
Filterung eines Sensorsignals
Hallo zusammen,

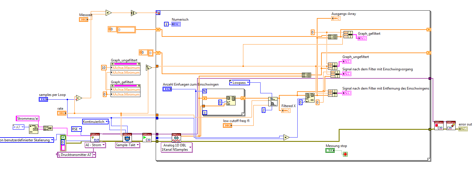
ich möchte gerne ein Sensorsignal (Keller Serie 33 X, 4-20mA, 0-800bar, 0.1% FS) mit 20 Hz filtern.
Der Sensor hat eine Ausgaberate von 400 Hz das heisst >800 Hz Abtastrate würden ausreichen um das Nyquiest-Kriterium einzuhalten.
Die Messung erfolgte bei 0 bar bzw. Umgebungsdruck.

Um nicht den Einschwingvorgang mitzumessen füge ich am Anfang des Butterworthfilter die gerade gemessenen Werte 2x hinzu und entferne diese nach dem Filtern wieder (ich hoffe das ist so korrekt).
Warum erhalte ich nun eine Ungenauigkeit von nur ca. 0.14 bar bei eine Rate von 100'000 Samples / Sec und bei 5'000 Samples /Sekunde (bei der ich eigentlich Messen wollte) ca. 1.6 bar? Liegt das Am Filter?

Ich freue mich auf eine Antwort.

Freundliche Grüsse

Patrick


Angehängte Datei(en) Thumbnail(s)
           
Alle Beiträge dieses Benutzers finden
Diese Nachricht in einer Antwort zitieren to top
Anzeige
16.03.2016, 16:22 (Dieser Beitrag wurde zuletzt bearbeitet: 16.03.2016 16:25 von GerdW.)
Beitrag #2

GerdW Offline
______________
LVF-Team

Beiträge: 17.540
Registriert seit: May 2009

LV2019 (LV2021)
1995
DE_EN

10×××
Deutschland
RE: Filterung eines Sensorsignals
Hallo cobain,

Zitat:Der Sensor hat eine Ausgaberate von 400 Hz das heisst >800 Hz Abtastrate würden ausreichen um das Nyquiest-Kriterium einzuhalten.
bei eine Rate von 100'000 Samples / Sec und bei 5'000 Samples /Sekunde
Dein Sensor liefert nur 400 Messwerte pro Sekunde: warum musst du hier mit 5kHz bis 100kHz abtasten? Hmm

Zitat:Keller Serie 33 X, 4-20mA, 0-800bar, 0.1% FS
Du bekommst den Messwert auf 800*0.1%FS = 0.8bar genau, wieso stören dich jetzt ~0.15bar?
Wo erkennt man in deinem Bildern die genannten "0.14bar" und "1.6bar"?

Alle Beiträge dieses Benutzers finden
Diese Nachricht in einer Antwort zitieren to top
16.03.2016, 17:20
Beitrag #3

cobain2004 Offline
LVF-Grünschnabel
*


Beiträge: 28
Registriert seit: Jan 2014

2013 SP1
2011
DE


Schweiz
RE: Filterung eines Sensorsignals
Zitat:Dein Sensor liefert nur 400 Messwerte pro Sekunde: warum musst du hier mit 5kHz bis 100kHz abtasten?

Genau das ist die Frage. Ich kriege genauere Messwerte wenn ich höher Abtaste, deswegen habe ich als Beispiel die Messdiagramme einmal mit 5 kHz und einmal für 100 kHz Abtastrate aufgenommen.
Eigentlich würde ich gerne mit 1 kHz abtasten-->ein wenig höher wie 2 * 400 Hz. Also so haben wir es mal im Studium gelernt :-)

Zitat:Du bekommst den Messwert auf 800*0.1%FS = 0.8bar genau, wieso stören dich jetzt ~0.15bar?
Wo erkennt man in deinem Bildern die genannten "0.14bar" und "1.6bar"?

Die 0.15 bar sind perfekt, jedoch bei 100 Khz Abtastrate und diese hohe Abtastrate stört mich.

Im Bild Messung mit 100 kSamples /Sec lese ich aus dem Graphen links unten (Graph gefiltert) etwa 0.14 bar Druckpp.
Bei 5 kSamples/ Sec erhalte ich ca. 1.6 bar Druckpp.
Alle Beiträge dieses Benutzers finden
Diese Nachricht in einer Antwort zitieren to top
17.03.2016, 17:12 (Dieser Beitrag wurde zuletzt bearbeitet: 21.03.2016 14:42 von Lucki.)
Beitrag #4

Lucki Offline
Tech.Exp.2.Klasse
LVF-Team

Beiträge: 7.699
Registriert seit: Mar 2006

LV 2016-18 prof.
1995
DE

01108
Deutschland
RE: Filterung eines Sensorsignals
(16.03.2016 16:07 )cobain2004 schrieb:  ich möchte gerne ein Sensorsignal (Keller Serie 33 X, 4-20mA, 0-800bar, 0.1% FS) mit 20 Hz filtern.
Der Sensor hat eine Ausgaberate von 400 Hz das heisst >800 Hz Abtastrate würden ausreichen um das Nyquiest-Kriterium einzuhalten.
Die Messung erfolgte bei 0 bar bzw. Umgebungsdruck.

1. Wenn der Sensor interen digital mit einer Rate von 400 Samples/s arbeitet, dann kann er nach Nyqist nur Frequenzen bis 200 Hz übertragen. Nach der sensorinteren D/A-Wandlung das Analogsignal mit mehr - oder sogar mit sehr viel mehr - als 400 Hz abzutasten, bringt überhaupt nichts.

2 Das Ausgangssignal sieht so aus, als ob es Störungen enthält, die nicht vom Sensor selbst stammen. Solche Störungen - und außerdem die zweifachen Fehler durch die DA und AD-Wandlung - würden vollkommen entfallen, wenn der digitale RS485-Ausgang statt des analogen 4/20mA Ausgangs verwendet würde. Entsprechende USB Adapter kosten nicht die Welt. Warum wird das nicht gemacht?
Alle Beiträge dieses Benutzers finden
Diese Nachricht in einer Antwort zitieren to top
21.03.2016, 09:49
Beitrag #5

cobain2004 Offline
LVF-Grünschnabel
*


Beiträge: 28
Registriert seit: Jan 2014

2013 SP1
2011
DE


Schweiz
RE: Filterung eines Sensorsignals
Zitat:1. Wenn der Sensor interen digital mit einer Rate von 400 Samples/s arbeitet, dann kann er nach Nyqist nur Frequenzen bis 200 Hz übertragen. Nach der sensorinteren D/A-Wandlung das Analogsignal mit mehr - oder sogar mit sehr viel mehr - als 400 Hz abzutasten, bringt überheupt nichts.

okey vielen Dank.

Zitat:2. Das Ausgangssignal sieht so aus, als ob es Störungen enthält, die nicht vom Sensor selbst stammen. Solche Störungen - und außerdem die zweifachen Fehler durch die DA und AD-Wandlung - würden vollkommen entfallen, wenn der digitale RS485-Ausgang statt des analogen 4/20mA Ausgangs verwendet würde. Entsprechende USB Adapter kosten nicht die Welt. Warum wird das nicht gemacht?

Da es sich um hohe Drücke ( bis 800 bar) handelt und LabVIEW bei ausgeschaltetem Rechner den Druck nicht anzeigt ist zusätzlich zu Sicherheit eine DI-10 Anzeige von WIKA angeschlossen, welche über die Stromschleife versorgt wird.
Alle Beiträge dieses Benutzers finden
Diese Nachricht in einer Antwort zitieren to top
22.03.2016, 11:11
Beitrag #6

cobain2004 Offline
LVF-Grünschnabel
*


Beiträge: 28
Registriert seit: Jan 2014

2013 SP1
2011
DE


Schweiz
RE: Filterung eines Sensorsignals
Ist es eine Eigenschaft des Butterworthfilters, dass bei mehr Input genauere Resultate erfolgen?
Weil eigentlich möchte ich nicht mit 100 kHz abtasten.
Alle Beiträge dieses Benutzers finden
Diese Nachricht in einer Antwort zitieren to top
Anzeige
22.03.2016, 22:28 (Dieser Beitrag wurde zuletzt bearbeitet: 23.03.2016 08:50 von Lucki.)
Beitrag #7

Lucki Offline
Tech.Exp.2.Klasse
LVF-Team

Beiträge: 7.699
Registriert seit: Mar 2006

LV 2016-18 prof.
1995
DE

01108
Deutschland
RE: Filterung eines Sensorsignals
Wenn der Sensor 400 neue Werte pro Sekunde liefert, und man liest das z.B. mit 1600 Samples/s, dann werden theoretisch immer 4 hintereianderfolgende Werte gleich sein. Für eine nachfolgende Filterung ergibt sich da kein Vorteil. Etwas Anderes es es aber, wenn man mit 400s/s abtastet und diese Daten anschließend auf ein höhere Rate resamplet. Und zwar so: die Zwischenwerte werden nicht durch Duplizieren, sondern durch Interpolieren erzeugt. Wenn man das macht, dann läßt sich tatsächlich besser filtern.
Siehe Wikipedia "Überabtastung" --> DA-Wandlung.
Alle Beiträge dieses Benutzers finden
Diese Nachricht in einer Antwort zitieren to top
23.03.2016, 13:44
Beitrag #8

cobain2004 Offline
LVF-Grünschnabel
*


Beiträge: 28
Registriert seit: Jan 2014

2013 SP1
2011
DE


Schweiz
RE: Filterung eines Sensorsignals
(22.03.2016 22:28 )Lucki schrieb:  Wenn der Sensor 400 neue Werte pro Sekunde liefert, und man liest das z.B. mit 1600 Samples/s, dann werden theoretisch immer 4 hintereianderfolgende Werte gleich sein. Für eine nachfolgende Filterung ergibt sich da kein Vorteil. Etwas Anderes es es aber, wenn man mit 400s/s abtastet und diese Daten anschließend auf ein höhere Rate resamplet. Und zwar so: die Zwischenwerte werden nicht durch Duplizieren, sondern durch Interpolieren erzeugt. Wenn man das macht, dann läßt sich tatsächlich besser filtern.
Siehe Wikipedia "Überabtastung" --> DA-Wandlung.

super Beitrag. anbei ein Ausgzug aus Wikipedia:

"Überabtastung wird bei der Analog-Digital-Umsetzung genutzt, um
Frequenzen oberhalb der halben Zielabtastfrequenz zu entfernen (teilweise Verlagerung der Filterung vom Analog- in den (einfacher zu handhabenden) Digital-Bereich)"


Meine Vermutung ist:
Durch das Rauschen hat es höhere Frequenzen auf der Leitung und somit wird das Abtasttheorem nicht eingehalten (--> eigentlich müsste mit einem Tiefpass
das Frequenzspektrum begrenzt werden). Da der digitale Filter mit der Fourier-Transformation arbeitet und deswegen diese höheren Frequenzen erst mit einer höheren Rate ersichtlich sind, können diese überhaupt nicht gefiltert, bzw. gedämpft werden.
Alle Beiträge dieses Benutzers finden
Diese Nachricht in einer Antwort zitieren to top
Antwort schreiben 


Möglicherweise verwandte Themen...
Themen Verfasser Antworten Views Letzter Beitrag
  Filterung ugarcia 2 4.816 21.09.2012 09:09
Letzter Beitrag: dimitri84
  Signaldips bei IIR-Filterung Mave 9 8.151 28.10.2008 08:45
Letzter Beitrag: Mave
  FFT - Analyse & Filterung von Signalen durch Änderung der FFT-Koeffizienten? BeFu 1 14.107 19.03.2007 22:02
Letzter Beitrag: dc6xs

Gehe zu: