INFO: Dieses Forum nutzt Cookies...
Cookies sind für den Betrieb des Forums unverzichtbar. Mit der Nutzung des Forums erklärst Du dich damit einverstanden, dass wir Cookies verwenden.

Es wird in jedem Fall ein Cookie gesetzt um diesen Hinweis nicht mehr zu erhalten. Desweiteren setzen wir Google Adsense und Google Analytics ein.


Antwort schreiben 

Frage über OPC-Server



Wenn dein Problem oder deine Frage geklärt worden ist, markiere den Beitrag als "Lösung",
indem du auf den "Lösung" Button rechts unter dem entsprechenden Beitrag klickst. Vielen Dank!

28.10.2009, 15:23
Beitrag #1

blausalz Offline
LVF-Neueinsteiger


Beiträge: 2
Registriert seit: Oct 2009

labview 8.6
2008
de

38106
Deutschland
Frage über OPC-Server
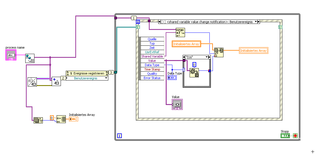
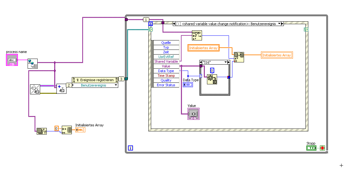
ich Programmiere jetzt mit LabVIEW DSC Modulle ein OPC- Client , aber habe ein Problem gehabt , zeige meinen Programm Unter:
   
durch das Programm habe kein Rückmeldung gehabt , aber ich Datasocket babe ich die Anzahlen von OPC-Server gekriegt. ich kann dafür beweisen , ich DCOM Konfiguration richtig eingestellt habe. wieso bei DSC gilt das nicht , hat jeman schon mal mit DSD gearbeit?? vielleicht kann was als Vorschläge mir geben. besten Dank.

mfG
Alle Beiträge dieses Benutzers finden
Diese Nachricht in einer Antwort zitieren to top
Anzeige
28.10.2009, 15:31
Beitrag #2

SeBa Offline
LVF-Guru
*****


Beiträge: 2.025
Registriert seit: Oct 2008

09SP1 & 10 FDS
2008
DE

65xxx
Deutschland
Frage über OPC-Server
   


Ironie

Kannst du die Frage nochmal neu formulieren?

Duden--> In Deutsch?


Gruß SeBa

Dieser Beitrag soll weder nützlich, informativ noch lesbar sein.

Er erhebt lediglich den Anspruch dort wo er ungenau ist, wenigstens eindeutig ungenau zu sein.
In Fällen größerer Abweichungen ist es immer der Leser, der sich geirrt hat.

Rette einen Baum!
Diesen Beitrag nur ausdrucken, wenn unbedingt nötig!
Alle Beiträge dieses Benutzers finden
Diese Nachricht in einer Antwort zitieren to top
28.10.2009, 16:17
Beitrag #3

blausalz Offline
LVF-Neueinsteiger


Beiträge: 2
Registriert seit: Oct 2009

labview 8.6
2008
de

38106
Deutschland
Frage über OPC-Server
sorry , meine Muttersprache ist nicht deutsch , ich schreibe meine Frage nochmal .
ich programmiere jetzt ein OPC- Client mit LabVIEW DSC Modul , aber ich habe ein Problem gehabt , ich zeige mein Programm unten:
   
mit den Programm habe ich keine Rückmeldung von OPC-Server gehabt , dann Probiere ich mit Datasocket , Bei Datasoket kann OPC-client mit OPC-Server anschließen .Ich glaube , ich DCOM Konfiguration richtig eingestellt habe. wieso es funktioniert nicht bei DSC-Modul , hat jemand schonmal mit DSC-modul gearbeitet?? besten Dank.

mfG
Alle Beiträge dieses Benutzers finden
Diese Nachricht in einer Antwort zitieren to top
28.09.2010, 14:40
Beitrag #4

lukas_c Offline
LV-erfahren
*


Beiträge: 13
Registriert seit: Sep 2010

2012
1996
EN

50xxx
Deutschland
Frage über OPC-Server
Hallo blausalz,

Der Datenzugriff über DataSocket läuft intern über einen anderen OPC-Client, als die Verwendung des DSC-Moduls. Das kann dazu führen, dass ein Zugriff über DataSocket funktioniert, aber über das DSC-Modul nicht. Auch wenn es theoretisch keinen Performance-Unterschied gibt, so unterscheiden sich die Wege in ihrer praktischen Umsetzung sehr. Das DSC-Modul verwendet für den Datenzugriff die "Shared Variablen Engine" als OPC-Client.

Wichtige Punkte für die Konfiguration und Tests:

1) DCOM-Konfiguration anpassen
(Systemsteuerung-->Verwaltung-->Komponentendienste-->Component Service-->Computer-->Arbeitsplatz-->DCOM)

a) den verwendeten OPC-Server wählen
- im Tab "Allgemein" die Option "Verbinden" wählen
- im Tab "Identität" die Option "Interaktiver Benutzer" wählen
- im Tab "Sicherheit" sollten bei Start und Zugriff die User Interaktiv, Jeder, Netzwerk und System Zugriffsrechte bekommen
(damit funktioniert es erstmal. Für die Sicherheit kann man später die Rechte weder einschränken)

b) National Instruments Variablen Engine wählen
- im Tab "Allgemein" die Option "Verbinden" wählen
- im Tab "Identität" die Option "Systemkonto" wählen
- im Tab "Sicherheit" sollten bei Start und Zugriff die User Interaktiv, Jeder, Netzwerk und System Zugriffsrechte bekommen

2) OPC-Server testen
mit beliebigem OPC-Client sollte der OPC-Server starten, sobald Datenzugriff benötigt wird. Nach Ende des Datenzugriffs sollte der OPC-Server automatisch schließen

3) Variablen Engine testen
Öffne in LabVIEW unter "Tools" den Distributed System Manager. Dort kann man Daten aus der Shared Variablen Engine sehen.
In LabVIEW hast Du Deinen OPC-Client und alle Shared Variablen sicher innerhalb eines Projekts in einer Bibliothek abgelegt. Mit Rechtsklick auf die Bibliothek erscheint ein Eintrag "Deploy". Nach diesem Befehl wird die gewählte Bibliothek in der Variablen Engine veröffentlicht und sollte dort unter Localhost neben "System" erscheinen. Dort kann man Daten per OPC lesen und schreiben.
Wenn das funktioniert, sollte auch Dein VI korrekt arbeiten.

(Gibt es einen Grund, warum Du ständig alle Shared Variablen so umständlich pollst und in ein Array schreibst, statt einzelne Variablen bei Bedarf zu aktualisieren ?)

4) Deployvorgang automatisieren
Im Projekt Explorer sollte bei Rechtsklick auf "My Computer" der Punkt "Disable Autodeploy" nicht aktiviert sein.
Im späteren Verlauf des Projekts kann man diesen Punkt aktivieren und innerhalb des Programms mit entsprechenden VI´s für eine Veröffentlichung der Prozessdaten sorgen.

Die korrekte Konfiguration von OPC-Server, DCOM und Variablen Engine ist nicht ganz einfach. Wenn man es aber einmal geschafft hat, funktioniert es recht zuverlässig.

Viel Erfolg dabei
C. Lukas
Alle Beiträge dieses Benutzers finden
Diese Nachricht in einer Antwort zitieren to top
30
Antwort schreiben 


Möglicherweise verwandte Themen...
Themen Verfasser Antworten Views Letzter Beitrag
  Sinumerik 840D - Kommunikation über DDE-Server Mannie 3 10.165 11.02.2015 12:13
Letzter Beitrag: rolfk
  NI OPC Server Configuration über LabView steuern ygao 0 4.576 08.07.2014 15:04
Letzter Beitrag: ygao
  OPC Server für S7-300 über CP343-1 Bernhart55 3 7.583 05.09.2013 11:02
Letzter Beitrag: BastiFantasti
  LabVIEW OPC Server auf Windows Server 2003 Ninja2602 5 8.435 30.11.2012 16:30
Letzter Beitrag: lukas_c
  NI Web Server: Datei-Download mit Datenübertragung von Server- an Client-Rechner phonophunk 0 4.723 08.11.2012 18:10
Letzter Beitrag: phonophunk
  Frage zu OPC-Server Kommunikation Sandisk 0 4.099 14.12.2011 15:14
Letzter Beitrag: Sandisk

Gehe zu: