INFO: Dieses Forum nutzt Cookies...
Cookies sind für den Betrieb des Forums unverzichtbar. Mit der Nutzung des Forums erklärst Du dich damit einverstanden, dass wir Cookies verwenden.

Es wird in jedem Fall ein Cookie gesetzt um diesen Hinweis nicht mehr zu erhalten. Desweiteren setzen wir Google Adsense und Google Analytics ein.


Antwort schreiben 

Dieses Thema hat akzeptierte Lösungen:

Frage zur RS232



Wenn dein Problem oder deine Frage geklärt worden ist, markiere den Beitrag als "Lösung",
indem du auf den "Lösung" Button rechts unter dem entsprechenden Beitrag klickst. Vielen Dank!

14.04.2015, 11:56 (Dieser Beitrag wurde zuletzt bearbeitet: 14.04.2015 11:59 von GerdW.)
Beitrag #11

haoran Offline
LVF-Grünschnabel
*


Beiträge: 14
Registriert seit: Mar 2015

Student
2010
DE



RE: Frage zur RS232
(14.04.2015 11:38 )GerdW schrieb:  Hallo haoran,

Zitat:dass der Anzeigemodus … klar zu erkennen ist

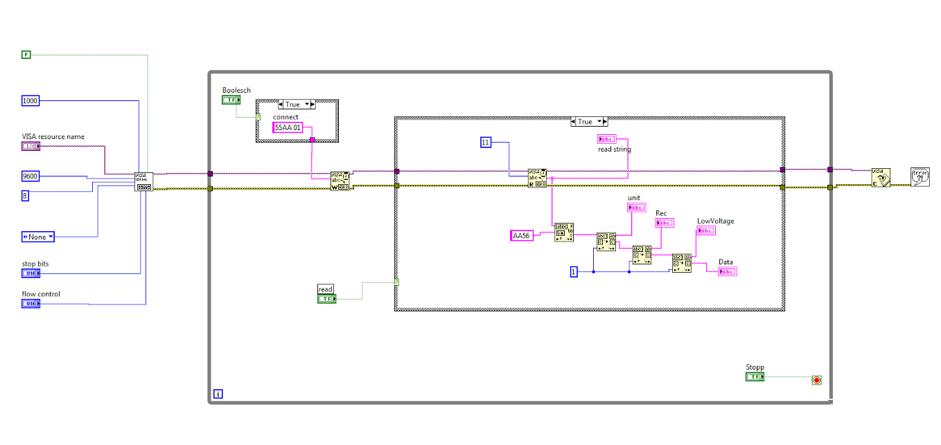
Zitat:Ja bei mir die Stringkonstante sind auch AA56

Es geht um den ANZEIGEMODUS! Meine String-Konstanten sind auf "Hex-Display" eingestellt, deine dagegen (sehr wahrscheinlich) auf "Normal-Display".
Und das macht schon einen gewaltigen Unterschied!

Ja es funktioniert jetzt!!! Ich habe vor der Zeit nicht auf Display geachtet.....vielen Danke!!
Außerdem habe ich noch ein Problem. Die String werden immer einmal richtig anzeigen, einmal nicht.. Dabei sind die Probleme.. Wie kann ich das lösen?
           

Vielen Danke für Ihre Hilfe!!!!!
mit freundlichen Grüßen

Anniemacht_2
GRAFIKEN IMMER DIREKT IM FORUM ANHÄNGEN!
Alle Beiträge dieses Benutzers finden
Diese Nachricht in einer Antwort zitieren to top
Anzeige
14.04.2015, 12:00
Beitrag #12

GerdW Offline
______________
LVF-Team

Beiträge: 17.533
Registriert seit: May 2009

LV2019 (LV2021)
1995
DE_EN

10×××
Deutschland
RE: Frage zur RS232
Hallo haoran,

Zitat:Die String werden immer einmal richtig anzeigen, einmal nicht.. Dabei sind die Probleme.. Wie kann ich das lösen?
Das Problem ist die BytesAtPort-Funktion, die du unnötigerweise benutzt - und dann auch noch falsch dank einer RaceCondition!

Verzichte darauf und das Problem ist weg…

Alle Beiträge dieses Benutzers finden
Diese Nachricht in einer Antwort zitieren to top
14.04.2015, 12:14
Beitrag #13

haoran Offline
LVF-Grünschnabel
*


Beiträge: 14
Registriert seit: Mar 2015

Student
2010
DE



RE: Frage zur RS232
(14.04.2015 12:00 )GerdW schrieb:  Hallo haoran,

Zitat:Die String werden immer einmal richtig anzeigen, einmal nicht.. Dabei sind die Probleme.. Wie kann ich das lösen?
Das Problem ist die BytesAtPort-Funktion, die du unnötigerweise benutzt - und dann auch noch falsch dank einer RaceCondition!

Verzichte darauf und das Problem ist weg…

Sie sind sehr nett!!
Vielen Danke!!!
Alle Beiträge dieses Benutzers finden
Diese Nachricht in einer Antwort zitieren to top
14.04.2015, 15:17 (Dieser Beitrag wurde zuletzt bearbeitet: 14.04.2015 15:19 von GerdW.)
Beitrag #14

haoran Offline
LVF-Grünschnabel
*


Beiträge: 14
Registriert seit: Mar 2015

Student
2010
DE



RE: Frage zur RS232
(14.04.2015 12:00 )GerdW schrieb:  Hallo haoran,

Zitat:Die String werden immer einmal richtig anzeigen, einmal nicht.. Dabei sind die Probleme.. Wie kann ich das lösen?
Das Problem ist die BytesAtPort-Funktion, die du unnötigerweise benutzt - und dann auch noch falsch dank einer RaceCondition!

Verzichte darauf und das Problem ist weg…

Also wenn ich die BytesAtPort-Funktion weg mache, wird die neuen Probleme aufkommen....
Die ID Code stehen nicht in erste Stellen, sondern in hinter.. Die sind 11 Stellen String, wie kann ich die String richtig anzeigen?
       
Alle Beiträge dieses Benutzers finden
Diese Nachricht in einer Antwort zitieren to top
14.04.2015, 15:18 (Dieser Beitrag wurde zuletzt bearbeitet: 14.04.2015 15:21 von GerdW.)
Beitrag #15

GerdW Offline
______________
LVF-Team

Beiträge: 17.533
Registriert seit: May 2009

LV2019 (LV2021)
1995
DE_EN

10×××
Deutschland
RE: Frage zur RS232
Anniemacht_2
Wie oft muss ich es noch schreiben: Bilder immer direkt im Forum anhängen! Nicht auf externe Webseiten verlinken!!!
Hallo haoran,

hoffentlich hast jetzt endlich bemerkt, dass ich schon den ganzen Tag deine Post korrigiert habe…

Zum Thema:
Du solltest die empfangenen Bytes in einem String sammeln und aus diesem dann immer komplette Botschaften ausfiltern. Aufgrund der Tatsache, dass du kein TermChar verwendest, musst du dich selbst um die Synchronisierung von Sender und Empfänger kümmern!

Alle Beiträge dieses Benutzers finden
Diese Nachricht in einer Antwort zitieren to top
14.04.2015, 19:02 (Dieser Beitrag wurde zuletzt bearbeitet: 14.04.2015 19:03 von jg.)
Beitrag #16

jg Offline
CLA & CLED
LVF-Team

Beiträge: 15.864
Registriert seit: Jun 2005

20xx / 8.x
1999
EN

Franken...
Deutschland
RE: Frage zur RS232
(14.04.2015 15:18 )GerdW schrieb:  Anniemacht_2
Wie oft muss ich es noch schreiben: Bilder immer direkt im Forum anhängen! Nicht auf externe Webseiten verlinken!!!
Hier die Anleitung zum Hochladen im LVF.

Beim nächsten Mal Post-880-1250020144

Wer die erhabene Weisheit der Mathematik tadelt, nährt sich von Verwirrung. (Leonardo da Vinci)

!! BITTE !! stellt mir keine Fragen über PM, dafür ist das Forum da - andere haben vielleicht auch Interesse an der Antwort!

Einführende Links zu LabVIEW, s. GerdWs Signatur.
Alle Beiträge dieses Benutzers finden
Diese Nachricht in einer Antwort zitieren to top
Anzeige
Antwort schreiben 


Gehe zu: