INFO: Dieses Forum nutzt Cookies...
Cookies sind für den Betrieb des Forums unverzichtbar. Mit der Nutzung des Forums erklärst Du dich damit einverstanden, dass wir Cookies verwenden.

Es wird in jedem Fall ein Cookie gesetzt um diesen Hinweis nicht mehr zu erhalten. Desweiteren setzen wir Google Adsense und Google Analytics ein.


Antwort schreiben 

Frequenztest Echtzeit



Wenn dein Problem oder deine Frage geklärt worden ist, markiere den Beitrag als "Lösung",
indem du auf den "Lösung" Button rechts unter dem entsprechenden Beitrag klickst. Vielen Dank!

26.04.2012, 10:56 (Dieser Beitrag wurde zuletzt bearbeitet: 26.04.2012 10:58 von Vrijdag.)
Beitrag #1

Vrijdag Offline
LVF-Grünschnabel
*


Beiträge: 13
Registriert seit: Feb 2012

2010
2011
DE_EN

33xxx
Deutschland
Frequenztest Echtzeit
Hallo zusammen.
Ich arbeite an einem Realtimeprojekt. Nutze ein PXI System mit einer PXI 6259 Karte für AIO und DIO.
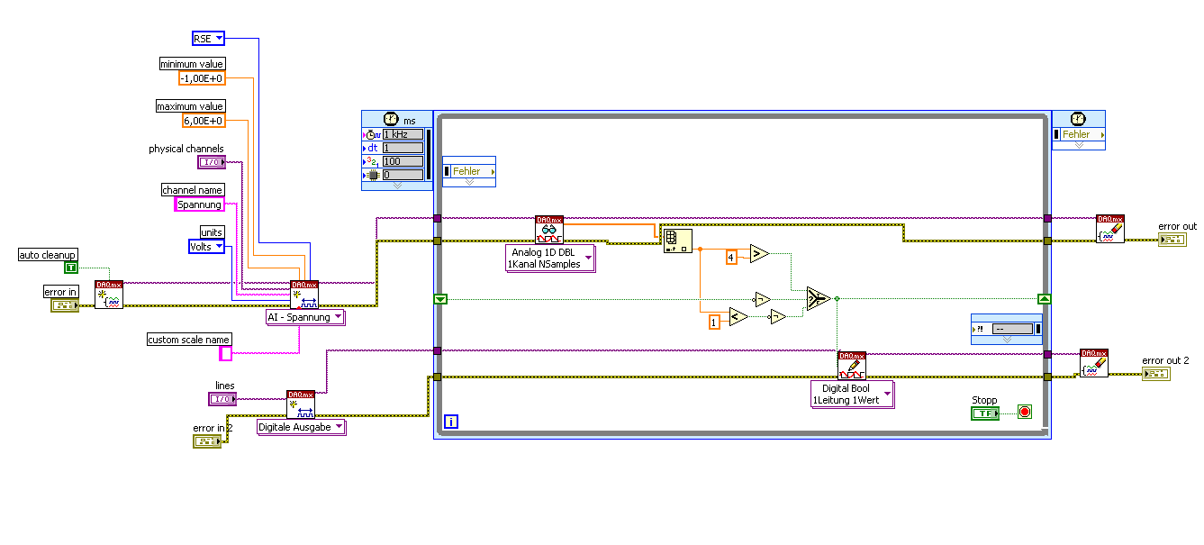
Bei meinem Projekt ist unter anderem die Verarbeitung einer Frequenz notwendig. Ich habe mal ein Test VI erstellt um die Frequenz aufzunehmen (siehe Screenshot) Ich lege an den AI des Systems das Rechtecksignal eines Frequenzumrichters an. (high 5V; low 0,5V) Bei der Überschreitung eines Schwellwertes von 4V soll ein digitales high- und bei der Unterschreitung von 1V ein digitales low- Signal ausgegeben werden. Bist zu einer Frequenz von 5Hz kommt das System auch mit, aber bei höheren Frequenzen ist es ein beliebiger Wechsel von low auf high.
Wahrscheinlich handelt es sich um einen Anfängerfehler meinerseits, währe super wenn jemand für mich einen Hinweis hätte.
P.S.: ich vermute selber das es an der Einstellung der zeitgesteuerten Schleife hängt: 1kHz mit einer Periode von 1ms, wobei die CPU auch voll ausgelastet ist.
Gruß Vrijdag


Angehängte Datei(en) Thumbnail(s)
   
Alle Beiträge dieses Benutzers finden
Diese Nachricht in einer Antwort zitieren to top
Anzeige
26.04.2012, 11:44 (Dieser Beitrag wurde zuletzt bearbeitet: 26.04.2012 11:45 von GerdW.)
Beitrag #2

GerdW Offline
______________
LVF-Team

Beiträge: 17.528
Registriert seit: May 2009

LV2019 (LV2021)
1995
DE_EN

10×××
Deutschland
RE: Frequenztest Echtzeit
Hallo Vrijdag,

Zitat:Ich arbeite an einem Realtimeprojekt. Nutze ein PXI System mit einer PXI 6259 Karte für AIO und DIO.
Bist du dir sicher mit der Aussage "Realtimeprojekt"?

Zitat:Ich lege an den AI des Systems das Rechtecksignal eines Frequenzumrichters an. (high 5V; low 0,5V)
Also anscheinend ein TTL-Signal. Warum also kein Digitaleingang dafür benutzen?

Zitat:Bist zu einer Frequenz von 5Hz kommt das System auch mit, aber bei höheren Frequenzen ist es ein beliebiger Wechsel von low auf high.
Wahrscheinlich handelt es sich um einen Anfängerfehler meinerseits
Du arbeitest mit Abfrage von Einzelwerten. Der Overhead dabei ist immens und wird kaum in einer 1kHz-Schleife funktionieren.
Und noch schlimmer: in jeder Iteration werden neue Tasks angelegt (schlimm genug), die dann auch nicht gelöscht werden (ganz schlimm)...

Zitat:ich vermute selber das es an der Einstellung der zeitgesteuerten Schleife hängt: 1kHz mit einer Periode von 1ms, wobei die CPU auch voll ausgelastet ist.
Nein, es liegt daran, was du in der Schleife machst...

Alle Beiträge dieses Benutzers finden
Diese Nachricht in einer Antwort zitieren to top
26.04.2012, 12:39
Beitrag #3

Vrijdag Offline
LVF-Grünschnabel
*


Beiträge: 13
Registriert seit: Feb 2012

2010
2011
DE_EN

33xxx
Deutschland
RE: Frequenztest Echtzeit
Hallo Gerd

Bei der Aussage, dass ich an einem Echtzeitprojekt arbeite, bin ich mir absolut sicher.
Ok die Sache mit den DIO hätte ich noch genauer beschreiben können. Im eigentlichen Programm (dies soll ja nur ein Test sein) liegt kein TTL- Signal an. In dem Fall kann es zu vielen verschiedenen Signalverläufen kommen.
Ich werde mich jetzt nochmal an eine neue Version machen und deine, im dritten Punkt, angesprochenen Fehler bearbeiten. Mal sehen zu welchem Ergebnis ich komme.
Danke nochmal.
Alle Beiträge dieses Benutzers finden
Diese Nachricht in einer Antwort zitieren to top
26.04.2012, 13:16
Beitrag #4

Vrijdag Offline
LVF-Grünschnabel
*


Beiträge: 13
Registriert seit: Feb 2012

2010
2011
DE_EN

33xxx
Deutschland
RE: Frequenztest Echtzeit
Bin, schon wieder da.
Vielen Dank Gerd! Habe mich an deine Kritik gehalten und siehe da es funktioniert super!
Eine Frage hätte ich noch, als du von der Abfrage von Einzelwerten sprachst: Ich habe jetzt mal 1Kanal NSamples und 1Kanal mit 1Sample verglichen und keinen Unterschied feststellen können. Worin liegt der genau?
Ach ja, jetzt versteh ich auch warum die CPU immer voll ausgelastet war.
Gruß Vrijdag


Angehängte Datei(en) Thumbnail(s)
   
Alle Beiträge dieses Benutzers finden
Diese Nachricht in einer Antwort zitieren to top
26.04.2012, 13:32 (Dieser Beitrag wurde zuletzt bearbeitet: 26.04.2012 13:33 von GerdW.)
Beitrag #5

GerdW Offline
______________
LVF-Team

Beiträge: 17.528
Registriert seit: May 2009

LV2019 (LV2021)
1995
DE_EN

10×××
Deutschland
RE: Frequenztest Echtzeit
Hallo Vrijdag,

Zitat:Ich habe jetzt mal 1Kanal NSamples und 1Kanal mit 1Sample verglichen und keinen Unterschied feststellen können. Worin liegt der genau?
- Du stellst nirgends die Anzahl der Samples pro Kanal ein...
- Du verwendest weiterhin nur einen Wert pro Read (falls mehr Werte gelesen werden, schmeißt du die unbenutzt weg)

Zitat:Ach ja, jetzt versteh ich auch warum die CPU immer voll ausgelastet war.
Learning by doing Wink

Deinen tollen Vergleich kann man übrigens durch die InRange&Coerce-Funktion ersetzen...

Alle Beiträge dieses Benutzers finden
Diese Nachricht in einer Antwort zitieren to top
30
Antwort schreiben 


Gehe zu: