INFO: Dieses Forum nutzt Cookies...
Cookies sind für den Betrieb des Forums unverzichtbar. Mit der Nutzung des Forums erklärst Du dich damit einverstanden, dass wir Cookies verwenden.

Es wird in jedem Fall ein Cookie gesetzt um diesen Hinweis nicht mehr zu erhalten. Desweiteren setzen wir Google Adsense und Google Analytics ein.


Antwort schreiben 

Funktionsgenerator - Problem mit der Zeit



Wenn dein Problem oder deine Frage geklärt worden ist, markiere den Beitrag als "Lösung",
indem du auf den "Lösung" Button rechts unter dem entsprechenden Beitrag klickst. Vielen Dank!

12.09.2014, 08:35
Beitrag #1

Joj0o Offline
LVF-Grünschnabel
*


Beiträge: 13
Registriert seit: Jul 2014

2011
-
DE



Question Funktionsgenerator - Problem mit der Zeit
Ich habe folgendes Problem:
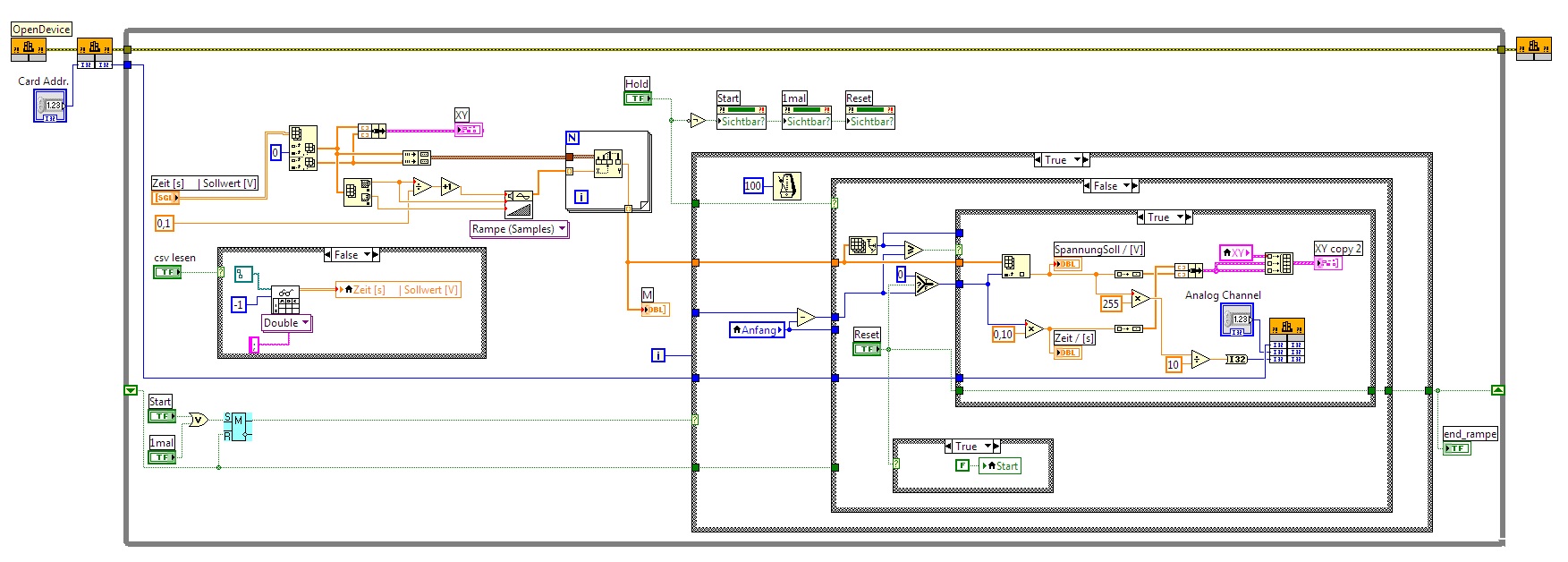
Ich habe einen Funnktionsgenerator, der mir über ein DLL gewünschte Spannungen an meine Interface Karte ausgibt.
Dieser ist nun soweit modifiziert, dass er alle Aufgaben erfüllt, die er für meine Anwendung leisten soll (dank eurer Hilfe).

Aber folgendes Problem stellt sich nun, wenn ich ein größeres Zeitfenster als 15min (900sec) anstrebe, dann stimmt der Zeitwert der lokalen Variablen nicht mehr.
Da ich den Funktionsgenerator nicht selbst gebaut habe, sondern lediglich verändert , ist mir nicht bewusst, wie und wenn ja wo (wahrscheinlich in der SubVI Rampe)ich die VI so ändern kann, dass ich im bestenfall einen ganzen Tag über ein Spannungssignal ausgeben kann, ohne einen Datenüberstrom zu bekommen.

Jede 10min einen Wert zu ändern würde volkommmen ausreichen. Sprich ((24*60)/10 = 144 Werte).
Im Anhang findet ihr eine csv-Datei, die einen ganzen Tag simulieren würde (84600sec mit 144 Werten) und die VI.

Ich hoffe ihr könnt mir weiterhelfen.

Gruß Joj0oBlush


Angehängte Datei(en)
11.0 .vi  FG+CSV File Read.vi (Größe: 51,84 KB / Downloads: 267)

0.0 .csv  CSV Dateien, 1440 sec.csv (Größe: 1,57 KB / Downloads: 266)

0.0 .csv  CSV Dateien, 86400 sec.csv (Größe: 1,79 KB / Downloads: 250)
Alle Beiträge dieses Benutzers finden
Diese Nachricht in einer Antwort zitieren to top
Anzeige
12.09.2014, 09:17 (Dieser Beitrag wurde zuletzt bearbeitet: 12.09.2014 09:27 von GerdW.)
Beitrag #2

GerdW Offline
______________
LVF-Team

Beiträge: 17.538
Registriert seit: May 2009

LV2019 (LV2021)
1995
DE_EN

10×××
Deutschland
RE: Funktionsgenerator - Problem mit der Zeit
Hallo JojDo,

leider fehlt uns eben das subVI!

Zitat:stimmt der Zeitwert der lokalen Variablen nicht mehr.
Entgegen meiner bisherigen Kommentare enthält dein VI immer noch viel zu viele lokale Variablen. Die machen dir das Leben nicht leichter!
Und du solltest deine Aussage etwas genauer erläutern: welche lokale Variablen, wie äußert sich dieses "nicht stimmen", etc.

Was man schon mal sagen kann:
Deine "Zeit" berechnet sich aus dem ArrayIndex und einer Konstanten. Leider wird dabei nicht berücksichtigt, das Windows nicht immer exakt Timings einhält, das dein Programm einen "Hold"-Modus benutzt, das dein Programm einen "Reset"-Button enthält - und bestimmt noch ein paar andere komische Dinge macht…

Alle Beiträge dieses Benutzers finden
Diese Nachricht in einer Antwort zitieren to top
13.09.2014, 09:15
Beitrag #3

Joj0o Offline
LVF-Grünschnabel
*


Beiträge: 13
Registriert seit: Jul 2014

2011
-
DE



RE: Funktionsgenerator - Problem mit der Zeit
Wenn ich in den Array große Zeiten eintrage bzw. einlesen lasse, so stimmt das numerische Element der Zeit nicht mehr. Der Sollwert der Spannung ist dann zum gegebenen Zeitpunkt der richtige, aber die Zeit hinkt hinterher.

Und wie gesagt: Beim Einlesen von Zeiten, die einen ganzen Tag mit 86400 Sekunden beschreibt gibt das Programm völlig auf. Mich würde zunächst mal nur interessieren, ob es eine Abhilfe gibt bzw. man das Programm auf Minuten oder gar Stunden umprogrammieren kann, ohne das er sich tot rechnet.


Angehängte Datei(en)
11.0 .vi  rampe_sub.vi (Größe: 45,32 KB / Downloads: 213)

11.0 .vi  merker.vi (Größe: 6,87 KB / Downloads: 250)
Alle Beiträge dieses Benutzers finden
Diese Nachricht in einer Antwort zitieren to top
13.09.2014, 13:42 (Dieser Beitrag wurde zuletzt bearbeitet: 13.09.2014 13:43 von jg.)
Beitrag #4

jg Offline
CLA & CLED
LVF-Team

Beiträge: 15.864
Registriert seit: Jun 2005

20xx / 8.x
1999
EN

Franken...
Deutschland
RE: Funktionsgenerator - Problem mit der Zeit
Hier ein Vorschlag für ein deutlich einfacheres "Abfahren" deines Sollprofils, vor allem da es sowieso nicht auf Geschwindigkeit ankommt:
   
Gruß, Jens

Wer die erhabene Weisheit der Mathematik tadelt, nährt sich von Verwirrung. (Leonardo da Vinci)

!! BITTE !! stellt mir keine Fragen über PM, dafür ist das Forum da - andere haben vielleicht auch Interesse an der Antwort!

Einführende Links zu LabVIEW, s. GerdWs Signatur.
Alle Beiträge dieses Benutzers finden
Diese Nachricht in einer Antwort zitieren to top
13.09.2014, 17:49 (Dieser Beitrag wurde zuletzt bearbeitet: 13.09.2014 17:49 von GerdW.)
Beitrag #5

GerdW Offline
______________
LVF-Team

Beiträge: 17.538
Registriert seit: May 2009

LV2019 (LV2021)
1995
DE_EN

10×××
Deutschland
RE: Funktionsgenerator - Problem mit der Zeit
Hallo Joj0o,

ich liebe ja FF-subVIs, die man in LabVIEW eigentlich nicht benötigt! Dein Merker.vi könnte auch so aussehen:
   

Und deine Rampe vereinfacht sich zu:
   
Bitte NIE Labels im BD verstecken!

Alle Beiträge dieses Benutzers finden
Diese Nachricht in einer Antwort zitieren to top
14.09.2014, 19:55 (Dieser Beitrag wurde zuletzt bearbeitet: 14.09.2014 20:19 von Joj0o.)
Beitrag #6

Joj0o Offline
LVF-Grünschnabel
*


Beiträge: 13
Registriert seit: Jul 2014

2011
-
DE



RE: Funktionsgenerator - Problem mit der Zeit
Oh man!!!!!!!!

Ihr seid echt die besten Smile
Mit der neuen Rampe läuft das Programm 1A Anniemacht_2
________________________________________________________________________________​_______________________________________________________
P.S.: Da ich mich auch nicht mit den Timing Objekten auskenne, interessiert mich, ob ich die Zeit auch zusätzlich über ein Timing Objekt in [hh: mm: ss] ausgeben kann.
Bzw. kann LabView auch Time-Strings aus Excel/csv-Dateien erkennen und Sie an den Zeit-Array übertragen?


Angehängte Datei(en) Thumbnail(s)
   
Alle Beiträge dieses Benutzers finden
Diese Nachricht in einer Antwort zitieren to top
Anzeige
15.09.2014, 06:43 (Dieser Beitrag wurde zuletzt bearbeitet: 15.09.2014 06:45 von GerdW.)
Beitrag #7

GerdW Offline
______________
LVF-Team

Beiträge: 17.538
Registriert seit: May 2009

LV2019 (LV2021)
1995
DE_EN

10×××
Deutschland
RE: Funktionsgenerator - Problem mit der Zeit
Hallo Joj0o,

wieso sehe ich schon wieder eine lokale Variable "Zeit Sollwert", obwohl ich dir schon gezeigt hatte, wie du ohne sie auskommst?
Hast du mal den Link "Race Condition" in meiner Signatur beachtet? Hmm

Zitat:interessiert mich, ob ich die Zeit auch zusätzlich über ein Timing Objekt in [hh: mm: ss] ausgeben kann.
Ja. Zeit in Sekunden in einer numerischen Anzeige darstellen lassen und deren Anzeigeformat auf relative Zeit ändern…

Zitat:Bzw. kann LabView auch Time-Strings aus Excel/csv-Dateien erkennen und Sie an den Zeit-Array übertragen?
Ja. CSV-Datei als Strings einlesen und selbst auswerten, z.B. mit der ScanFromString-Funktion…

Alle Beiträge dieses Benutzers finden
Diese Nachricht in einer Antwort zitieren to top
Antwort schreiben 


Möglicherweise verwandte Themen...
Themen Verfasser Antworten Views Letzter Beitrag
  Anfängerfrage zu T/F-Case - Funktionsgenerator JOberst 2 4.209 31.10.2015 16:44
Letzter Beitrag: JOberst
  Einfachen Funktionsgenerator.vi generiertes Ausgangssignal begrenzen Moes 7 8.693 18.09.2015 11:38
Letzter Beitrag: Moes
  Funktionsgenerator liefert falsche Frequenz sumsi 10 10.190 08.01.2013 10:02
Letzter Beitrag: GerdW
  Problem bei Zeit ablaufen lassen a-sl 9 9.785 15.11.2006 07:59
Letzter Beitrag: a-sl
  Problem mit "Datum/Zeit in Sekunden K 2 6.068 14.04.2005 16:42
Letzter Beitrag: K

Gehe zu: